GM Service Manual Online
For 1990-2009 cars only
Makes
🢒
Oldsmobile
🢒
2003
🢒
Aurora
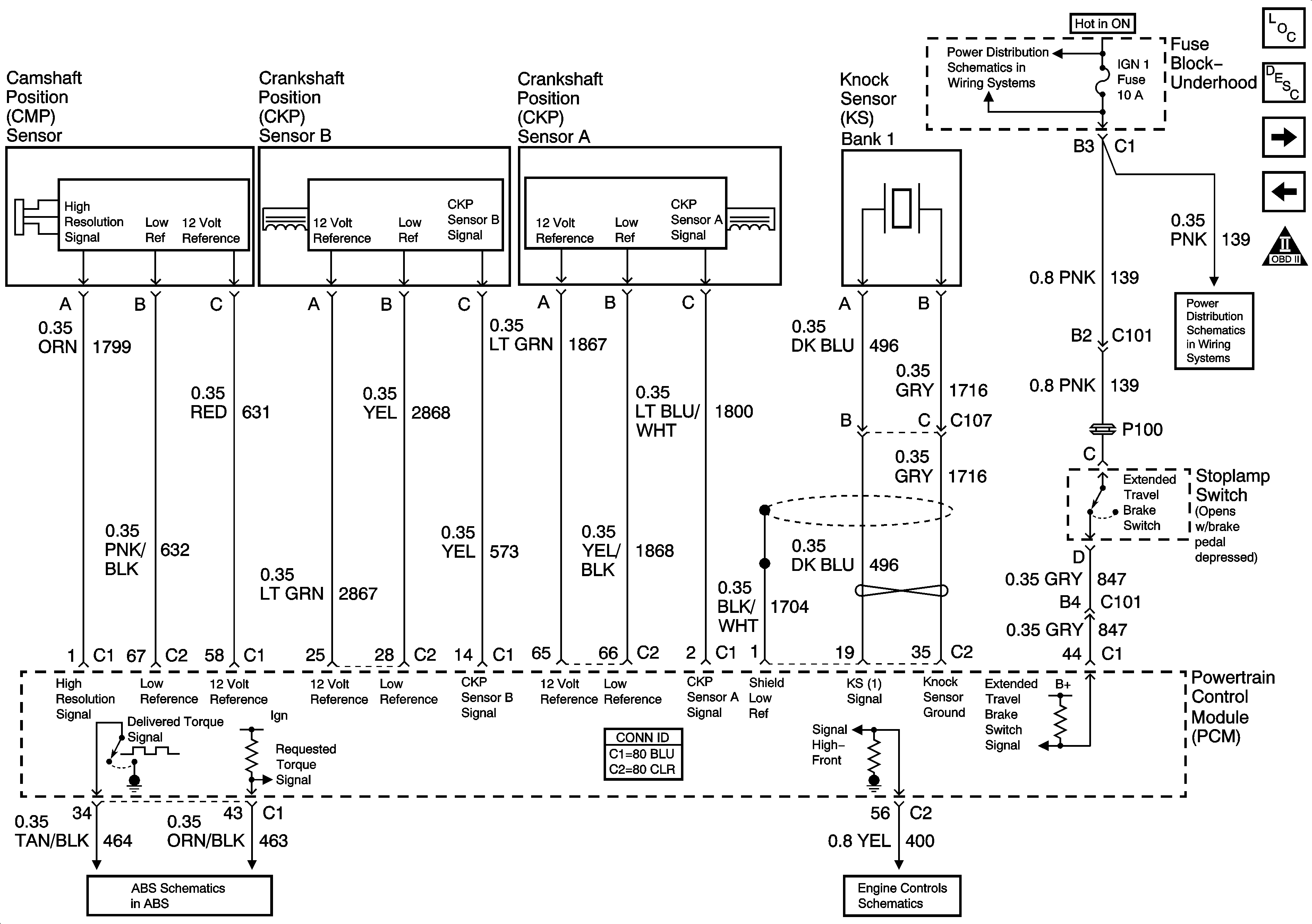
🢒 PCM Inputs
PCM Inputs
PCM Inputs
Master Electrical Component List
Knock Sensor (KS) System Description
Fuel Pump and Sender Assembly and Controls
Ignition Control Modules
OBD II Symbol Description Notice
L47 IGN 1, OXY SEN, DIS Fuses and IGN 1 Relay (Fuse Block-Underhood)
Battery Feed to the Fuse Block-Underhood
Traction Control (w/NW9) and Variable Effort Steering (w/NV8)
Sensors