GM Service Manual Online
For 1990-2009 cars only
Makes
🢒
Oldsmobile
🢒
2003
🢒
Bravada
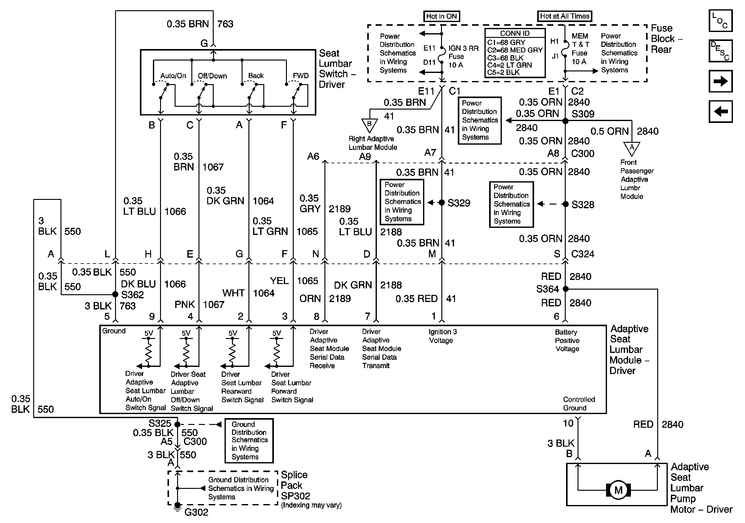
🢒 Driver Adaptive Seat (w/ AC9)
Driver Adaptive Seat (w/ AC9)
Driver Adaptive Seat (AC9)
Master Electrical Component List
Lumbar Support Description and Operation with AC9
Passenger Adaptive Seat (w/ AC9)
Rear Seats
G302 (2 of 3)
G302 (2 of 3)
Rear Fuse Block- MEM TT, RRLUM/PWR ANT, HTDST LF Fuses
Passenger Adaptive Seat (w/ AC9)
Rear Fuse Block- IGN 3 Relay, IGN 3 Fuse
Rear Fuse Block- MEM TT, RRLUM/PWR ANT, HTDST LF Fuses
Rear Fuse Block- MEM TT, RRLUM/PWR ANT, HTDST LF Fuses
Passenger Adaptive Seat (w/ AC9)
Rear Fuse Block- IGN 3 Relay, IGN 3 Fuse