| Figure 1: |
B+ Bus - Underhood Fuse Block
|
| Figure 2: |
B+ Bus - Rear Fuse Block
|
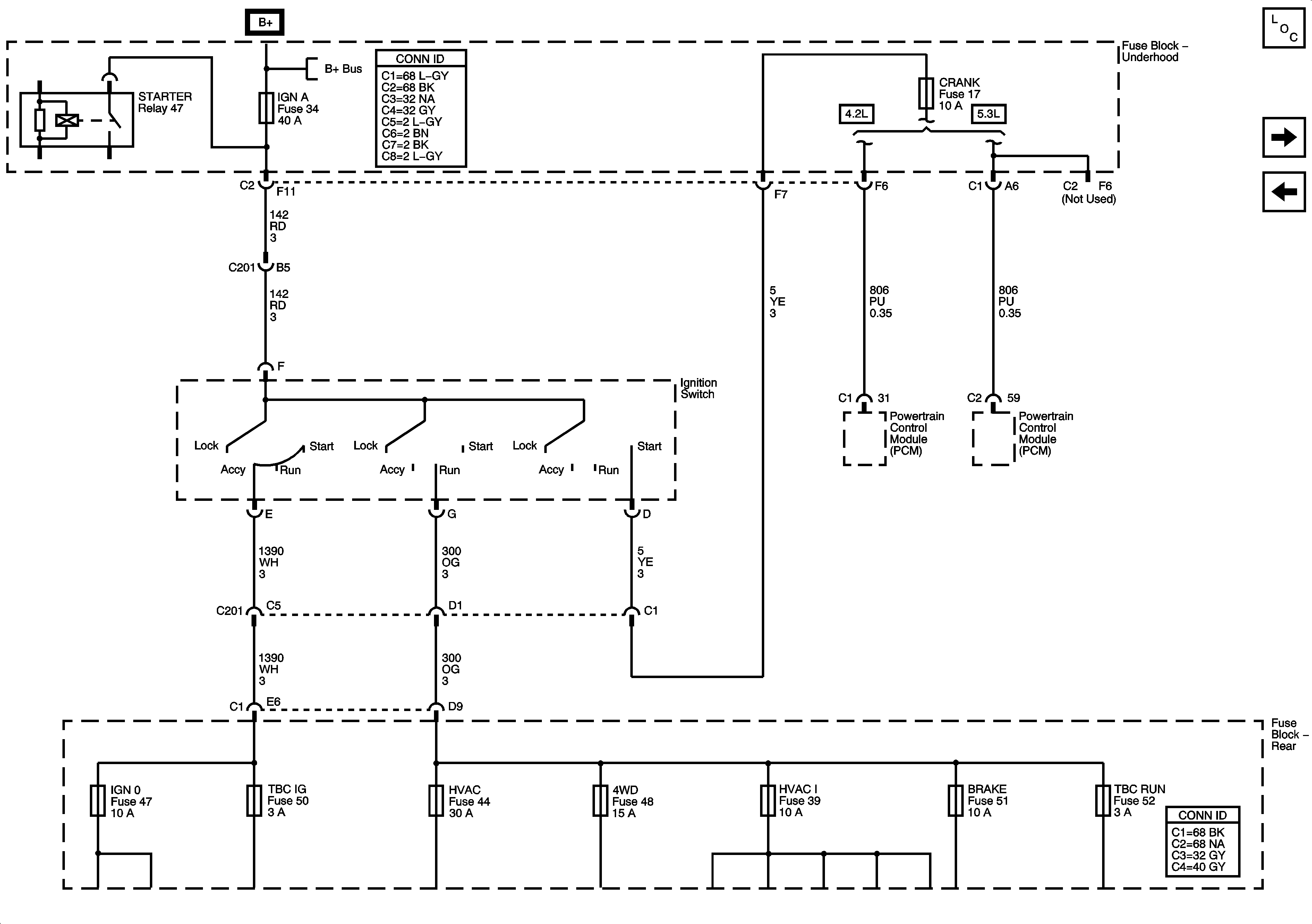
| Figure 3: |
ACCY/RUN/START, RUN, and START Bus Bars
|
| Figure 4: |
ACCY/RUN and RUN/START Bus Bars
|
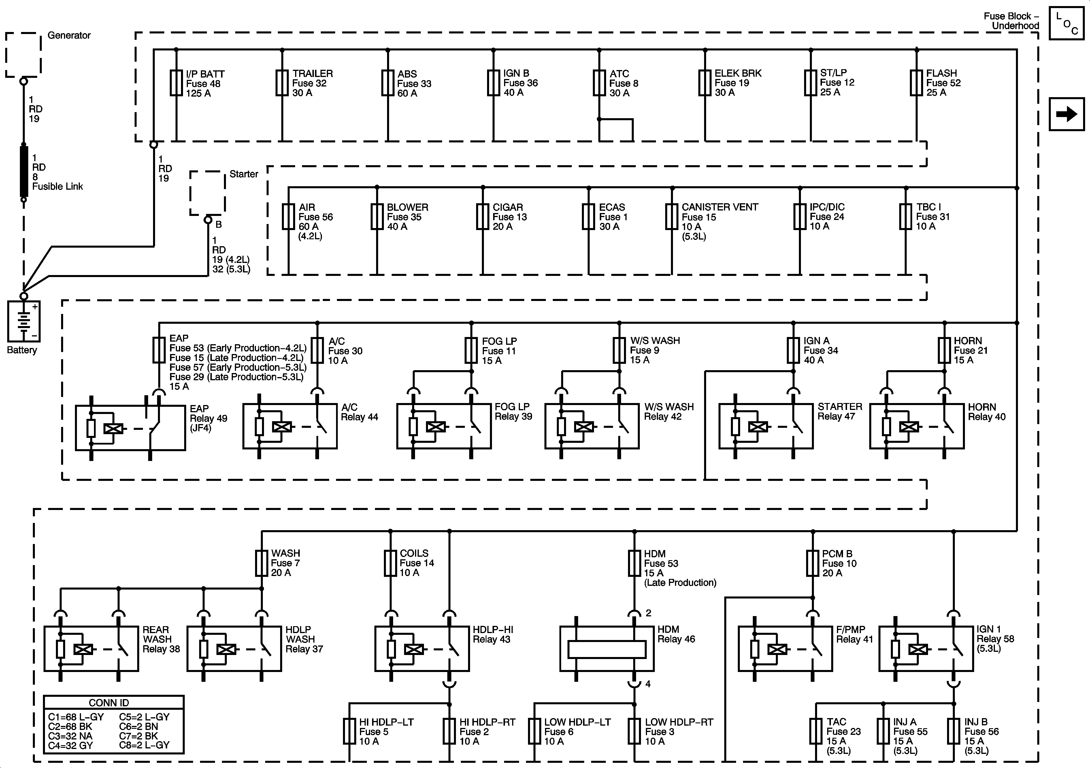
| Figure 5: |
CIGAR, ABS, ATC, BLOWER, ECAS, IPC/DIC, FLASH, ST/LP,
ELEK BRK, and TRAILER Fuses
|
| Figure 6: |
COILS, AIR, EAP, TBC 1, PCM B, LOW HDLP-RT, LOW
HDLP-LT, HI HDLP-LT, and HI HDLP-RT Fuses
|
| Figure 7: |
CANISTER VENT, TAC, INJ A and INJ B Fuses -
5.3L
|
| Figure 8: |
LGM/DSM, OH BATT/ONSTAR, RADIO, and HVAC B Fuses
|
| Figure 9: |
SUNROOF, AUX PWR 1, AUX PWR 2, RR HVAC, TBC 2, TBC
3, TBC 4, and TBC 5 Fuses
|
| Figure 10: |
DDM, PDM, AMP Fuses, SEATS, LT DOORS, and RT DOORS
Circuit Breakers
|
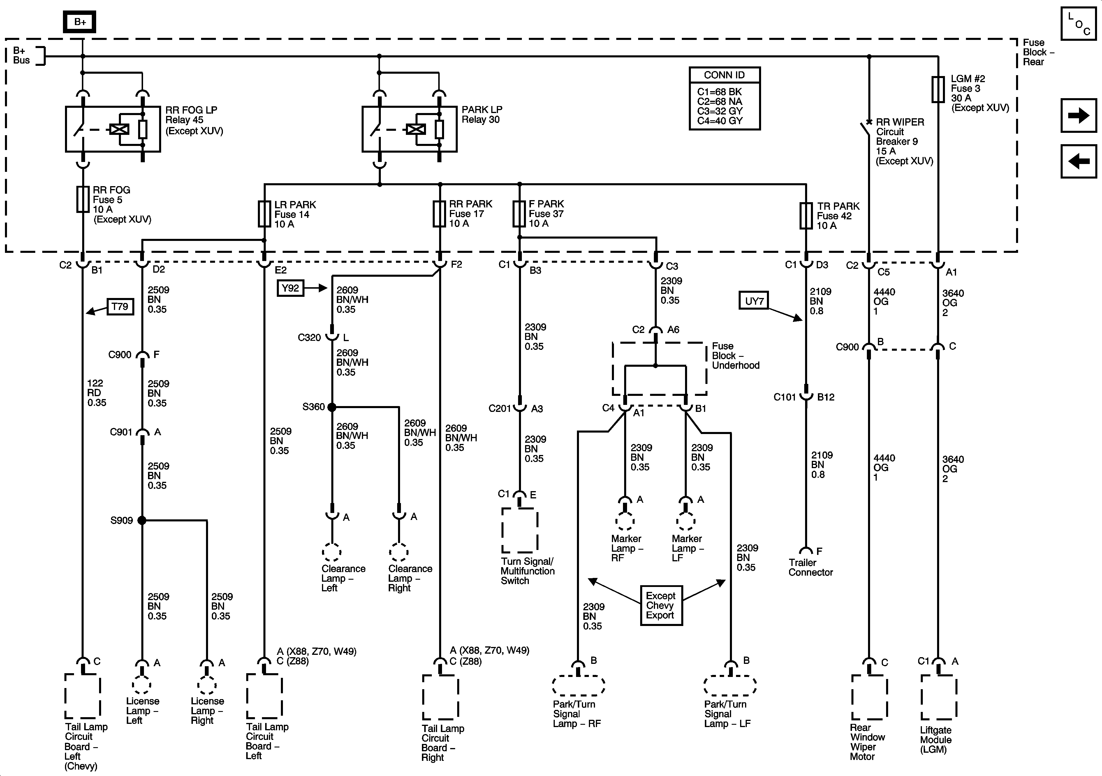
| Figure 11: |
RR FOG, LR PARK, TR PARK, RR PARK, F PARK, LGM #2
Fuses, and RR WIPER Circuit Breaker
|
| Figure 12: |
ROOF, PWR LATCH, EGM #2, and EGM/DSM Fuses, and
ROOF REG, MIDGATE REG, and ENDGLASS REG Circuit Breakers - XUV
|
| Figure 13: |
TRL L TRN, TRL R TRN, LT TURN, and RT TURN Fuses
|
| Figure 14: |
IGN 0, TBC IG, TBC ACC, FRT WPR, and RAIN Fuses
|
| Figure 15: |
IGN E, TBC IGN 1, BACKUP, BTSI, and TRLR B/U Fuses
|
| Figure 16: |
PCM I and AIR SOL Fuses - 4.2L
|
| Figure 17: |
PCM I, O2A, O2B, and ENG I Fuses - 5.3L
|
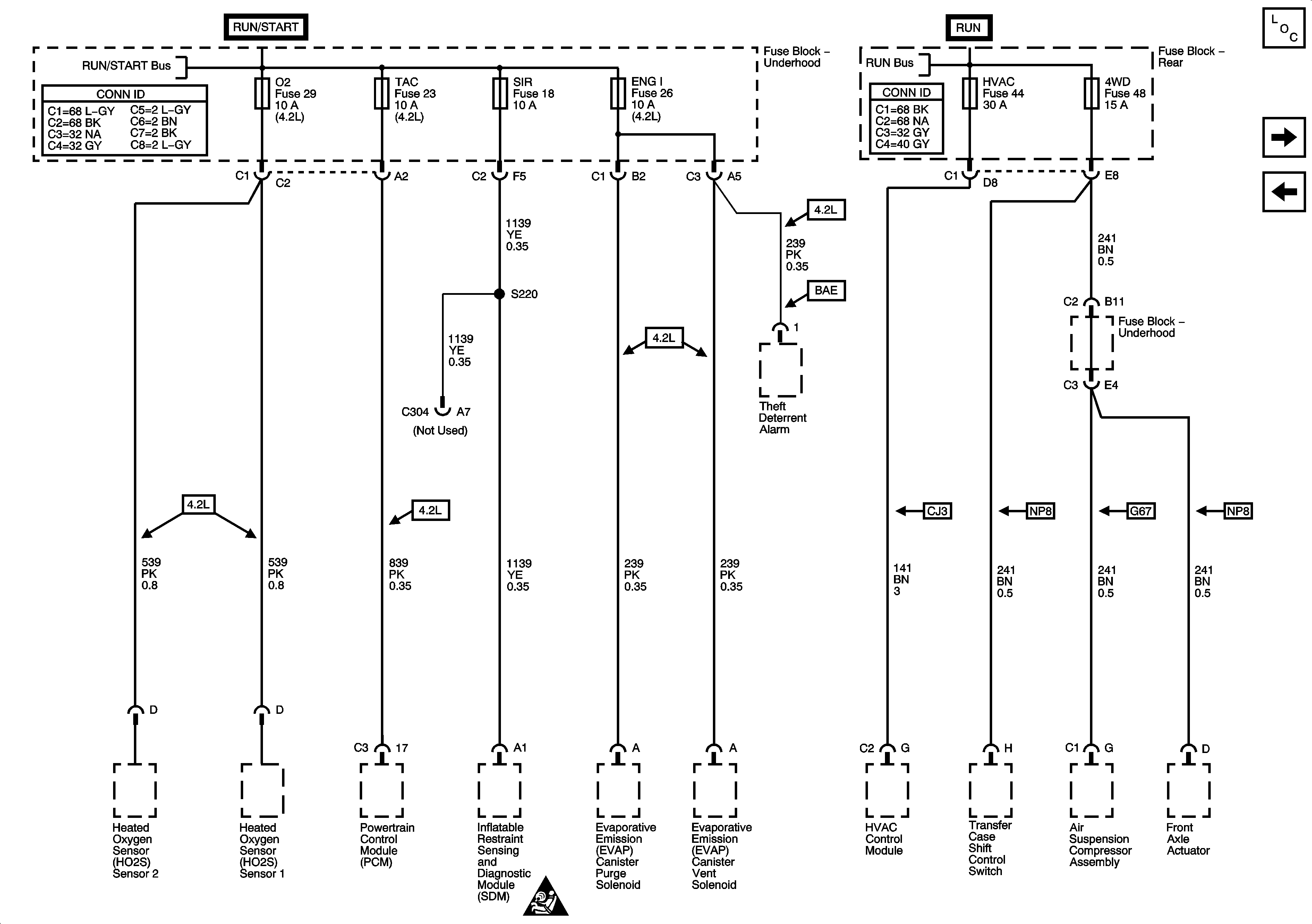
| Figure 18: |
O2, TAC, SIR, ENG I, HVAC, and 4WD Fuses
|
| Figure 19: |
HVAC I, BRAKE, and TBC RUN Fuses
|