GM Service Manual Online
For 1990-2009 cars only
Figure 1:

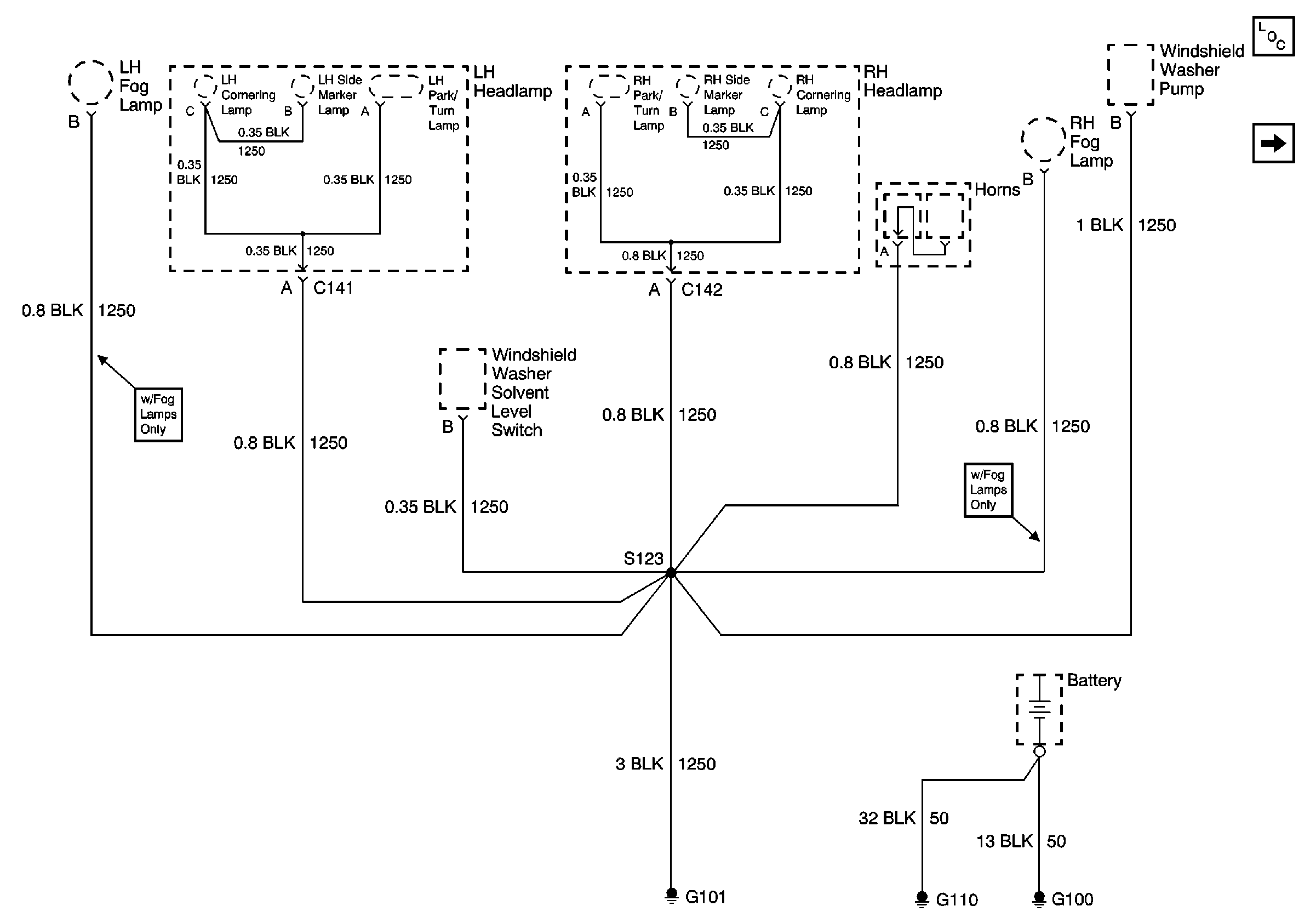
Grounds G100, G101, G110


Object Number: 588927  Size: FS
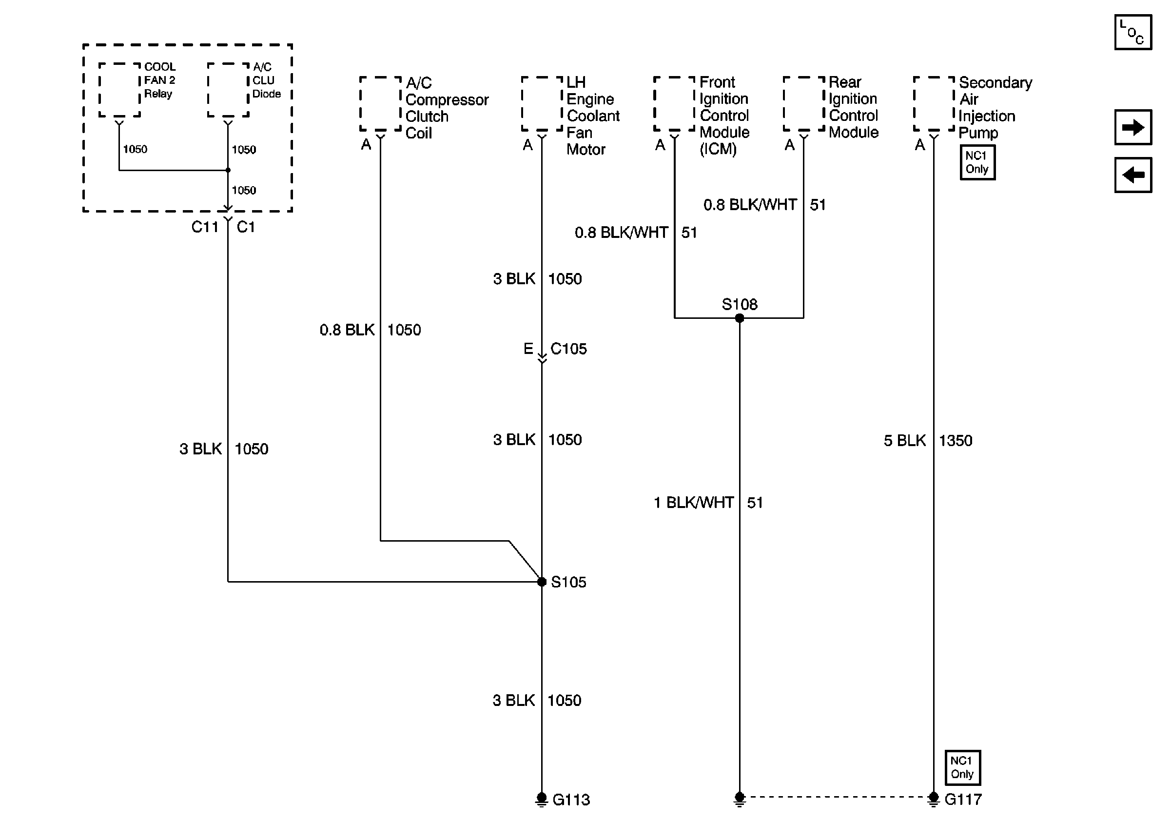
Power and Grounding Components
Ground G113
Figure 2:

Ground G113


Object Number: 588931  Size: FS
Power and Grounding Components
Ground G117
Grounds G100, G101, G110
Figure 3:

Ground G117


Object Number: 588935  Size: FS
Power and Grounding Components
Ground G119
Ground G113
Figure 4:

Ground G119


Object Number: 588937  Size: FS
Power and Grounding Components
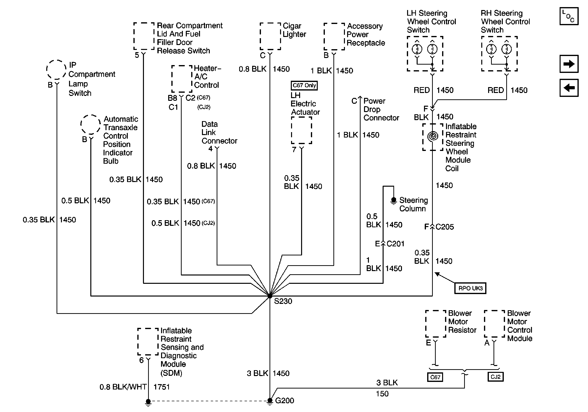
Ground G200
Ground G117
Figure 5:

Ground G200


Object Number: 588939  Size: FS
Power and Grounding Components
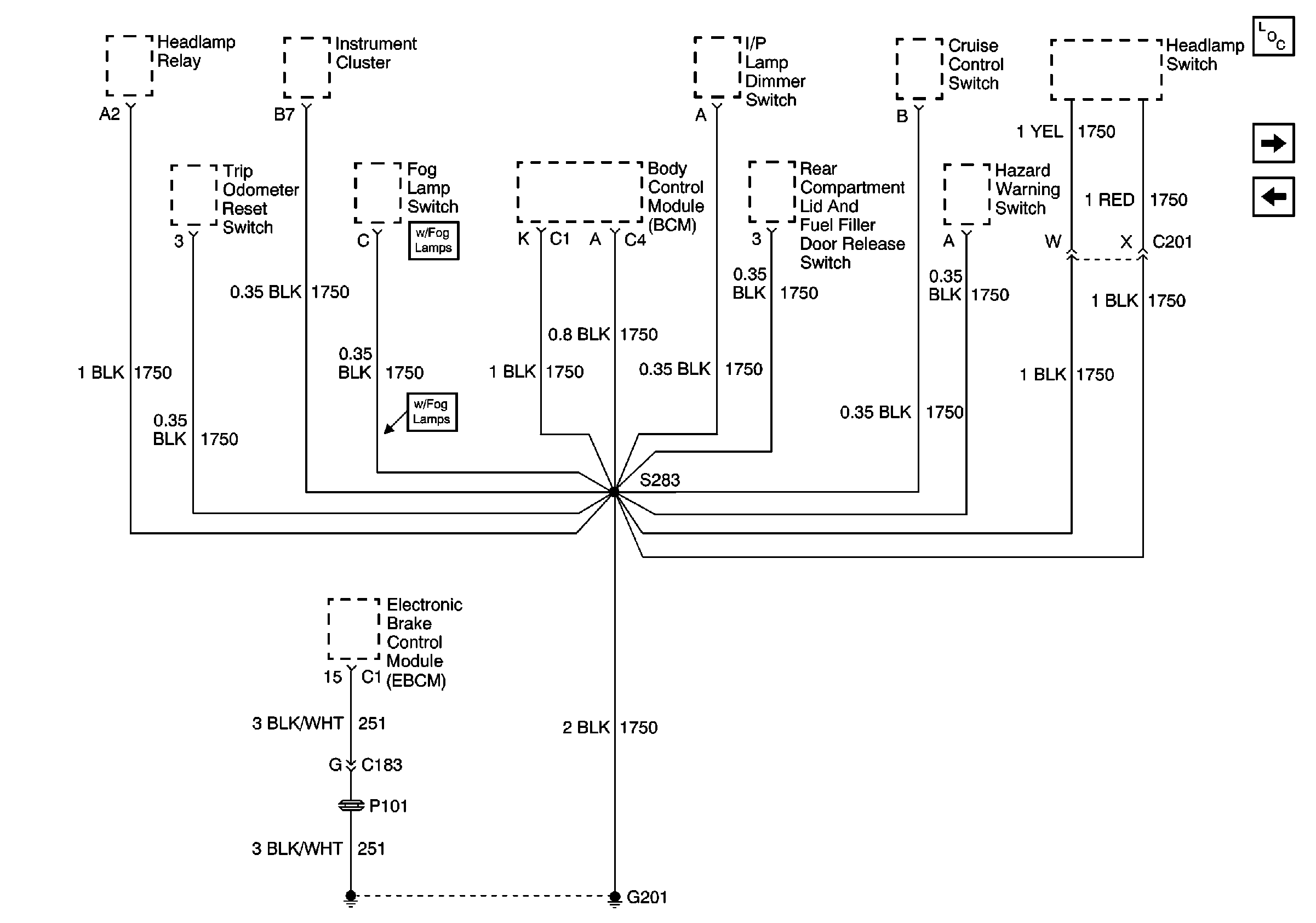
Ground G201
Ground G119
Figure 6:

Ground G201


Object Number: 588940  Size: FS
Power and Grounding Components
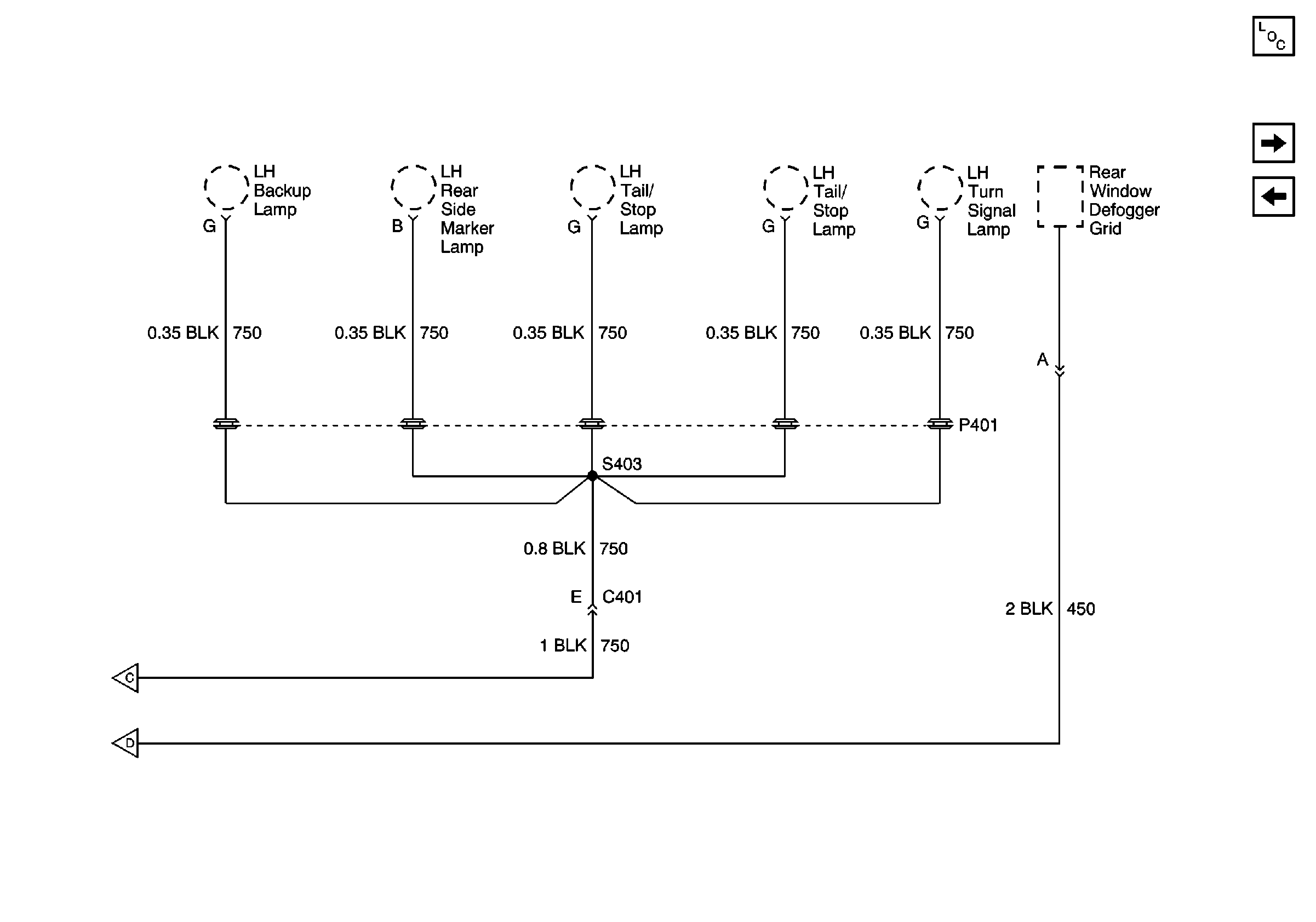
Ground G203
Ground G200
Figure 7:

Ground G203


Object Number: 588942  Size: FS
Power and Grounding Components
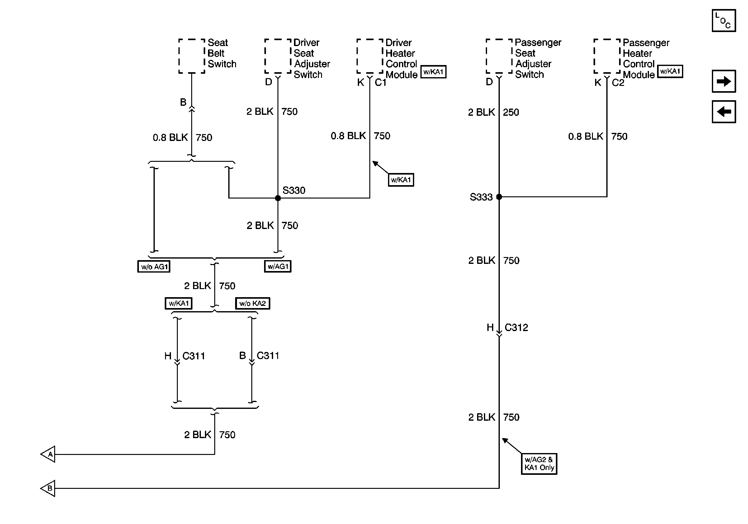
Ground G301 1 of 3
Ground G201
Figure 8:

Ground G301 1 of 3


Object Number: 588944  Size: FS
Power and Grounding Components
Ground G301 2 of 3
Ground G203
Figure 9:

Ground G301 2 of 3


Object Number: 588945  Size: FS
Power and Grounding Components
Ground G301 3 of 3
Ground G301 1 of 3
Figure 10:

Ground G301 3 of 3


Object Number: 588948  Size: FS
Power and Grounding Components
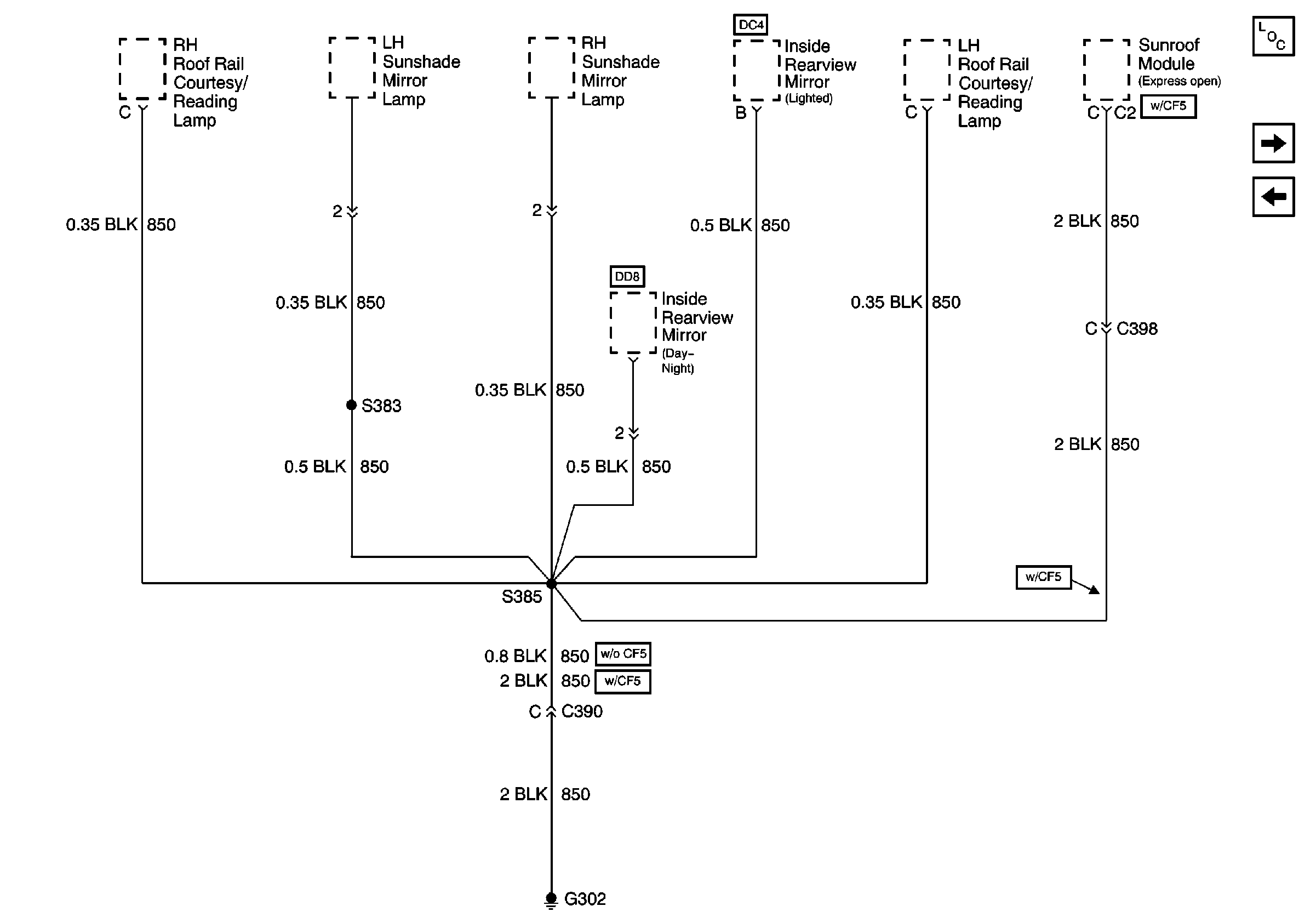
Ground G302 1 of 2
Ground G301 2 of 3
Figure 11:

Ground G302 1 of 2


Object Number: 588949  Size: FS
Power and Grounding Components
Ground G302 2 of 2
Ground G301 3 of 3
Figure 12:

Ground G302 2 of 2


Object Number: 588951  Size: FS
Power and Grounding Components
Ground G302 1 of 2