GM Service Manual Online
For 1990-2009 cars only
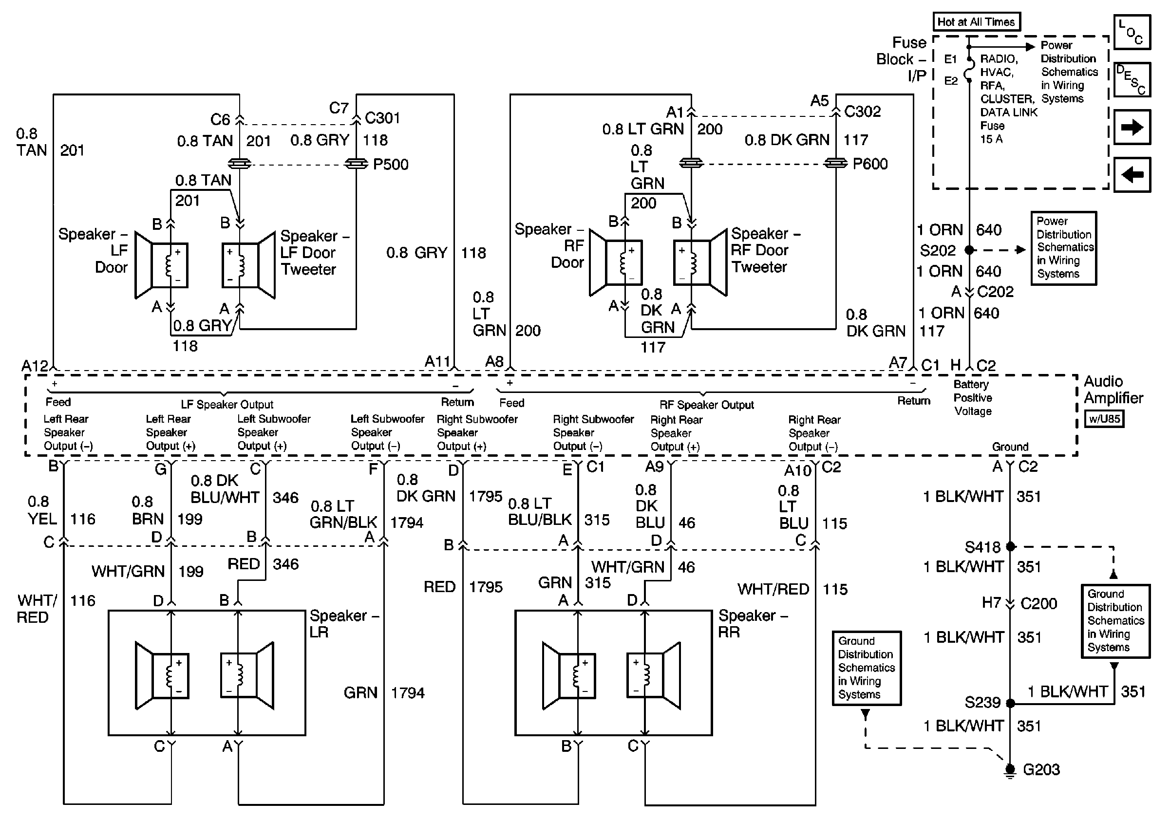
Figure 1:

Power and Ground


Object Number: 676431  Size: FS
Master Electrical Component List original
Radio/Audio System Description and Operation
Speakers UQ3
INADV POWER BUS/RAP, BCM, RADIO/HVAC/RFA/CLUSTER/DATA LINK, CIGAR LTR/AUXPOWER/POWER DROP Fuses and RAP Relay
IGN 1, PWR Windows/PWR Sunroof, Radio/Cruise, Power Drop and Wiper Fuses
IGN 1, PWR Windows/PWR Sunroof, Radio/Cruise, Power Drop and Wiper Fuses
INADV POWER BUS/RAP, BCM, RADIO/HVAC/RFA/CLUSTER/DATA LINK, CIGAR LTR/AUXPOWER/POWER DROP Fuses and RAP Relay
I/P Lamp Dimmer Switch
Ground G203
Ground G203
Ground G203
Steering Wheel Controls
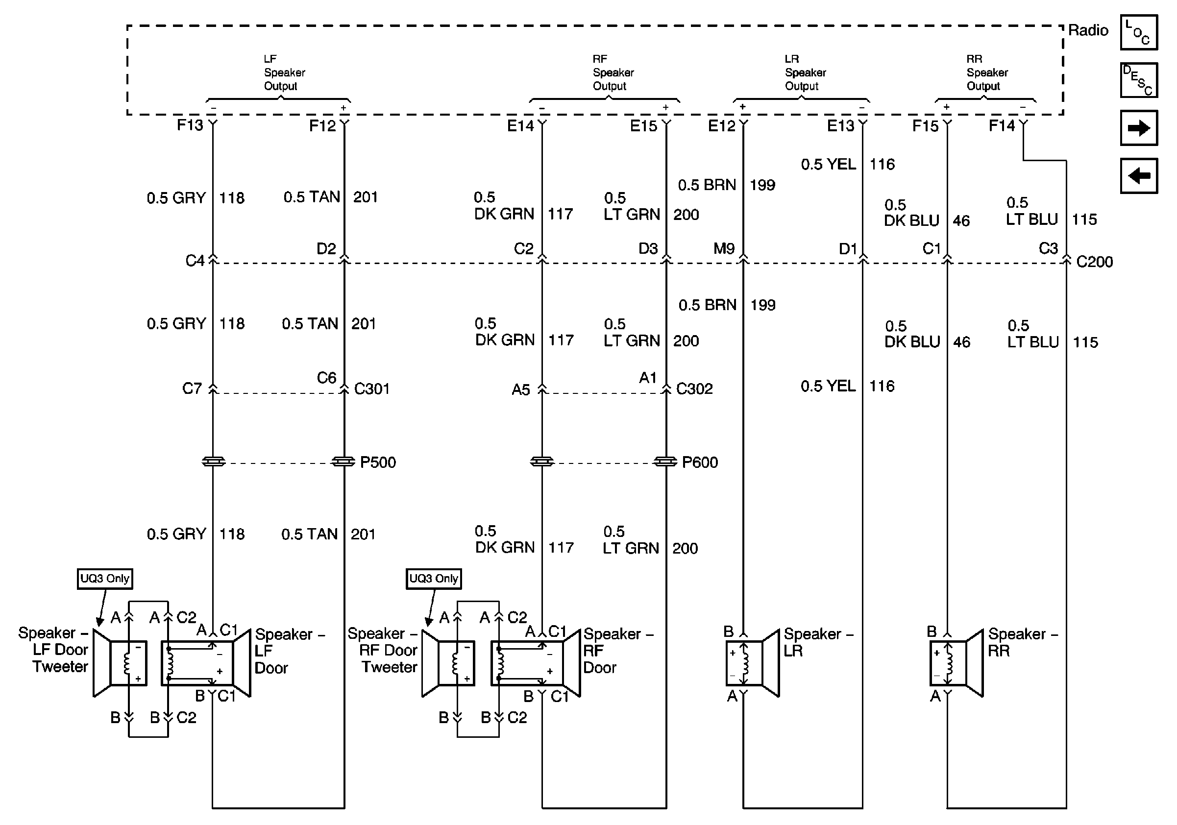
Figure 2:

Speakers UQ3


Object Number: 676435  Size: FS
Master Electrical Component List original
Radio/Audio System Description and Operation
Speakers U85
Power and Ground
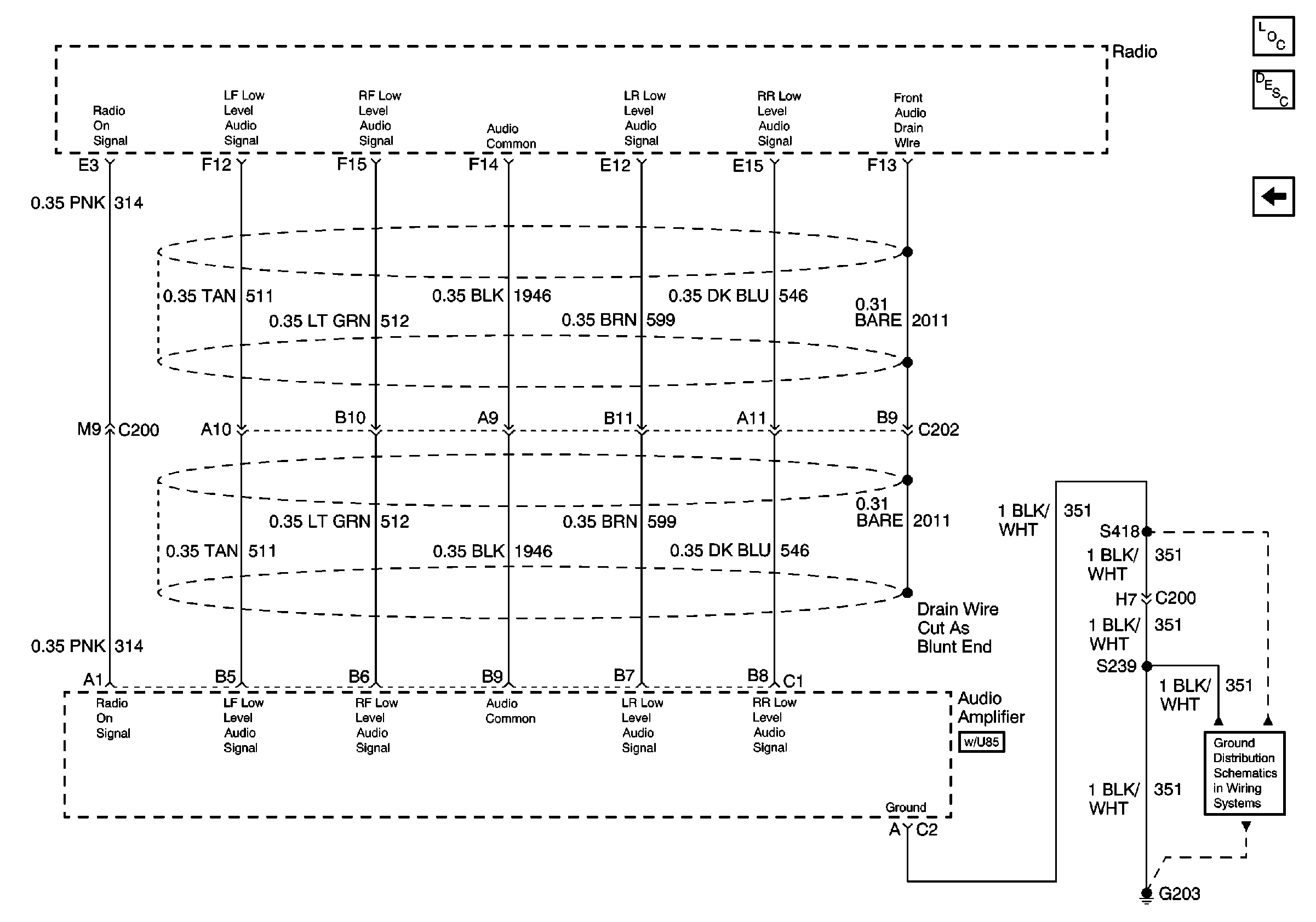
Figure 3:

Speakers U85


Object Number: 676436  Size: FS
Master Electrical Component List original
Radio/Audio System Description and Operation
Low Frequency Audio Amplifier
Speakers UQ3
INADV POWER BUS/RAP, BCM, RADIO/HVAC/RFA/CLUSTER/DATA LINK, CIGAR LTR/AUXPOWER/POWER DROP Fuses and RAP Relay
INADV POWER BUS/RAP, BCM, RADIO/HVAC/RFA/CLUSTER/DATA LINK, CIGAR LTR/AUXPOWER/POWER DROP Fuses and RAP Relay
Ground G203
Ground G203
Figure 4:

Low Frequency Audio Amplifier


Object Number: 676438  Size: FS
Master Electrical Component List original
Radio/Audio System Description and Operation
Speakers U85
Ground G203