GM Service Manual Online
For 1990-2009 cars only
Figure 1:

Turn Signal Lamps-Rear


Object Number: 796695  Size: FS
Master Electrical Component List
Exterior Lighting Systems Description and Operation
Turn Signal Lamps-Front
BTSI, TURN SIGNALS/CORN LPS, AIR BAG, CLUSTER, and PCM/BCM/U H RELAY Fuses
HIGH BLOWER, HAZARD, STOP LAMPS, DOOR LOCKS, and POWER MIRRORS Fuses
Instrument Panel
G201
G301 (1 of 3)
Turn Signal Lamps-Front
Turn Signal Lamps-Front
Turn Signal Lamps-Front
G302
Figure 2:

Turn Signal Lamps-Front


Object Number: 796698  Size: FS
Master Electrical Component List
Exterior Lighting Systems Description and Operation
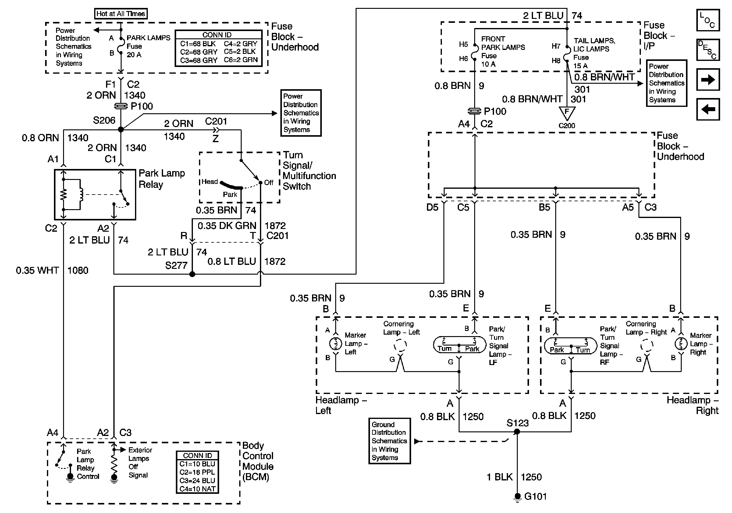
Park Lamps-Front
Turn Signal Lamps-Rear
Turn Signal Lamps-Rear
Turn Signal Lamps-Rear
Turn Signal Lamps-Rear
Turn Signal Lamps-Rear
G100, G101, G110
Figure 3:

Park Lamps-Front


Object Number: 796700  Size: FS
Master Electrical Component List
Exterior Lighting Systems Description and Operation
Park Lamps-Rear
Turn Signal Lamps-Front
Fuse Block-Underhood Bussing (1 of 2)
FRONT PARK LAMPS, TAIL LAMPS/LIC LAMPS, and PANEL DIMMING Fuses (1of 3)
Park Lamps-Rear
FRONT PARK LAMPS, TAIL LAMPS/LIC LAMPS, and PANEL DIMMING Fuses (1of 3)
G100, G101, G110
Figure 4:

Park Lamps-Rear


Object Number: 796701  Size: FS
Master Electrical Component List
Exterior Lighting Systems Description and Operation
Stop Lamps
Park Lamps-Front
Park Lamps-Front
G301 (3 OF 3)
G301 (1 of 3)
G302
G302
Figure 5:

Stop Lamps


Object Number: 796703  Size: FS
Master Electrical Component List
Exterior Lighting Systems Description and Operation
Backup Lamps
Park Lamps-Rear
HIGH BLOWER, HAZARD, STOP LAMPS, DOOR LOCKS, and POWER MIRRORS Fuses
Power, and Control Signals
ABS Indicator, Torque Signals, and Traction Control Switch
G301 (3 OF 3)
G302
G302
Figure 6:

Backup Lamps


Object Number: 796707  Size: FS
Master Electrical Component List
Exterior Lighting Systems Description and Operation
Stop Lamps
Fuse Block-Underhood Bussing (1 of 2)
Power, and Ground
G301 (3 OF 3)
G302
G301 (1 of 3)