GM Service Manual Online
For 1990-2009 cars only
Figure 1:

G100, G101, C110


Object Number: 784852  Size: FS
Master Electrical Component List
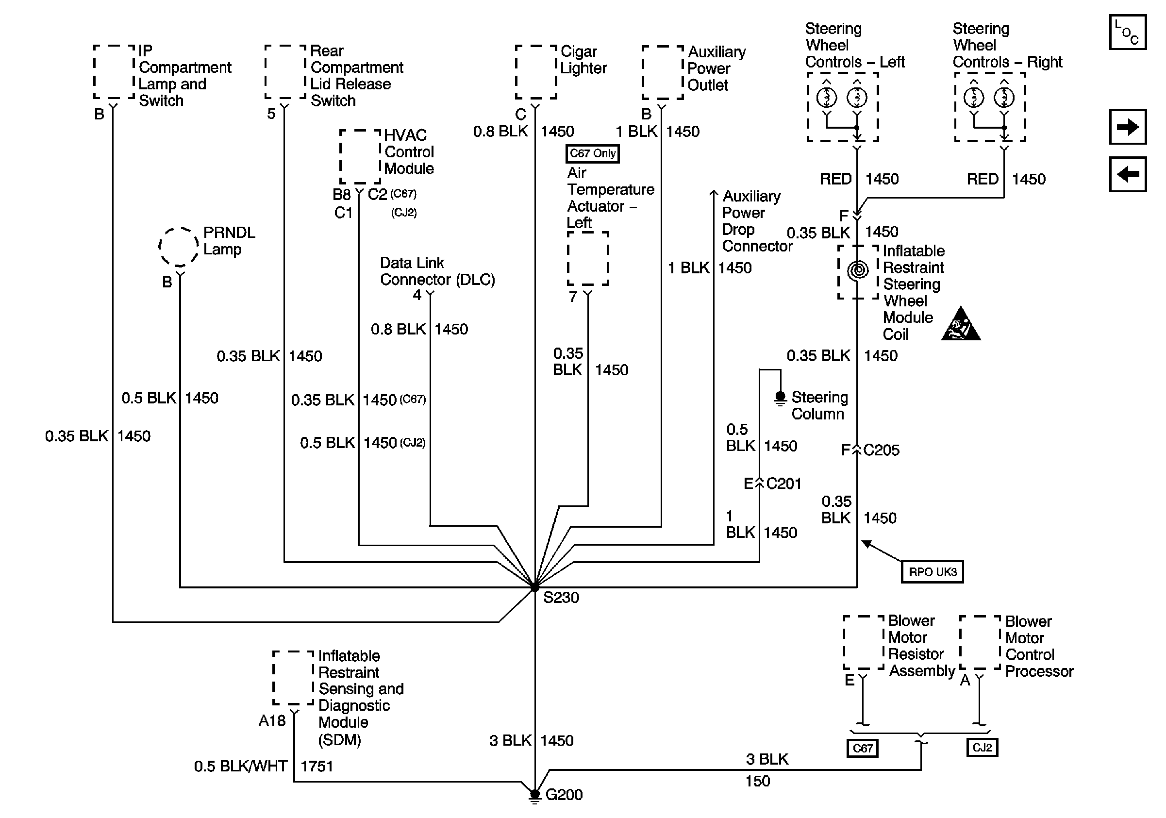
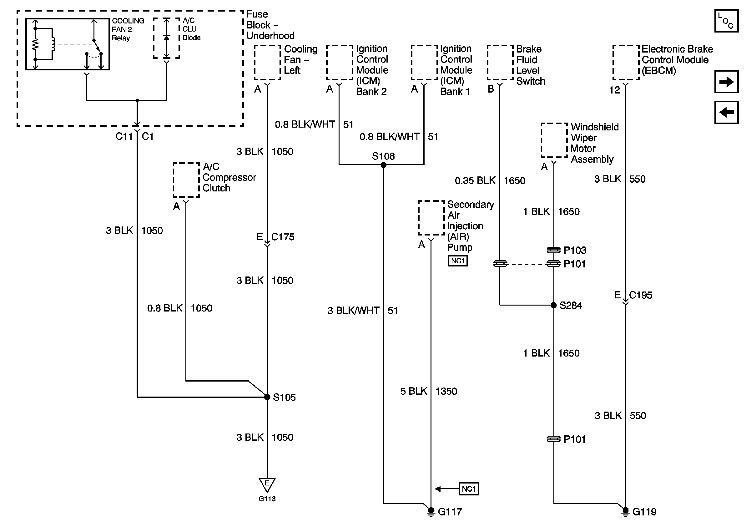
G113
Figure 2:

G113


Object Number: 784853  Size: FS
Master Electrical Component List
G113, G117, G119)
G100, G101, G110
G113, G117, G119)
Figure 3:

G113, G117, G119


Object Number: 784854  Size: FS
Master Electrical Component List
G200
G113
G113
Figure 4:

G200


Object Number: 784855  Size: FS
Master Electrical Component List
G201
G113, G117, G119)
Power and Grounding Schematic Icons
Figure 5:

G201


Object Number: 784856  Size: FS
Master Electrical Component List
G203
G200
Figure 6:

G203


Object Number: 784857  Size: FS
Master Electrical Component List
G301 (1 of 3)
G201
Figure 7:

G301 - 1 of 3


Object Number: 784858  Size: FS
Master Electrical Component List
G301 (2 of 3)
G203
G301 (2 of 3)
G301 (2 of 3)
G301 (3 OF 3)
G301 (3 OF 3)
Figure 8:

G301 - 2 of 3


Object Number: 784859  Size: FS
Master Electrical Component List
G301 (3 OF 3)
G301 (1 of 3)
G301 (1 of 3)
G301 (1 of 3)
Figure 9:

G301 - 3 of 3


Object Number: 682330  Size: FS
Master Electrical Component List
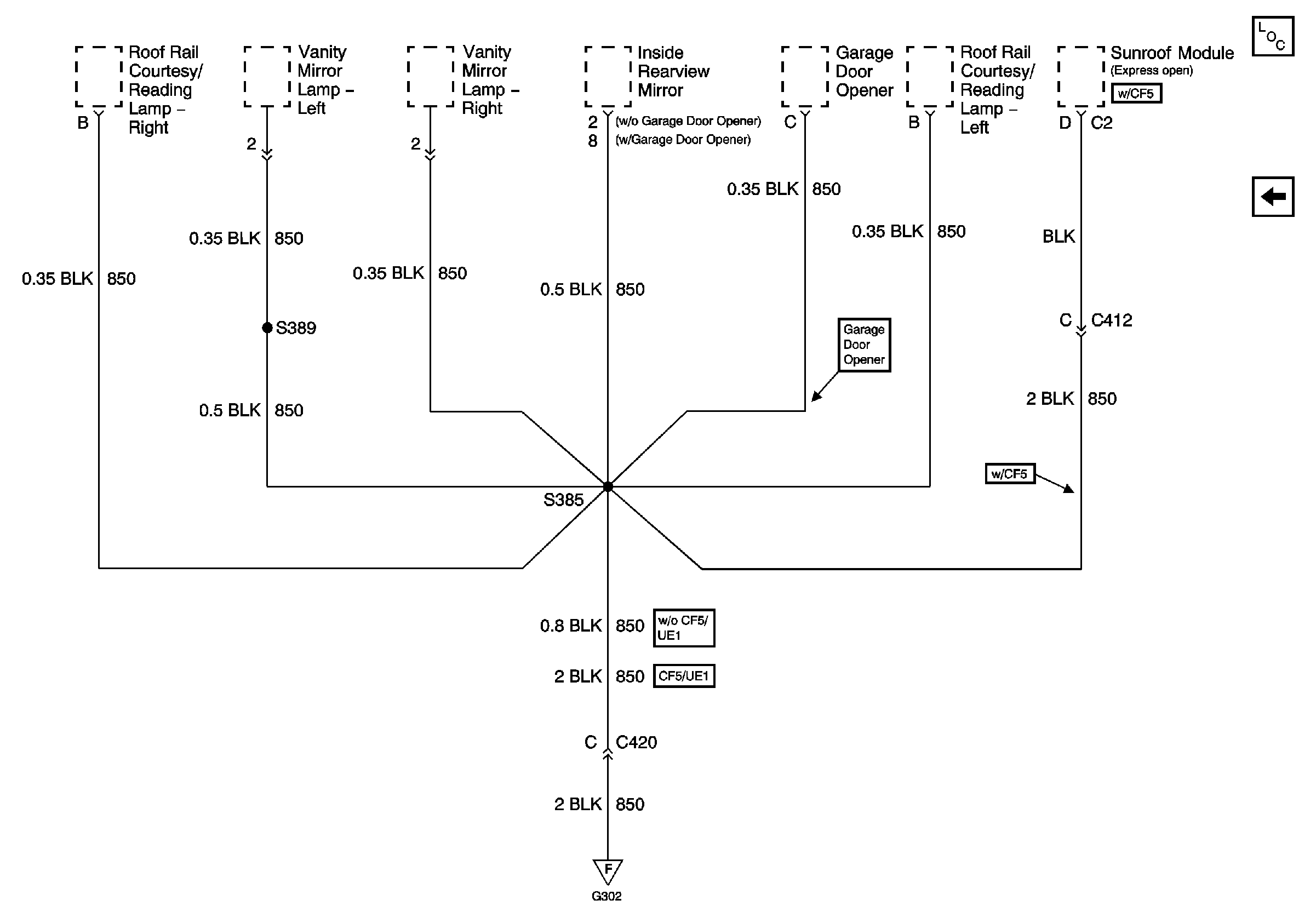
G302
G301 (2 of 3)
G301 (1 of 3)
G301 (1 of 3)
Figure 10:

G302 - 1 of 2


Object Number: 784861  Size: FS
Master Electrical Component List
G302
G301 (3 OF 3)
G302
Figure 11:

G302 - 2 of 2


Object Number: 784860  Size: FS
Master Electrical Component List
G302
G302