GM Service Manual Online
For 1990-2009 cars only

Refer to

Cell 20: Fuel Control (VIN K)


Object Number: 185908  Size: FS
Engine Controls Components
Powertrain Control Module Description
Cell 20: Fuel Control (VIN 1)
Cell 20: Ignition Control Module
OBD II Symbol Description Notice
Handling ESD Sensitive Parts Notice
Handling ESD Sensitive Parts Notice
Engine Controls Schematic References
Engine Controls Schematic References
Engine Controls Schematic References
Engine Controls Schematic References
Engine Controls Schematic References
Engine Controls Schematic References
Engine Controls Schematic References
Engine Controls Schematic References
Powertrain Control Module Connector End Views
or

Cell 20: Fuel Control (VIN 1)


Object Number: 185910  Size: FS
Engine Controls Components
Powertrain Control Module Description
Cell 20: Fuel Injectors
Cell 20: Fuel Control (VIN K)
OBD II Symbol Description Notice
Handling ESD Sensitive Parts Notice
Handling ESD Sensitive Parts Notice
Engine Controls Schematic References
Engine Controls Schematic References
Engine Controls Schematic References
Engine Controls Schematic References
Engine Controls Schematic References
Engine Controls Schematic References
Engine Controls Schematic References
Engine Controls Schematic References
Powertrain Control Module Connector End Views
for wiring diagrams.

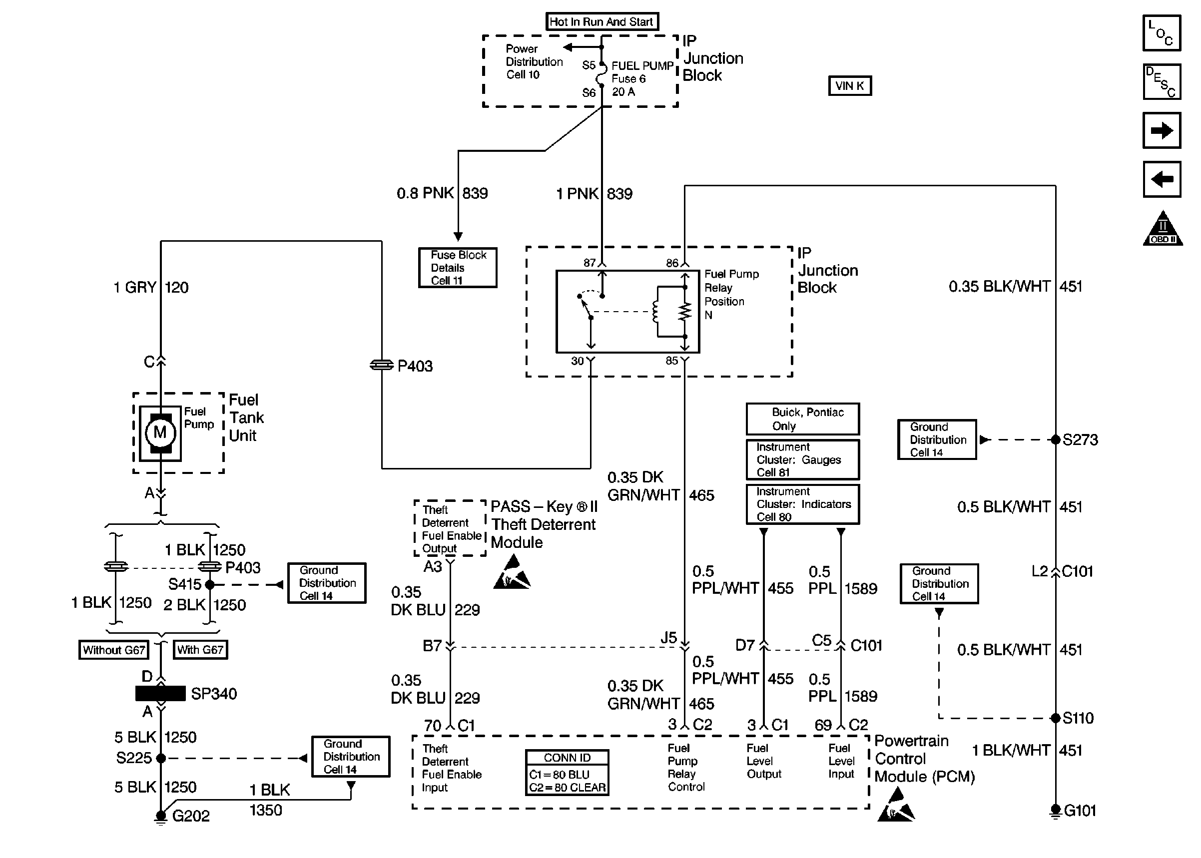
Circuit Description

The PCM provides ignition positive voltage to control the fuel pump relay. The PCM has the ability to detect an electrical malfunction on the relay control circuit. When the ignition switch is first turned ON, the PCM energizes the fuel pump relay which applies power to the fuel pump. The fuel pump relay will remain ON as long as the engine is running or cranking and the PCM is receiving reference pulses. If no reference pulses are present, the PCM de-energizes the fuel pump relay within 2 seconds after the ignition is turned ON or the engine is stopped. With the engine stopped, the fuel pump can be turned ON by using the scan tool output controls function. If an electrical malfunction is detected, the PCM will set DTC P0230.

Conditions for Running the DTC

The ignition is ON.

Conditions for Setting the DTC

    • The PCM detects an electrical malfunction on the fuel pump relay control circuit.
    • The condition is present for 0.5 second.

Diagnostic Aids

An intermittent may be caused by a poor connection, rubbed through the wire insulation or a wire broken inside of the insulation.

Check for the following conditions:

    • Poor connections at the PCM or fuel pump relay.
        Inspect harness connectors for backed out terminals, improper mating, broken locks, improperly formed or damaged terminals, and poor terminal to wire connection.
    • Damaged harness
        Inspect the wiring harness for damage.

Reviewing the Fail Records vehicle mileage since the diagnostic test last failed may help determine how often the condition that caused the DTC to be set occurs. This may assist in diagnosing the condition.

Test Description

The numbers below refer to the step numbers on the diagnostic table.

  1. Ensures that the fuel pump relay control circuit and the PCM are not shorted to voltage.

  2. This vehicle is equipped with a PCM which utilizes an Electrically Erasable Programmable Read Only Memory (EEPROM). When the PCM is being replaced, the new PCM must be programmed. Refer to Powertrain Control Module Replacement/Programming .

DTC P0230 -- Fuel Pump Relay Control Circuit

Step

Action

Values

Yes

No

1

Was the Powertrain On-Board Diagnostic (OBD) System Check performed?

--

Go to Step 2

Go to Powertrain On Board Diagnostic (OBD) System Check

2

  1. Remove the fuel pump relay. Refer to Fuel Pump Relay Replacement .
  2. Probe the fuel pump relay control circuit at the fuel pump relay connector with a test lamp connected to ground.
  3. Turn the igniton switch ON with the engine OFF.

Is the test lamp on more than 2 seconds?

--

Go to Step 3

Go to Step 4

3

  1. Turn the ignition switch OFF.
  2. Disconnect the PCM.
  3. Turn the ignition switch on.
  4. Check the fuel pump relay control circuit for a short to voltage and repair if necessary. Refer to Wiring Repairs in Wiring Systems.

Was a problem found?

--

Go to Step 13

Go to Step 12

4

  1. Select special functions on the scan tool.
  2. Select engine output controls on the scan tool.
  3. Select fuel pump on the scan tool.
  4. Observe the test lamp while commanding the fuel pump ON.

Does the test lamp turn on when the fuel pump is commanded ON?

--

Go to Step 6

Go to Step 5

5

  1. Turn the ignition switch off.
  2. Disconnect the PCM.
  3. Check the fuel pump relay control circuit for an open or short to ground and repair if necessary. Refer to Wiring Repairs in Wiring Systems.

Was a problem found?

--

Go to Step 13

Go to Step 7

6

Probe the fuel pump relay ground circuit with a test lamp connected to B+.

Is the test lamp ON?

--

Go to Step 8

Go to Step 10

7

Check for a poor terminal connection at the PCM and replace terminals if necessary. Refer to Repairing Connector Terminals in Wiring Systems.

Was a Problem Found?

--

Go to Step 13

Go to Step 12

8

Check for a poor terminal connection at the fuel pump relay and replace terminals if necessary. Refer to Repairing Connector Terminals in Wiring Systems.

Was a problem found?

--

Go to Step 13

Go to Step 11

9

Locate and repair short to voltage in the fuel pump relay control circuit. Refer to Wiring Repairs in Wiring Systems.

Is the action complete?

--

Go to Step 13

--

10

Locate and repair open in the fuel pump relay ground circuit. Refer to Wiring Repairs in Wiring Systems.

Is action complete?

--

Go to Step 13

--

11

Replace the fuel pump relay. Refer to Fuel Pump Relay Replacement .

Is action complete?

--

Go to Step 13

--

12

Important: : The replacement PCM must be programmed.

Replace the PCM.

Refer to Powertrain Control Module Replacement/Programming .

Is action complete?

--

Go to Step 13

--

13

  1. Review and record scan tool Fail Records data.
  2. Clear the DTCs.
  3. Operate the vehicle within Fail Records conditions.
  4. Using a scan tool, monitor Specific DTC info for DTC P0230.

Does the scan tool indicate DTC P0230 failed this ignition?

--

Go to Step 2

System OK