GM Service Manual Online
For 1990-2009 cars only
Figure 1:

Module/Power, Ground, Serial Data, MIL


Object Number: 1950137  Size: FS
Master Electrical Component List
Control Module References
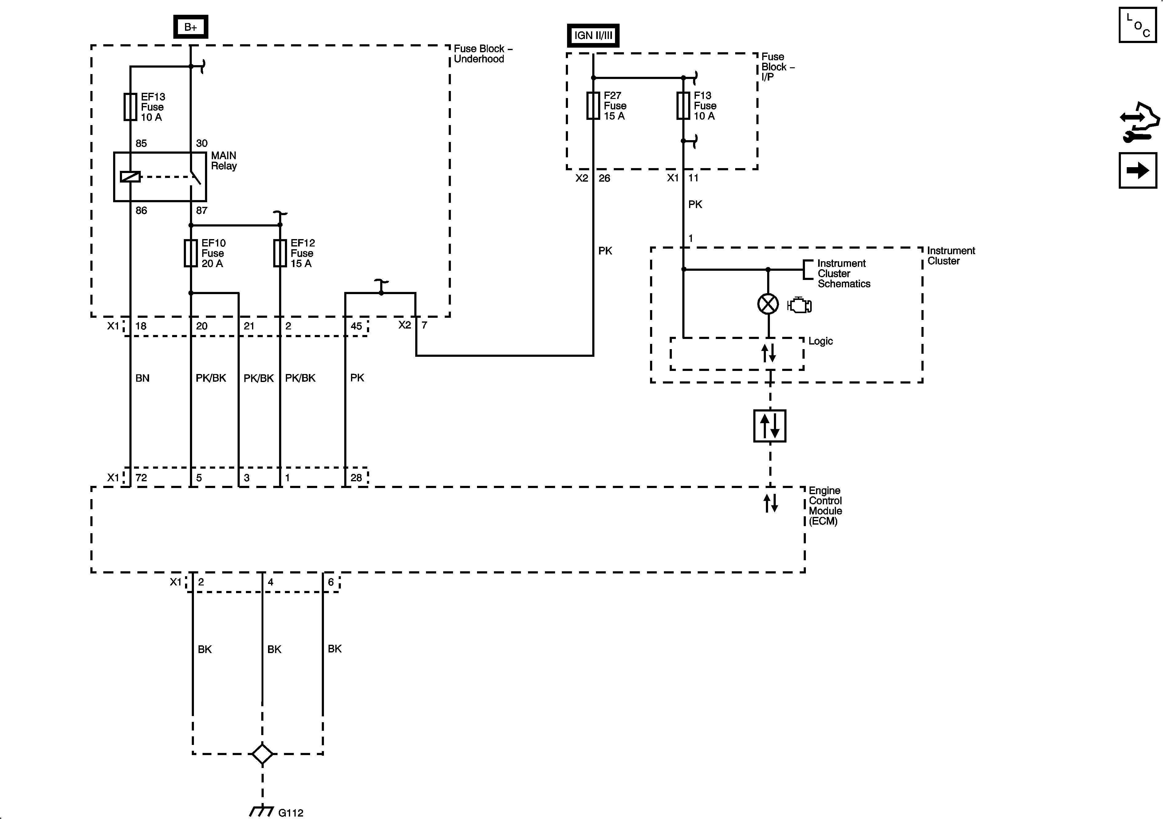
Pressure and Temperature Sensors
EF10, 11, 12, 13, 15 Fuses, Main Relay (2.0L)
EF7, F6, 8, 9, 13, 17, 20, 25, 27, 29 Fuses, Run/Crank, Rear Fog Lamps, Outside Rearview Mirror, liftgate Glass Relays
EF7, F6, 8, 9, 13, 17, 20, 25, 27, 29 Fuses, Run/Crank, Rear Fog Lamps, Outside Rearview Mirror, liftgate Glass Relays
EF10, 11, 12, 13, 15 Fuses, Main Relay (2.0L)
EF7, F6, 8, 9, 13, 17, 20, 25, 27, 29 Fuses, Run/Crank, Rear Fog Lamps, Outside Rearview Mirror, liftgate Glass Relays
Power, Ground, Gages
Data Link Connector (DLC)
G102, G202, G203, G204
Figure 2:

Pressure and Temperature Sensors


Object Number: 1950159  Size: FS
Master Electrical Component List
Control Module References
Electronic Throttle Control, EGR, Exhaust Gas Temperature Sensor, Switch Inputs
Module Power, Ground, Serial Data,, MIL
EF7, F6, 8, 9, 13, 17, 20, 25, 27, 29 Fuses, Run/Crank, Rear Fog Lamps, Outside Rearview Mirror, liftgate Glass Relays
EF10, 11, 12, 13, 15 Fuses, Main Relay (2.0L)
G106 (2.0L Diesel)
G106 (2.0L Diesel)
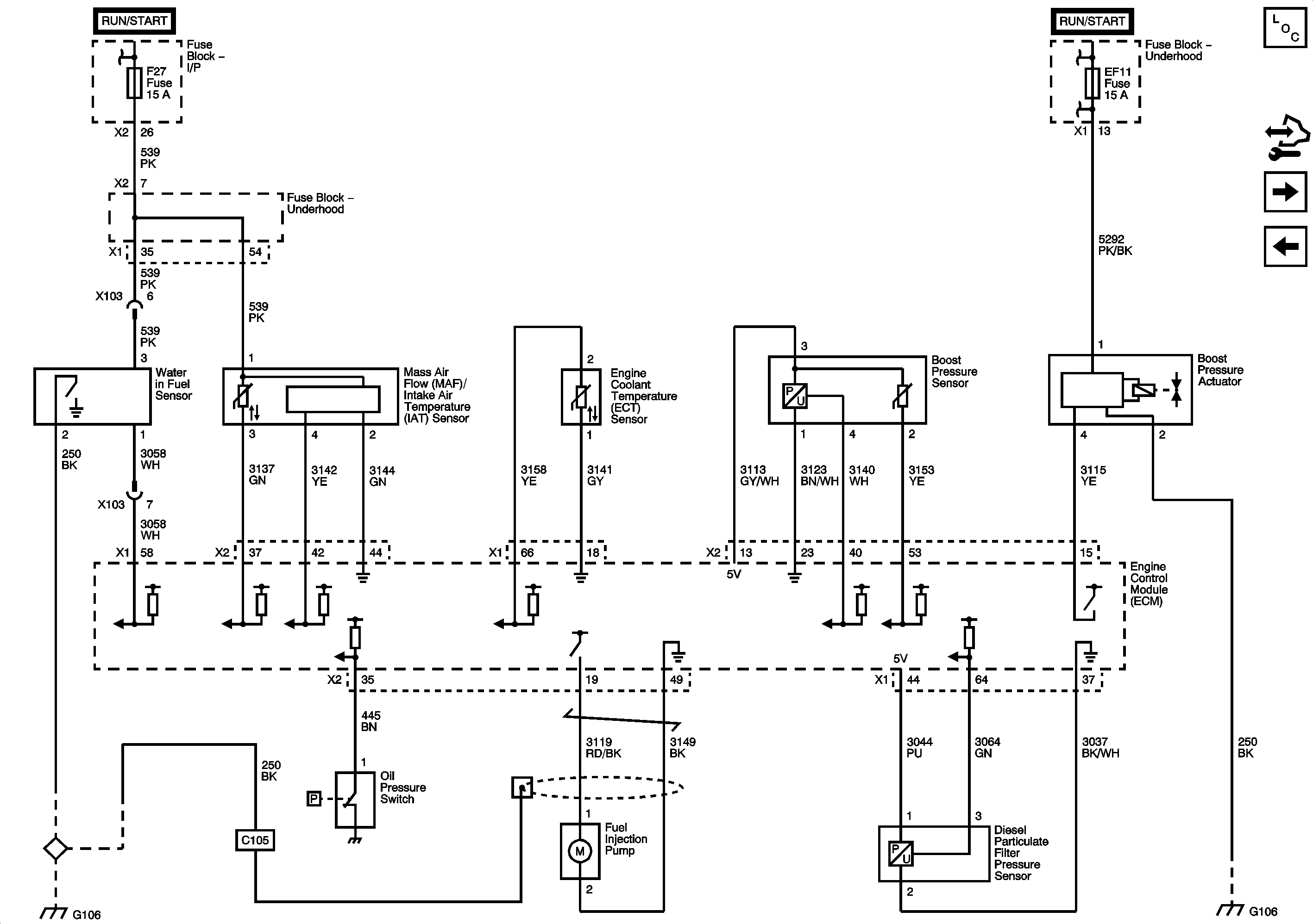
Figure 3:

Electronic Throttle Control, EGR, Exhaust Gas Temperature Sensor, Switch Inputs


Object Number: 1950163  Size: FS
Master Electrical Component List
Control Module References
Glow Plug Control, CMP, CKP Sensors
Pressure and Temperature Sensors
EF10, 11, 12, 13, 15 Fuses, Main Relay (2.0L)
EF10, 11, 12, 13, 15 Fuses, Main Relay (2.0L)
EF1, 4, 16, 18, 19, 20, 23 Fuses
Park Lamps
G106 (2.0L Diesel)
Figure 4:

Glow Plug Control, CMP, CKP Sensors


Object Number: 1950164  Size: FS
Master Electrical Component List
Control Module References
Fuel System (1 of 2)
Electronic Throttle Control, EGR, Exhaust Gas Temperature Sensor, Switch Inputs
AF1, 2, 3, 4, 5, Fuses, Fuel Filter Heater, PTC1, PTC2, PTC3 Relays
EF10, 11, 12, 13, 15 Fuses, Main Relay (2.0L)
EF7, F6, 8, 9, 13, 17, 20, 25, 27, 29 Fuses, Run/Crank, Rear Fog Lamps, Outside Rearview Mirror, liftgate Glass Relays
G106 (2.0L Diesel)
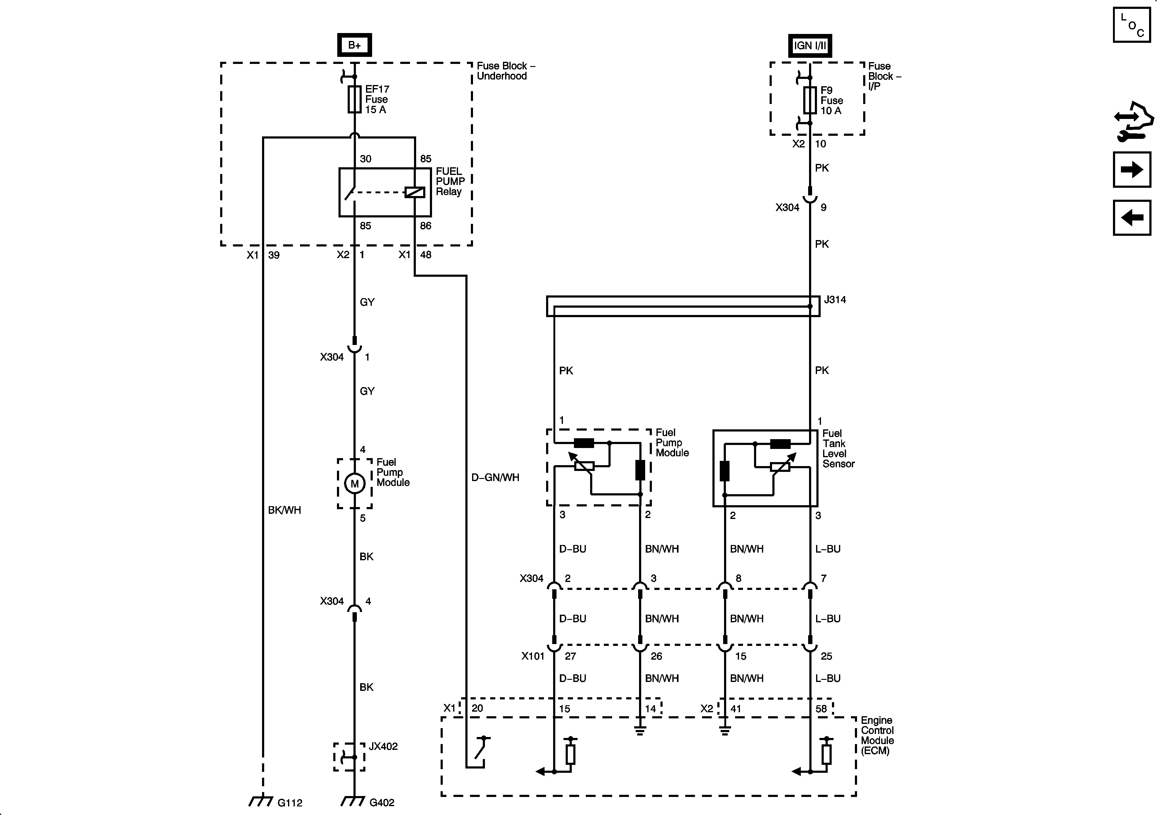
Figure 5:

Fuel System (1 of 2)


Object Number: 1950165  Size: FS
Master Electrical Component List
Control Module References
Fuel System (2 of 2)
Glow Plug Control, CMP, CKP Sensors
EF5, 13, 16, 24, 31, 32 Fuses, Starter, Park Lamps, Fuel Pump Relays
EF7, F6, 8, 9, 13, 17, 20, 25, 27, 29 Fuses, Run/Crank, Rear Fog Lamps, Outside Rearview Mirror, liftgate Glass Relays
G102, G202, G203, G204
G402
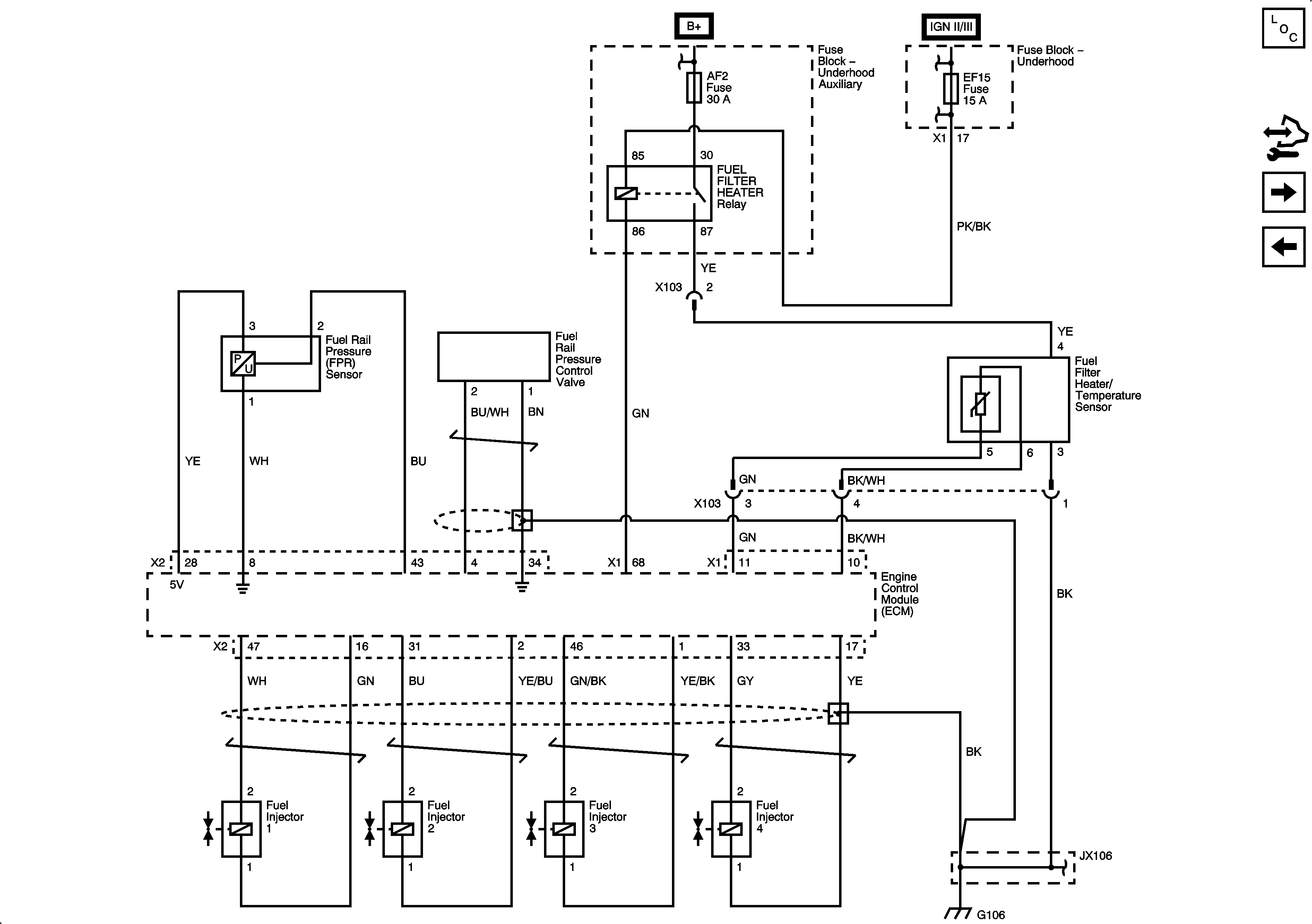
Figure 6:

Fuel System (2 of 2)


Object Number: 1950168  Size: FS
Master Electrical Component List
Control Module References
PTC Heater
Fuel System (1 of 2)
AF1, 2, 3, 4, 5, Fuses, Fuel Filter Heater, PTC1, PTC2, PTC3 Relays
EF10, 11, 12, 13, 15 Fuses, Main Relay (2.0L)
G106 (2.0L Diesel)
Figure 7:

PTC Heater


Object Number: 1950170  Size: FS
Master Electrical Component List
Control Module References
Controlled/Monitored Subsystem References
Fuel System (2 of 2)
EF3, F1, 2, 10, 15, 18, 33, 37, 39 Fuses, Run, ACC/RAP Relays
EF3, F1, 2, 10, 15, 18, 33, 37, 39 Fuses, Run, ACC/RAP Relays
G102, G202, G203, G204
Figure 8:

Controlled/ Monitored Subsystem References


Object Number: 1950173  Size: FS
Master Electrical Component List
Control Module References
PTC Heater
Charging System
Stop and Backup Lamps
Compressor Controls
Compressor Controls
Engine Cooling Schematics