GM Service Manual Online
For 1990-2009 cars only
Makes
🢒
Opel
🢒
2007
🢒
GT
🢒
Engine
🢒
Engine Electrical
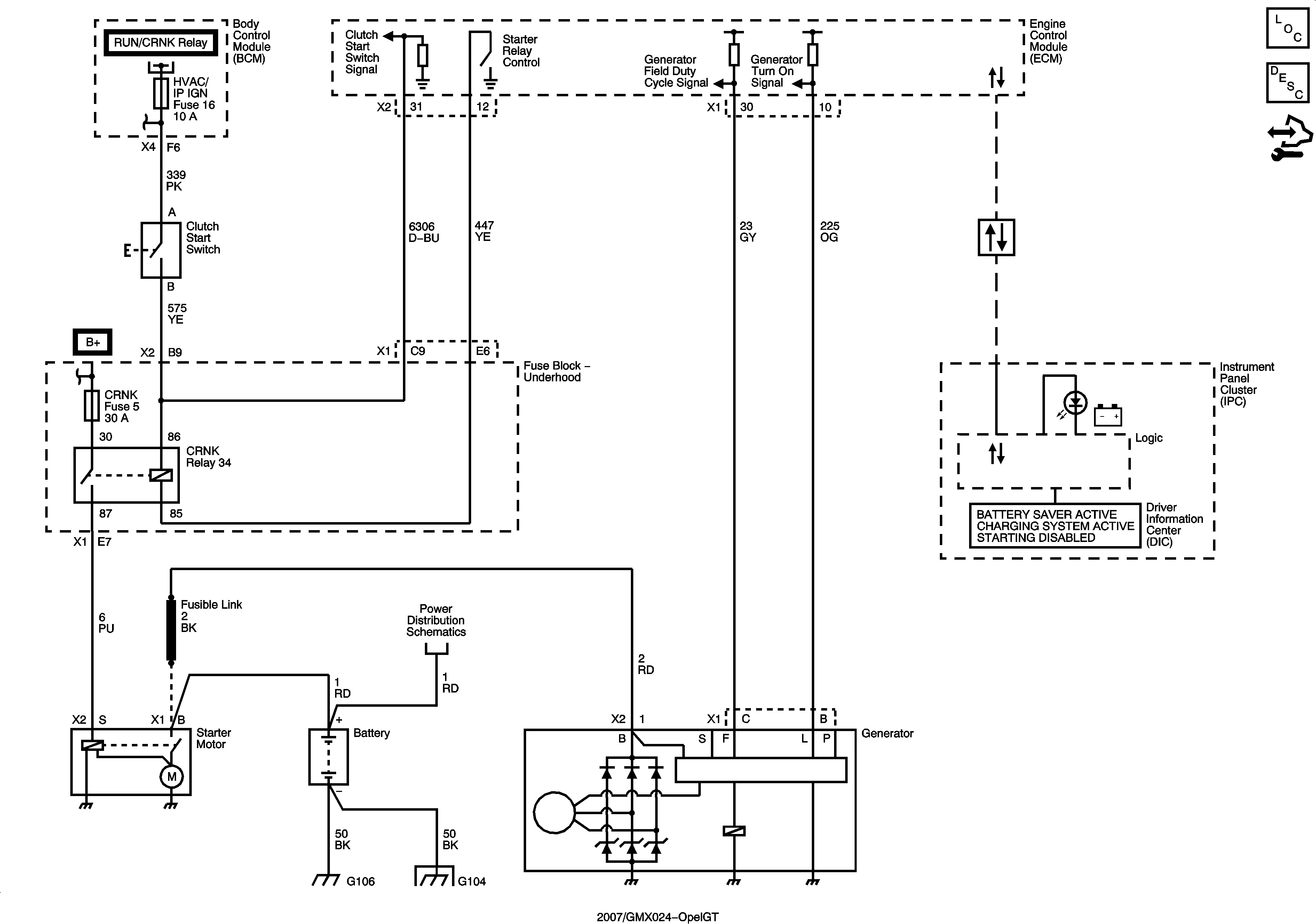
🢒 Starting and Charging Schematics
Master Electrical Component List
Starting System Description and Operation
Control Module References
TANK VENT, OUTLET, IP IGN, BACKUP, ABS, and ECM TRANS Fuses
Data Communication Schematics
B+ Bus Bar - 2 of 2
B+ Bus Bar - 1 of 2
G103, G304, G105, G104, and G106