GM Service Manual Online
For 1990-2009 cars only
Figure 1:

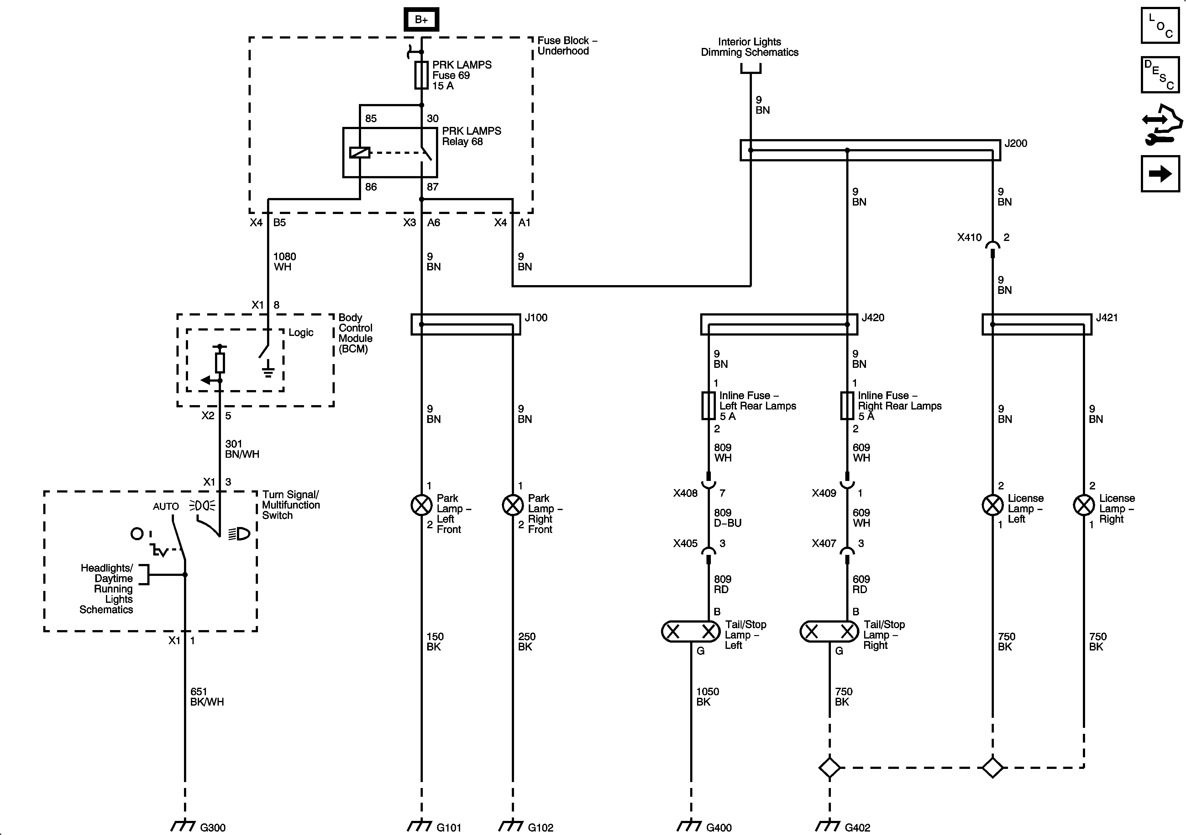
Park Lamps


Object Number: 1910232  Size: FS
Master Electrical Component List
Exterior Lighting Systems Description and Operation
Control Module References
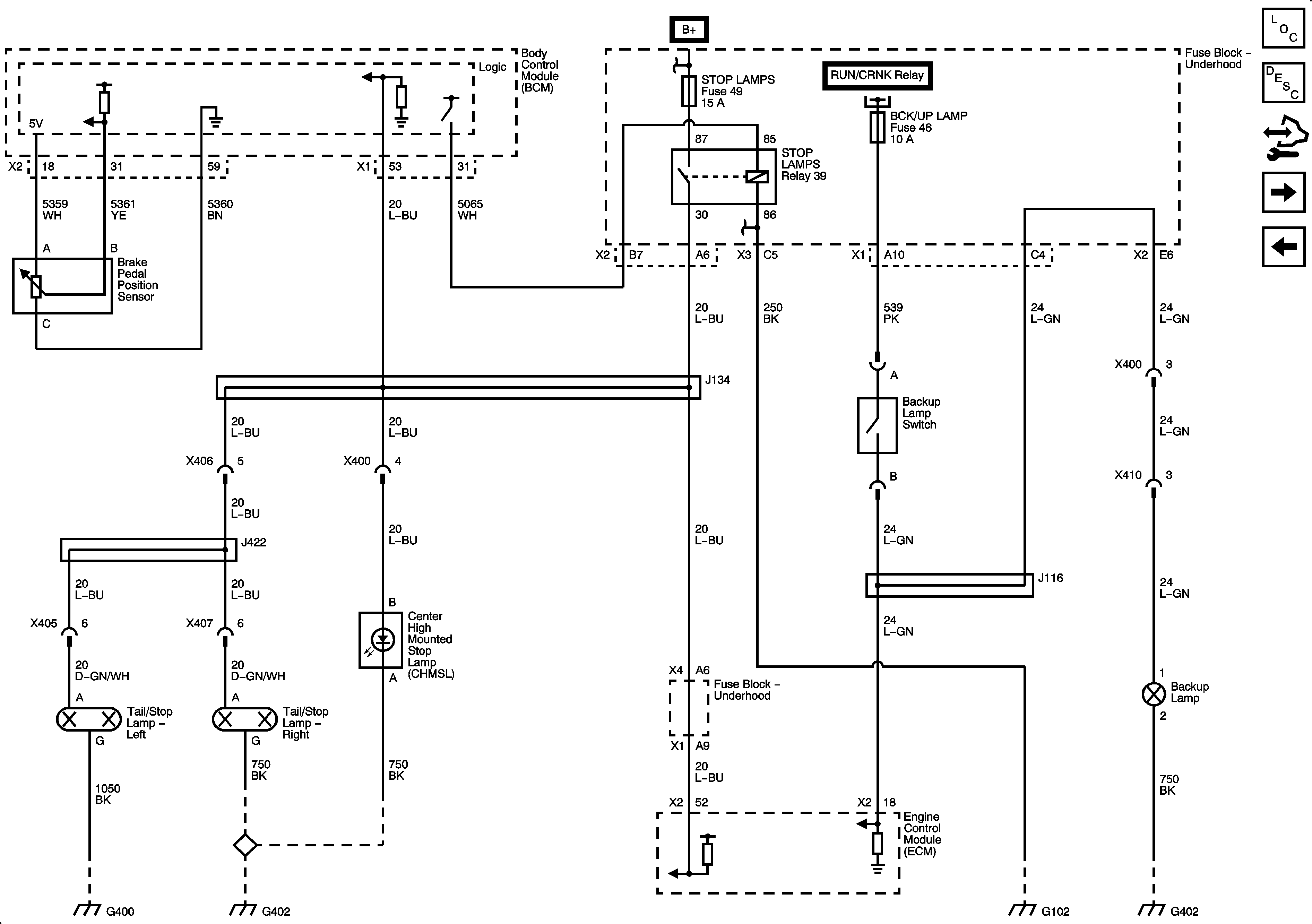
Backup Lamp and Stop Lamps
Dimmer Switch
B+ Bar - 2 of 2
Headlights/Daytime Running Lights (DRL) Schematics
G300 - 1 of 2
G101 and G102
G101 and G102
G301, G302, G303, G400, G402
G301, G302, G303, G400, G402
Figure 2:

Backup Lamp and Stop Lamps


Object Number: 1910227  Size: FS
Master Electrical Component List
Exterior Lighting Systems Description and Operation
Control Module References
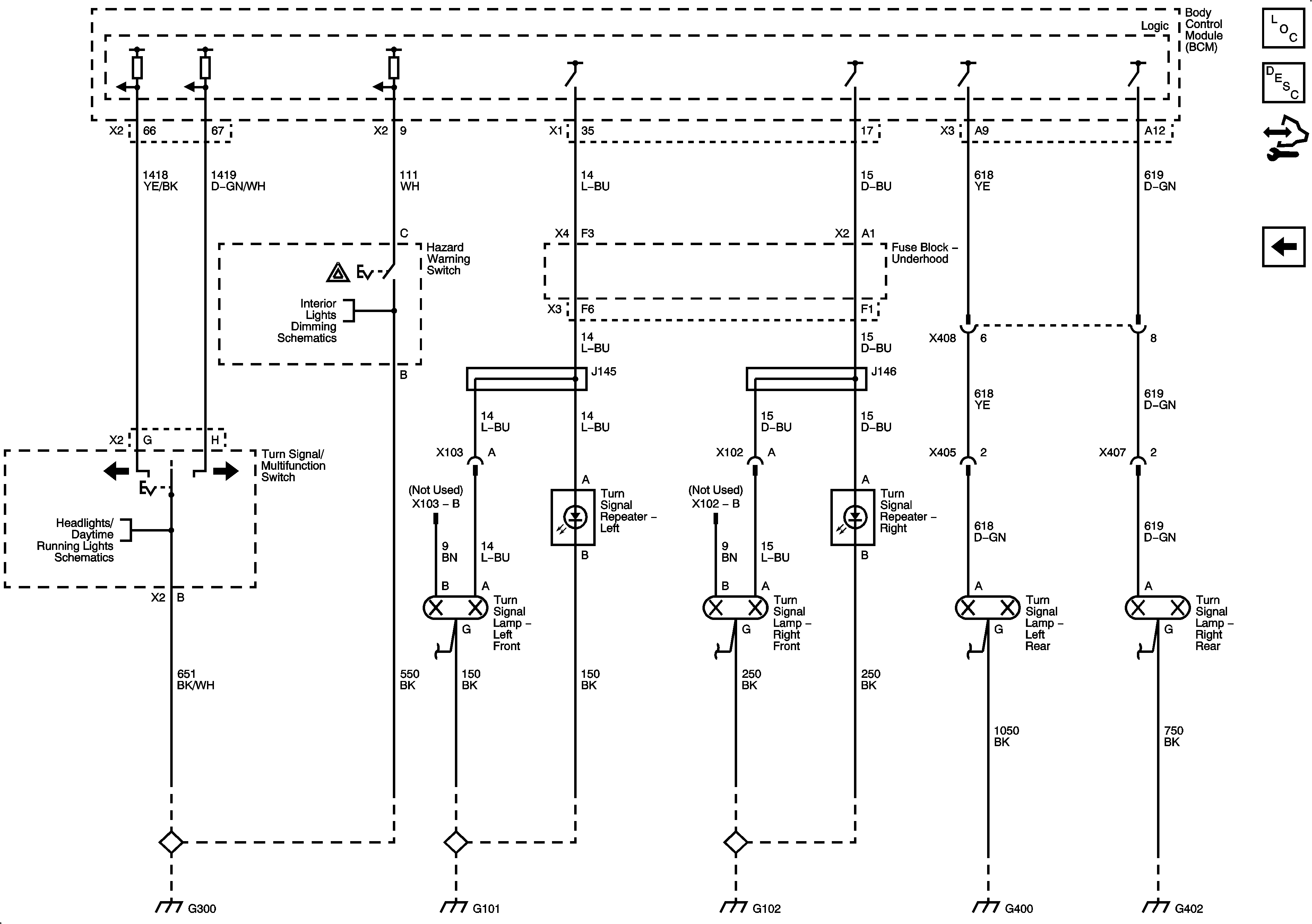
Turn Signals and Hazard Lamps
Park Lamps
B+ Bar - 1 of 2
ECM/TRANS, I/P/ IGN, OUTLET/LTR, AIRBAG, EPS/STR WHL CNTRL, HVAC/IP IGN, WPR, CAN VENT, BCK/UP LAMP, and ABS Fuses
ECM/TRANS, I/P/ IGN, OUTLET/LTR, AIRBAG, EPS/STR WHL CNTRL, HVAC/IP IGN, WPR, CAN VENT, BCK/UP LAMP, and ABS Fuses
G301, G302, G303, G400, G402
G301, G302, G303, G400, G402
G101 and G102
G301, G302, G303, G400, G402
Figure 3:

Turn Signals and Hazard Lamps


Object Number: 1910230  Size: FS
Master Electrical Component List
Exterior Lighting Systems Description and Operation
Control Module References
Backup Lamp and Stop Lamps
Lights
Headlights/Daytime Running Lights (DRL) Schematics
G300 - 1 of 2
G101 and G102
G101 and G102
G301, G302, G303, G400, G402
G301, G302, G303, G400, G402