GM Service Manual Online
For 1990-2009 cars only
Makes
🢒
Opel
🢒
2008
🢒
GT
🢒
Brakes
🢒
Antilock Brake System
🢒 Antilock Brake System Schematics
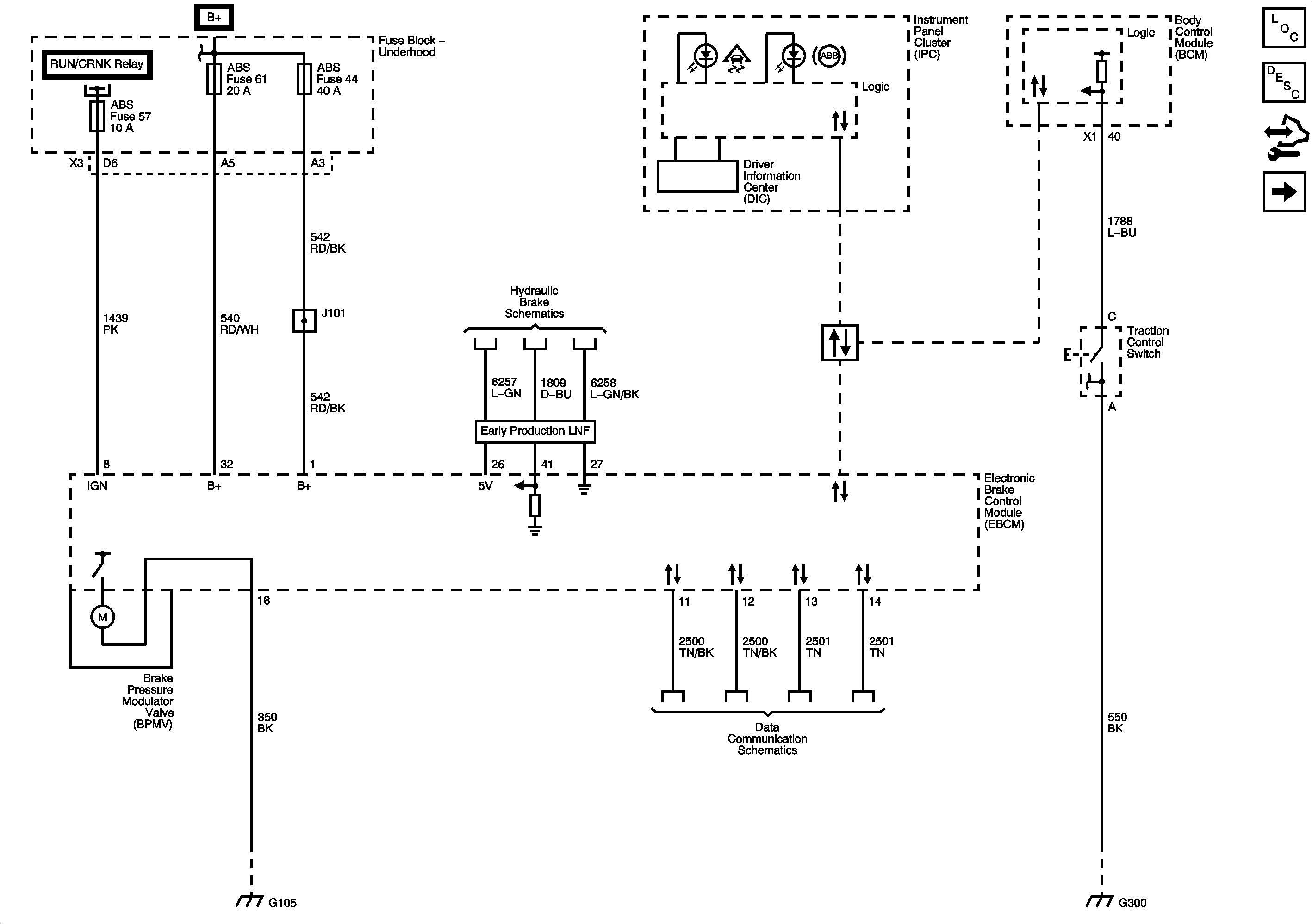
Figure
1:
Module Power, Ground and Indicator
Master Electrical Component List
ABS Description and Operation
Control Module References
Sensors
Hydraulic Brakes Schematics
Data Communication Schematics
G300 - 2 of 2
High Speed LAN
G103, G104, G105, G106, G304
ECM/TRANS, I/P/ IGN, OUTLET/LTR, AIRBAG, EPS/STR WHL CNTRL, HVAC/IP IGN, WPR, CAN VENT, BCK/UP LAMP, and ABS Fuses
ECM/TRANS, I/P/ IGN, OUTLET/LTR, AIRBAG, EPS/STR WHL CNTRL, HVAC/IP IGN, WPR, CAN VENT, BCK/UP LAMP, and ABS Fuses
ABS, ABS/BCM, MIR, COOL FAN, RKE Fuses and PWR SEATS Circuit Breaker
Figure
2:
Sensors
Master Electrical Component List
ABS Description and Operation
Control Module References
Module Power, Ground, and Indicator
Engine Data Sensors - Oxygen Sensors