GM Service Manual Online
For 1990-2009 cars only
Makes
🢒
Opel
🢒
2008
🢒
GT
🢒 Power, Ground, Data Link and MIL
Power, Ground, Data Link and MIL
Power, Ground, Data Link, and MIL
Master Electrical Component List
Engine Control Module Description
Control Module References
5-Volt and Low Reference
BCM, DR LCK, ECM/TCM. INT LIGHT, PWR WNDW, RDO and SDM Fuses
ECM/TRANS, I/P/ IGN, OUTLET/LTR, AIRBAG, EPS/STR WHL CNTRL, HVAC/IP IGN, WPR, CAN VENT, BCK/UP LAMP, and ABS Fuses
ECM/TRANS, I/P/ IGN, OUTLET/LTR, AIRBAG, EPS/STR WHL CNTRL, HVAC/IP IGN, WPR, CAN VENT, BCK/UP LAMP, and ABS Fuses
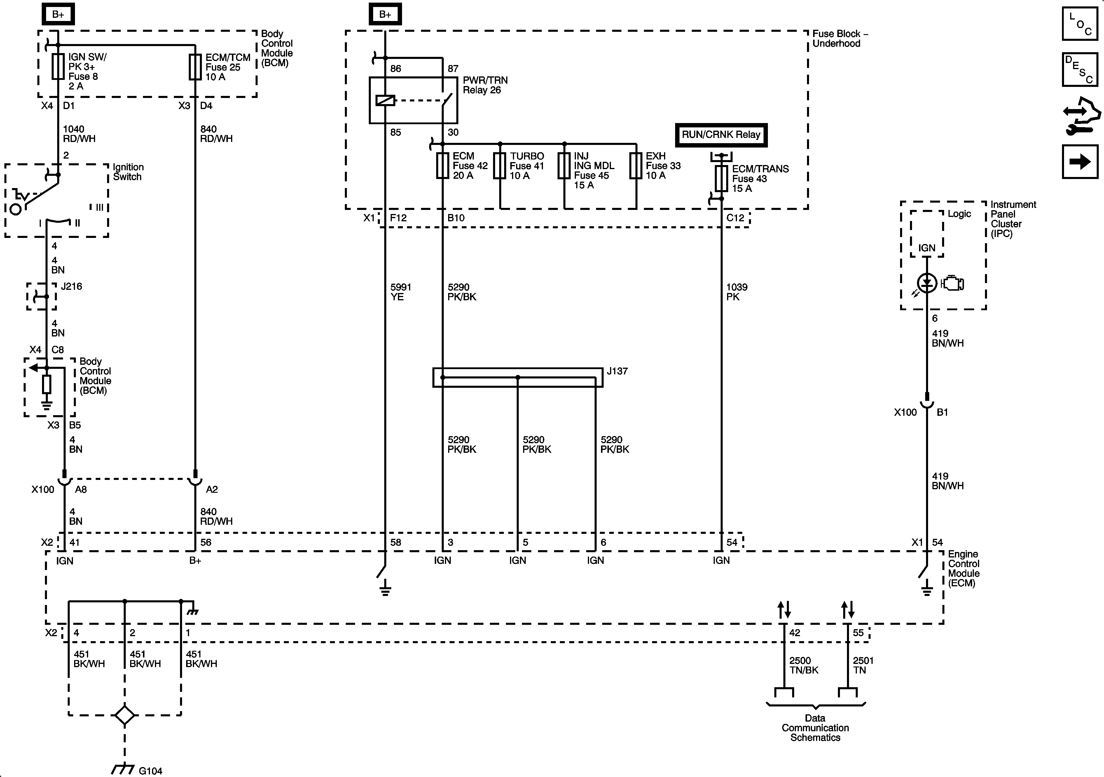
DLC, ECM, EXH, INJ IGN MDL, and TURBO Fuses
DLC, ECM, EXH, INJ IGN MDL, and TURBO Fuses
DLC, ECM, EXH, INJ IGN MDL, and TURBO Fuses
DLC, ECM, EXH, INJ IGN MDL, and TURBO Fuses
High Speed LAN
G103, G104, G105, G106, G304