GM Service Manual Online
For 1990-2009 cars only
Figure 1:

G100 and G102


Object Number: 570554  Size: FS
Power and Grounding Components
Handling ESD Sensitive Parts Notice
Figure 2:

G103


Object Number: 391115  Size: FS
Power and Grounding Components
G104 and G105
G100 and G102
Figure 3:

G104 and G105


Object Number: 570557  Size: FS
Power and Grounding Components
G101, G106 and G107
Handling ESD Sensitive Parts Notice
Handling ESD Sensitive Parts Notice
Figure 4:

G101, G106 and G107


Object Number: 570560  Size: FS
Power and Grounding Components
G200 (1 of 2)
G104 and G105
Handling ESD Sensitive Parts Notice
Figure 5:

G200 (1 of 2)


Object Number: 391669  Size: FS
Power and Grounding Components
G200 (2 of 2)
G101, G106 and G107
G200 (2 of 2)
G200 (2 of 2)
Handling ESD Sensitive Parts Notice
Handling ESD Sensitive Parts Notice
SIR Caution
Handling ESD Sensitive Parts Notice
Figure 6:

G200 (2 of 2)


Object Number: 391666  Size: FS
Power and Grounding Components
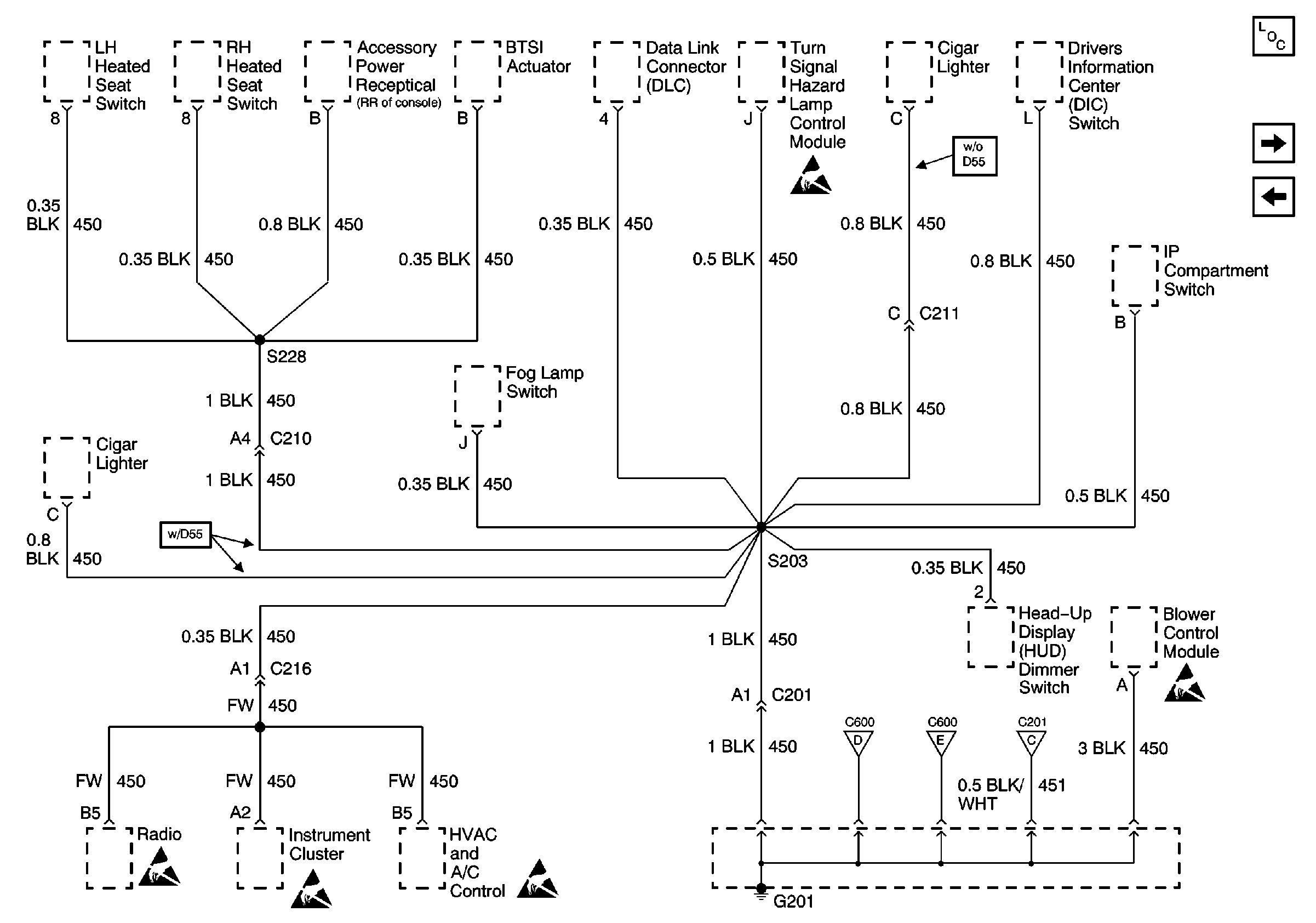
G201 (1 of 3)
G200 (1 of 2)
G200 (1 of 2)
G200 (1 of 2)
Handling ESD Sensitive Parts Notice
Figure 7:

G201 (1 of 3)


Object Number: 391652  Size: FS
Power and Grounding Components
G201 (2 of 3)
G200 (2 of 2)
Handling ESD Sensitive Parts Notice
Handling ESD Sensitive Parts Notice
Handling ESD Sensitive Parts Notice
Handling ESD Sensitive Parts Notice
Handling ESD Sensitive Parts Notice
G201 (3 of 3)
G201 (3 of 3)
G201 (3 of 3)
Figure 8:

G201 (2 of 3)


Object Number: 402292  Size: FS
Power and Grounding Components
G201 (3 of 3)
G201 (1 of 3)
Handling ESD Sensitive Parts Notice
Handling ESD Sensitive Parts Notice
G201 (1 of 3)
Figure 9:

G201 (3 of 3)


Object Number: 391651  Size: FS
Power and Grounding Components
G300
G201 (2 of 3)
Handling ESD Sensitive Parts Notice
G201 (1 of 3)
G201 (1 of 3)
Figure 10:

G300


Object Number: 570562  Size: FS
Power and Grounding Components
G301 (1 of 2)
G201 (3 of 3)
Handling ESD Sensitive Parts Notice
Figure 11:

G301 (1 of 2)


Object Number: 391704  Size: FS
Power and Grounding Components
G301 (2 of 2)
G300
Handling ESD Sensitive Parts Notice
Handling ESD Sensitive Parts Notice
G301 (2 of 2)
Figure 12:

G301 (2 of 2)


Object Number: 391706  Size: FS
Power and Grounding Components
G302
G301 (1 of 2)
Handling ESD Sensitive Parts Notice
Handling ESD Sensitive Parts Notice
G301 (1 of 2)
Figure 13:

G302


Object Number: 391132  Size: FS
Power and Grounding Components
G303
G301 (2 of 2)
Handling ESD Sensitive Parts Notice
Handling ESD Sensitive Parts Notice
Handling ESD Sensitive Parts Notice
Figure 14:

G303


Object Number: 570564  Size: FS
Power and Grounding Components
G305
G302
Handling ESD Sensitive Parts Notice
SIR Caution
Figure 15:

G305


Object Number: 570566  Size: FS
Power and Grounding Components
G401 (1 of 2)
G303
Handling ESD Sensitive Parts Notice
Battery Positive Voltage Circuits from the Battery
Figure 16:

G401 (1 of 2)


Object Number: 391727  Size: FS
Power and Grounding Components
G401 (2 of 2)
G305
G401 (2 of 2)
G401 (2 of 2)
G401 (2 of 2)
Figure 17:

G401 (2 of 2)


Object Number: 391724  Size: FS
Power and Grounding Components
G402
G401 (1 of 2)
G401 (1 of 2)
G401 (1 of 2)
G401 (1 of 2)
Figure 18:

G402


Object Number: 391144  Size: FS
Power and Grounding Components
G401 (2 of 2)
Handling ESD Sensitive Parts Notice