GM Service Manual Online
For 1990-2009 cars only
Makes
🢒
Pontiac
🢒
2000
🢒
Bonneville
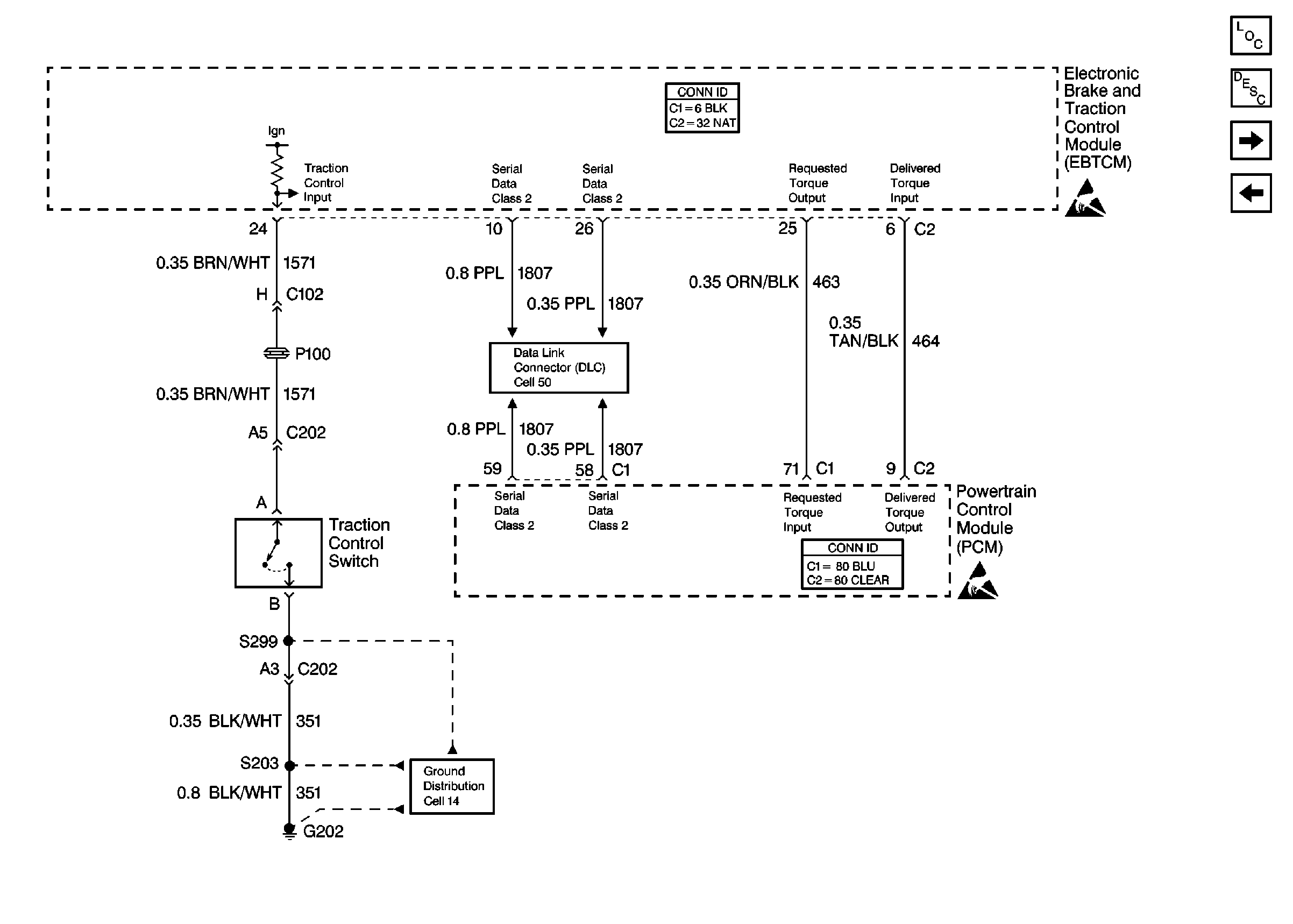
🢒 Cell 44: Traction Control Switch and PCM
Cell 44: Traction Control Switch and PCM
Cell 44: Traction Control Switch and PCM
ABS Components
ABS Description
Cell 44: Wheel Speed Sensors and Variable Steering Actuator
Cell 44: Indicators and Stoplamp/BTSI Switch
Handling ESD Sensitive Parts Notice
Handling ESD Sensitive Parts Notice
Cell 50: Class 2 Serial Data Line
Cell 14: G202 (CKT 351 1 of 2)