GM Service Manual Online
For 1990-2009 cars only
Makes
🢒
Pontiac
🢒
2000
🢒
Bonneville
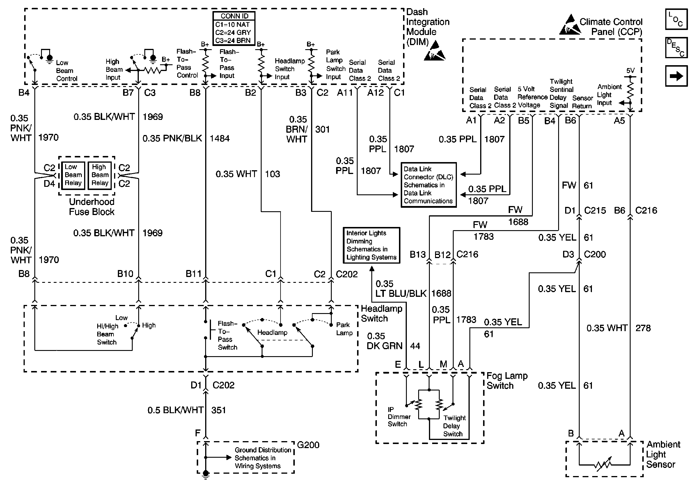
🢒 Headlamp Switch, Ambient Light Sensor (C67)
Headlamp Switch, Ambient Light Sensor (C67)
Headlamp Switch, Ambient Light Sensor (C67)
Lighting Systems Components
Headlights Circuit Description
Headlamp Switch, Ambient Light Sensor (CJ2)
Handling ESD Sensitive Parts Notice
Handling ESD Sensitive Parts Notice
Low Beam Headlamps
DRL, High Beam Headlamps, Dimmer Switch
Dimming Control
Serial Data Class 2
Temperature Sensors W/CJ2
G200 (1 of 2)