GM Service Manual Online
For 1990-2009 cars only
Makes
🢒
Pontiac
🢒
2000
🢒
Bonneville
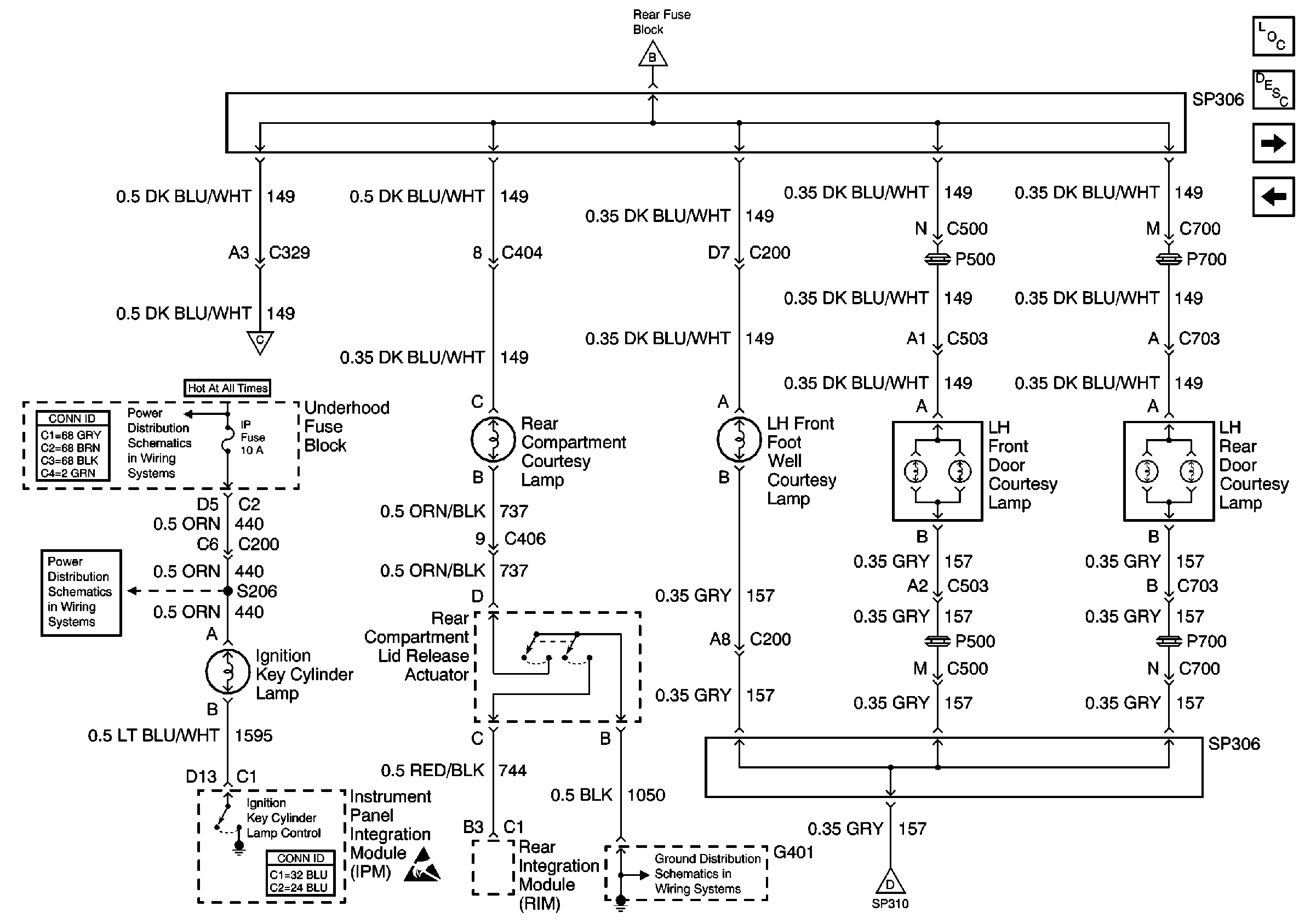
🢒 Cell 114: LH Courtesy Lamps
Cell 114: LH Courtesy Lamps
Cell 114: LH Courtesy Lamps
Lighting Systems Components
Interior Lights Circuit Description
RH Courtesy Lamps
Door Jamb Switches
Handling ESD Sensitive Parts Notice
Interior Lamp Relay
Rear Courtesy/Reading Lamps, and Vanity Mirrors
Battery Voltage to the Rear Fuse Block
ABS and PCM BATT Fuses (Underhood Fuse Block)
G401 (1 of 2)
RH Courtesy Lamps