GM Service Manual Online
For 1990-2009 cars only
Makes
🢒
Pontiac
🢒
2000
🢒
Bonneville
🢒 PASS-Key® III
PASS-Key® III
PASS-Key® III
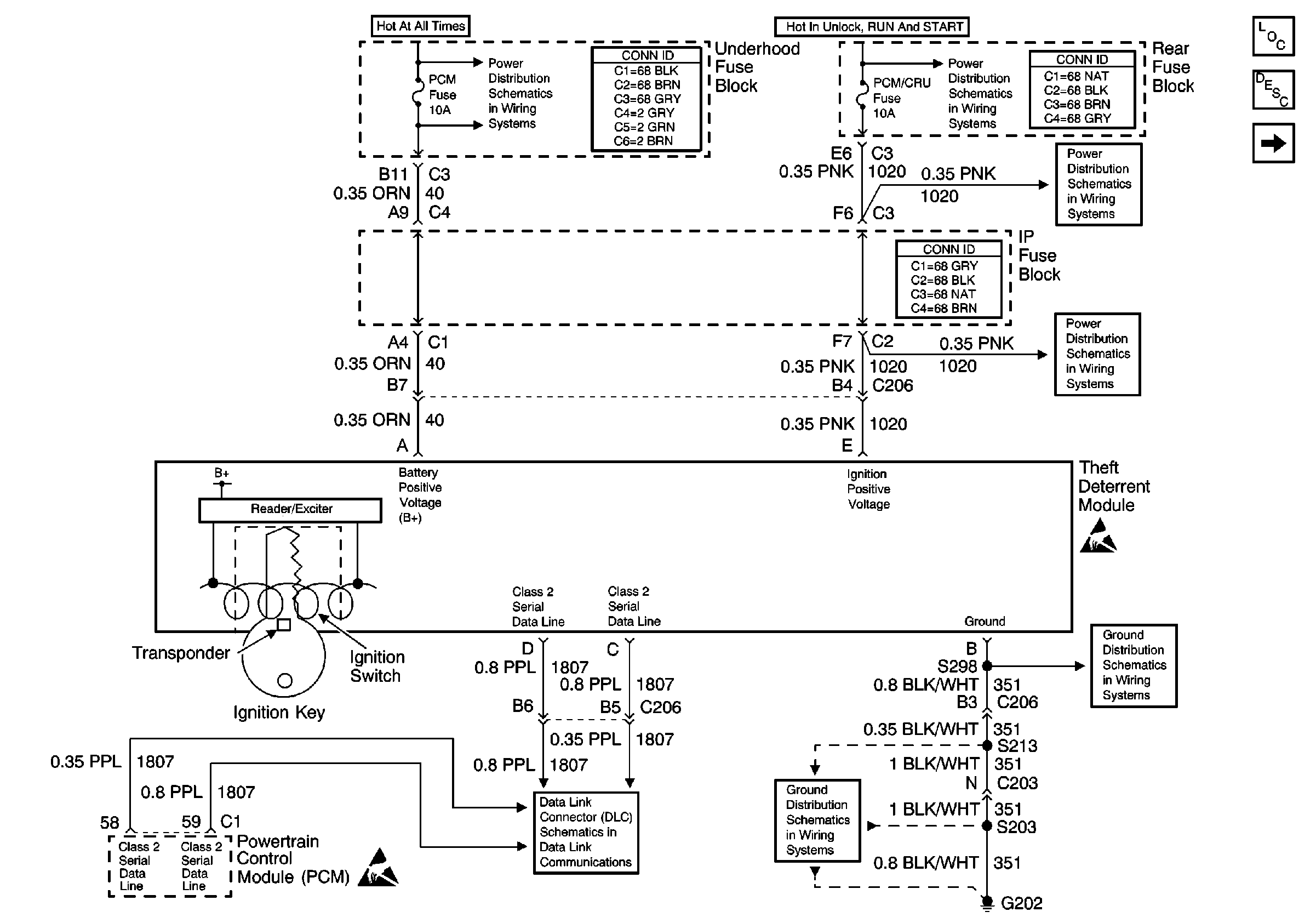
Theft Deterrent System Components
Vehicle Theft Deterrent (VTD) Description
Content Theft Deterrent
Underhood Fuse Block and Underhood Maxi-Fuse Block
Underhood Fuse Block, RUN/CRANK Fuse and IGN-1 Relay
Underhood Fuse Block, RUN/CRANK Fuse and IGN-1 Relay
Underhood Fuse Block, RUN/CRANK Fuse and IGN-1 Relay
Handling ESD Sensitive Parts Notice
Handling ESD Sensitive Parts Notice
Underhood Fuse Block, PCM, ABS, HAZARD, FUEL PUMP, PARKLMP Fuses And Fuel Pump Relay
G202, 1 of 4
Cell 14: G202 (CKT 351 2 of 2)