GM Service Manual Online
For 1990-2009 cars only
Makes
🢒
Pontiac
🢒
2000
🢒
Bonneville
🢒 00 C-Car RAP Cell 15
00 C-Car RAP Cell 15
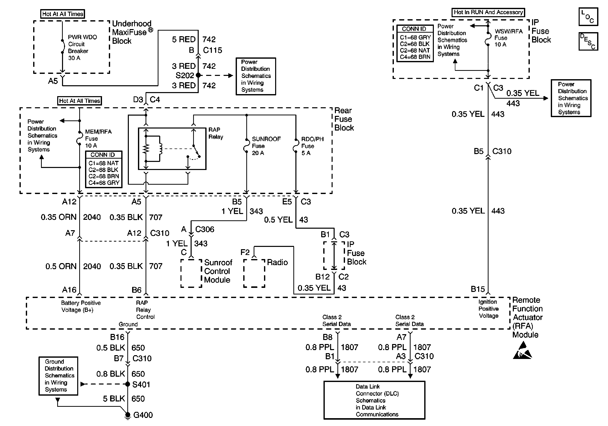
Retained Accessory Power (RAP) Components
Retained Accessory Power (RAP) Circuit Description
Underhood Maxi-Fuse Block, RAP Fuse/Rear Fuse Block, RAP Relay, RADIO and SUNROOF Fuses
IP Fuse Block, RFA/RAIN SENSOR and WIPER Fuses
Underhood Fuse Block, BAT 2 Fuse/Rear Fuse Block, PWR SEAT and MEM/RFA Fuses
IP Fuse Block, RFA/RAIN SENSOR and WIPER Fuses
Handling ESD Sensitive Parts Notice
G400, 1 of 2
Class 2 Serial Data Line