GM Service Manual Online
For 1990-2009 cars only
Makes
🢒
Pontiac
🢒
2001
🢒
Bonneville
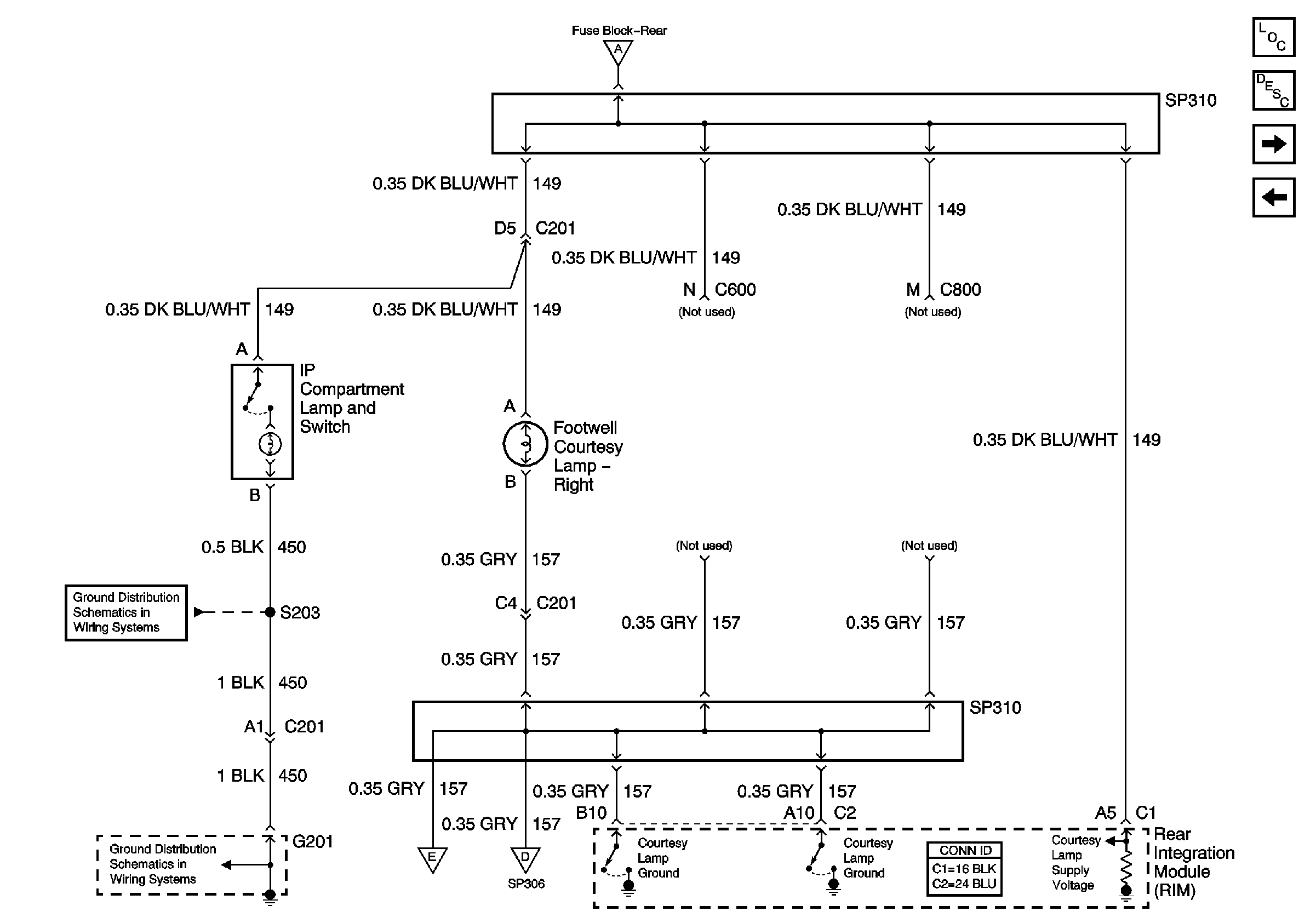
🢒 Right Courtesy and IP Compartment Lamps
Right Courtesy and IP Compartment Lamps
Right Courtesy and IP Compartment Lamps
Master Electrical Component List
G201 (1 of 2)
G201 (1 of 2)
Interior Lamp Relay Controls
Headliner Lamps
Left Courtesy, Rear Compartment, and Ignition Cylinder Lamps
Headliner Lamps
Left Courtesy, Rear Compartment, and Ignition Cylinder Lamps