GM Service Manual Online
For 1990-2009 cars only
Makes
🢒
Pontiac
🢒
2004
🢒
Bonneville
🢒
Transmission/Transaxle
🢒
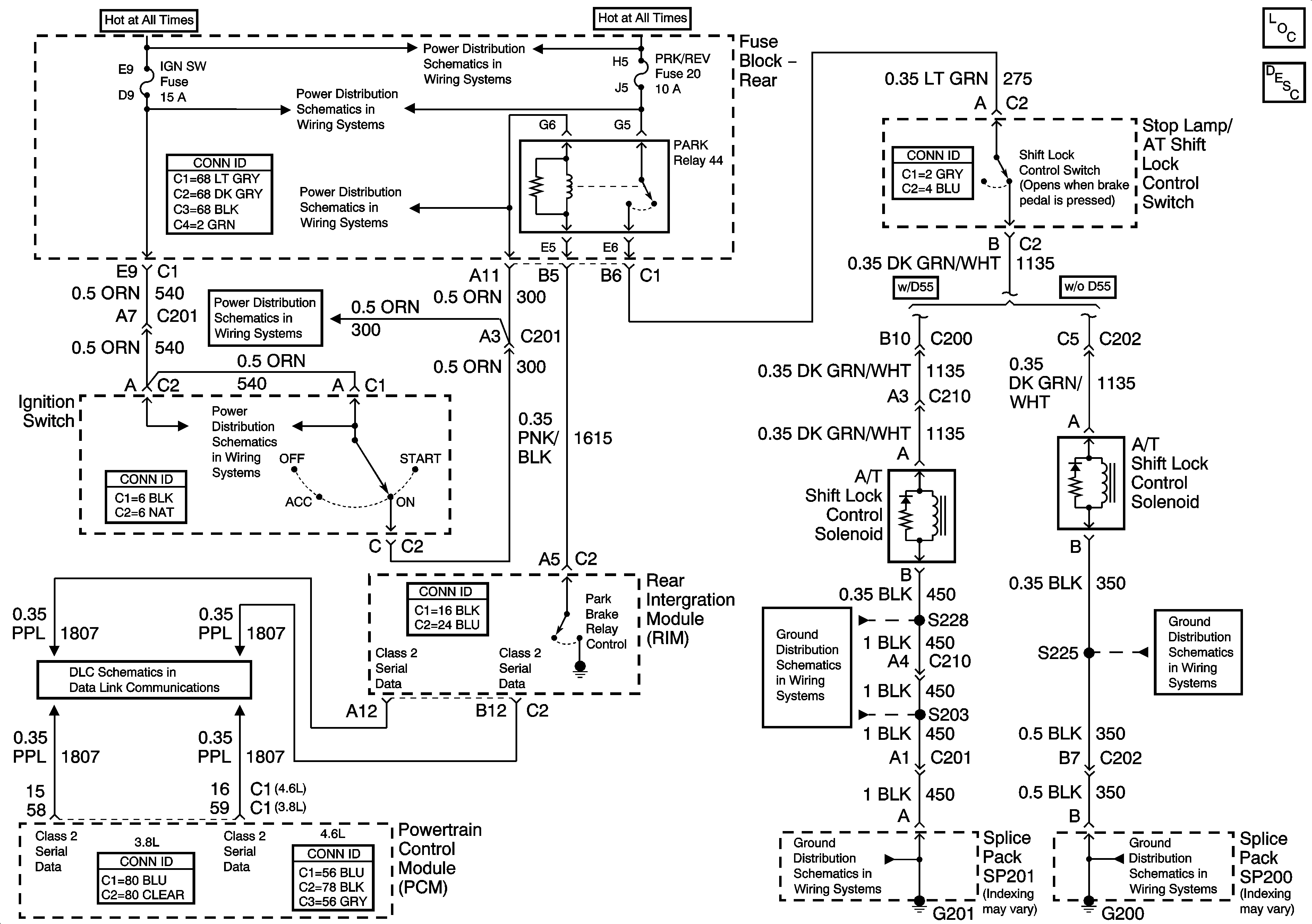
Shift Lock Control
🢒 Shift Lock Control Schematics
Power, Ground, and Solenoid Circuits
Master Electrical Component List
Automatic Transmission Shift Lock Control Description and Operation
Serial Data Class 2
IGN SW, and PRK/REV Fuses
Ignition Switch RUN and START/RUN Positions
Ignition Switch RUN and START/RUN Positions
Ignition Switch Positions
Rear Fuse Block - B+ Bus
G201 (1 of 2)
G201 (1 of 2)
G200
G200