GM Service Manual Online
For 1990-2009 cars only
Figure 1:

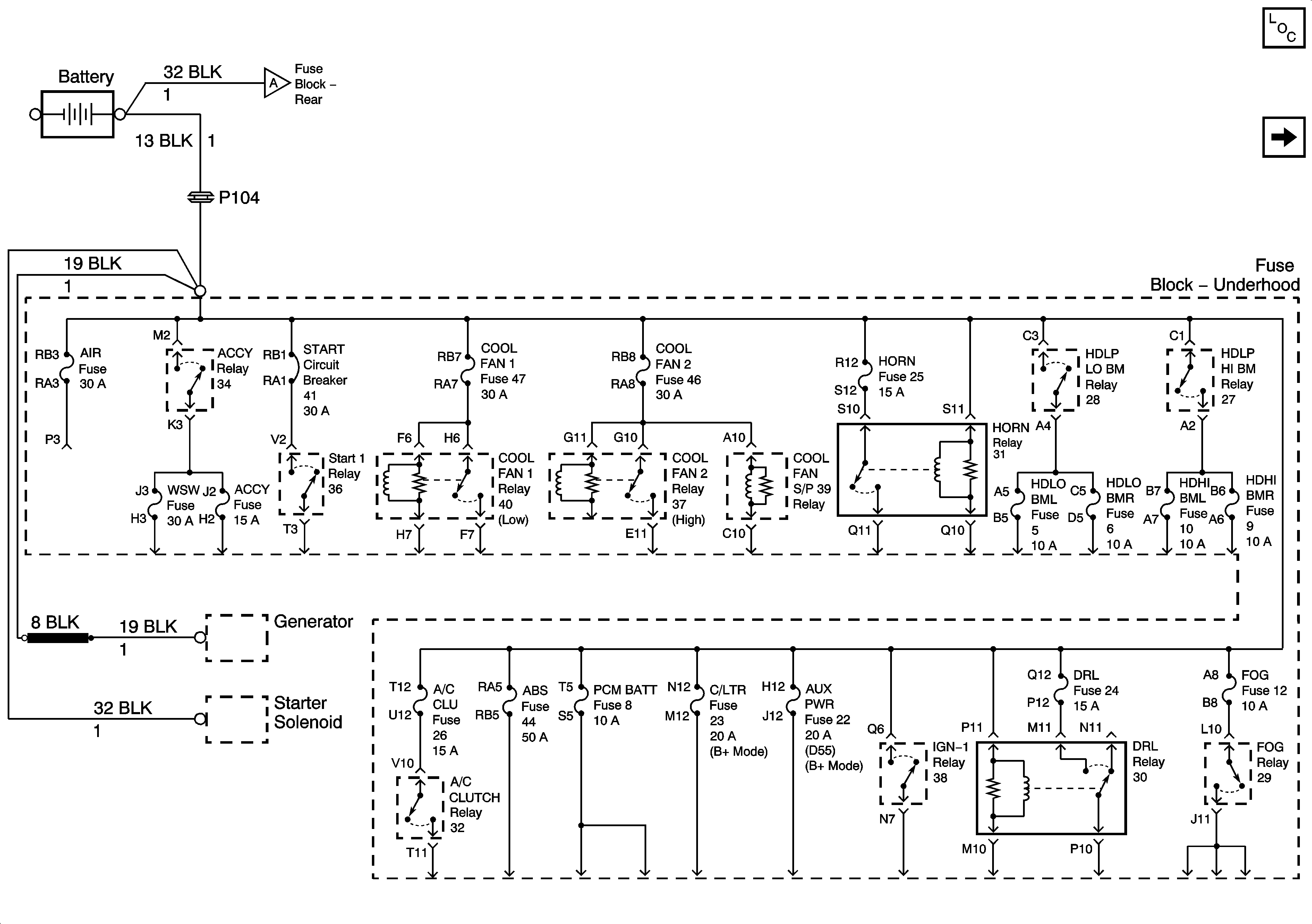
Underhood Fuse Block B+ Bus - 3.8L


Object Number: 1311988  Size: FS
Master Electrical Component List
Underhood Fuse Block B+ Bus - 4.6L
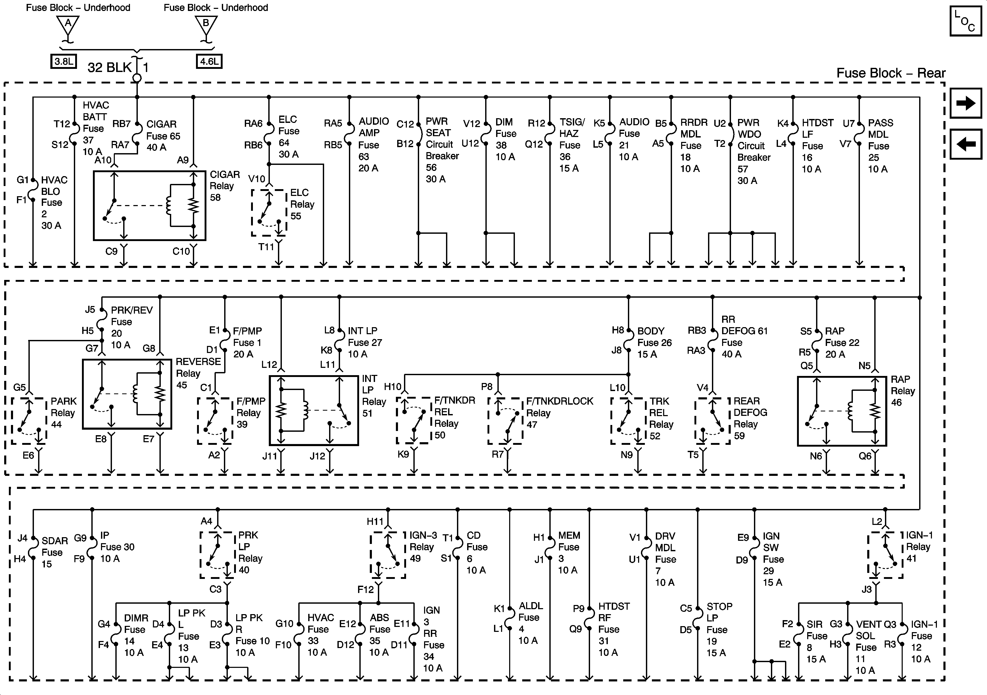
Rear Fuse Block - B+ Bus
G303, G305, G310, and G404
Figure 2:

Underhood Fuse Block B+ Bus - 4.6L


Object Number: 1312058  Size: FS
Master Electrical Component List
Rear Fuse Block - B+ Bus
Underhood Fuse Block B+ Bus - 3.8L
Rear Fuse Block - B+ Bus
Figure 3:

Rear Fuse Block B+ Bus


Object Number: 1312066  Size: FS
Master Electrical Component List
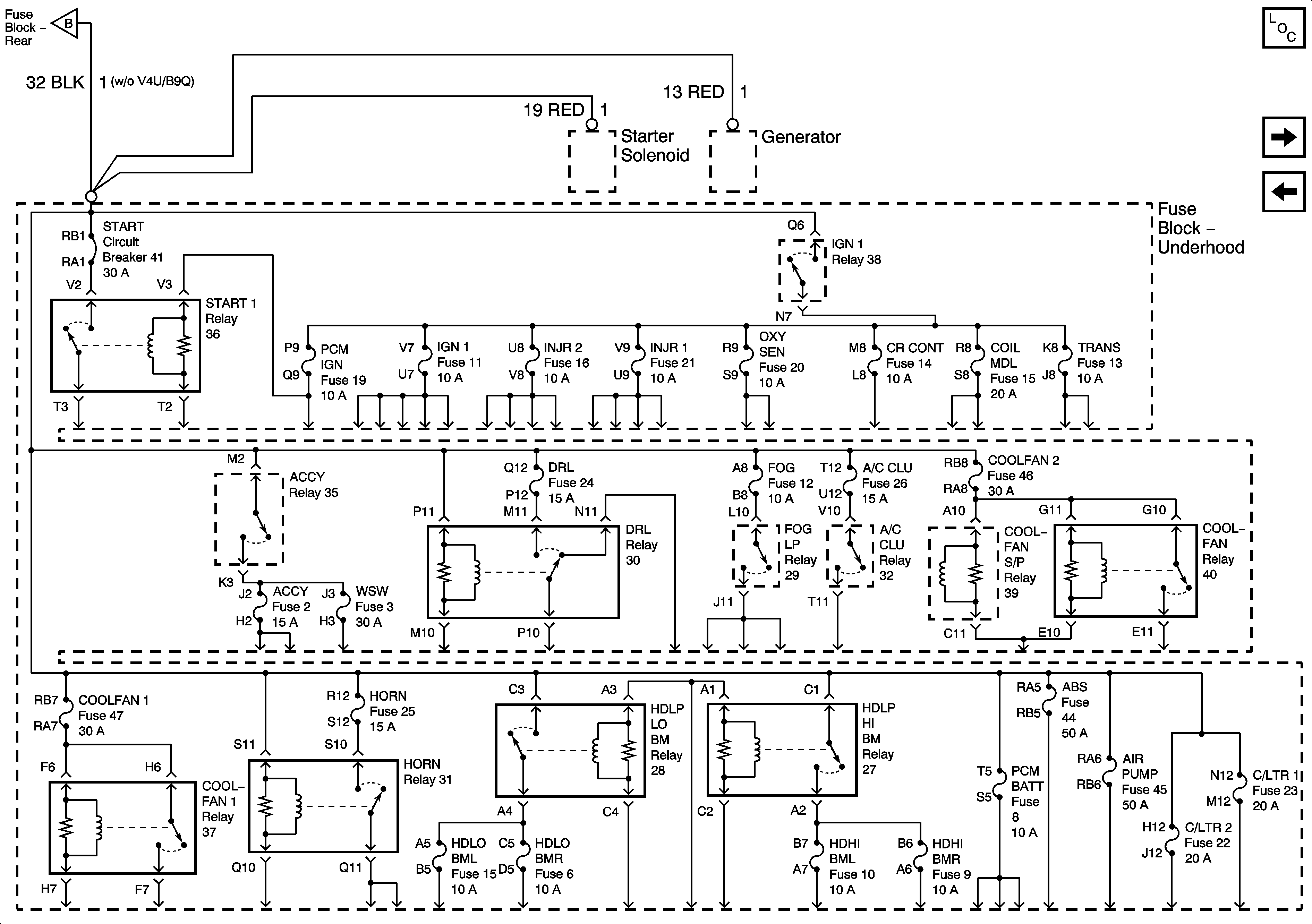
Underhood Fuse Block B+ Bus - 3.8L
Underhood Fuse Block B+ Bus - 4.6L
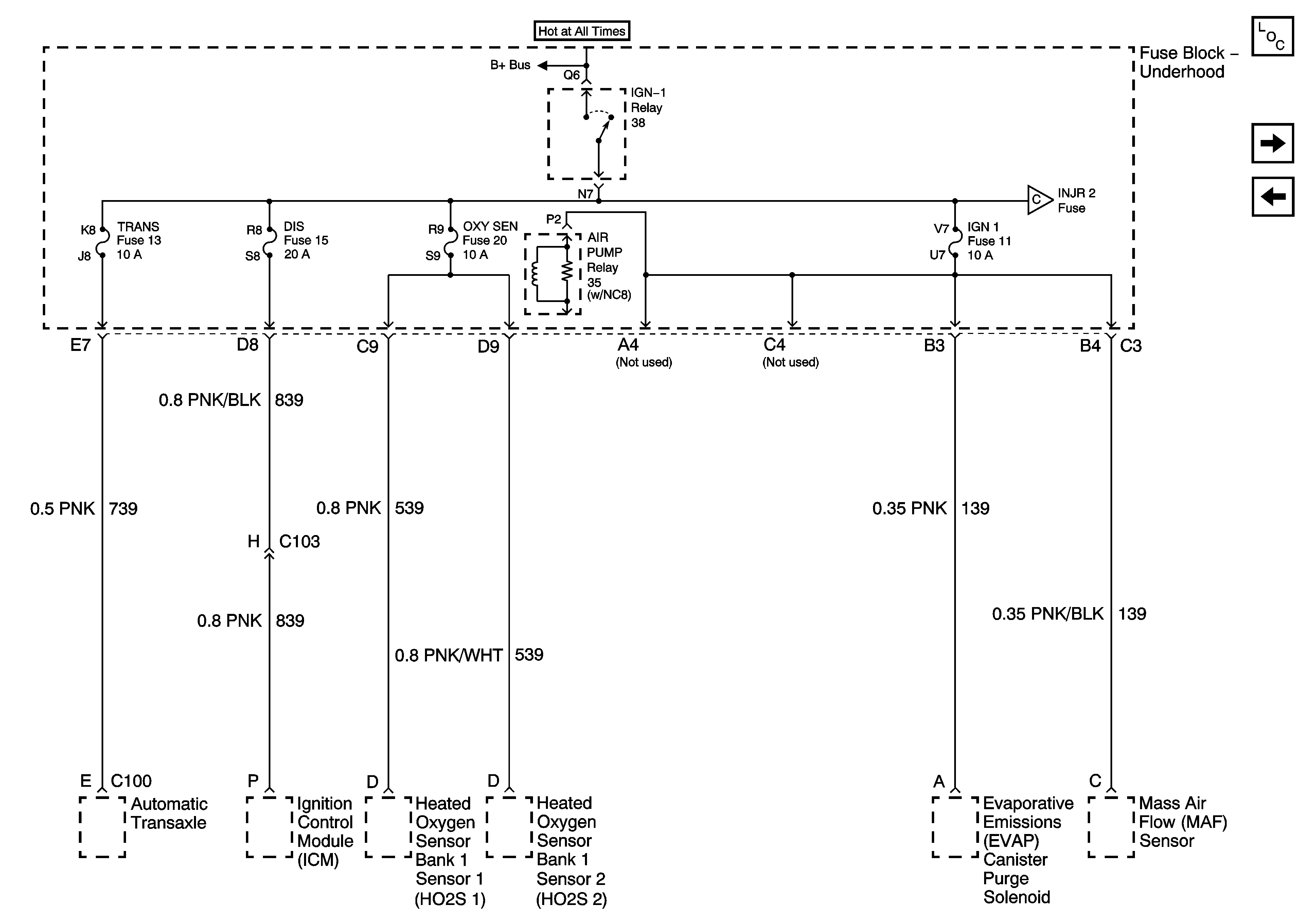
TRANS, DIS, OXY SEN, and IGN 1 Fuses - 3.8L
Underhood Fuse Block B+ Bus - 4.6L
Figure 4:

TRANS, DIS, OXY SEN, and IGN 1 Fuses - 3.8L


Object Number: 1220039  Size: FS
Master Electrical Component List
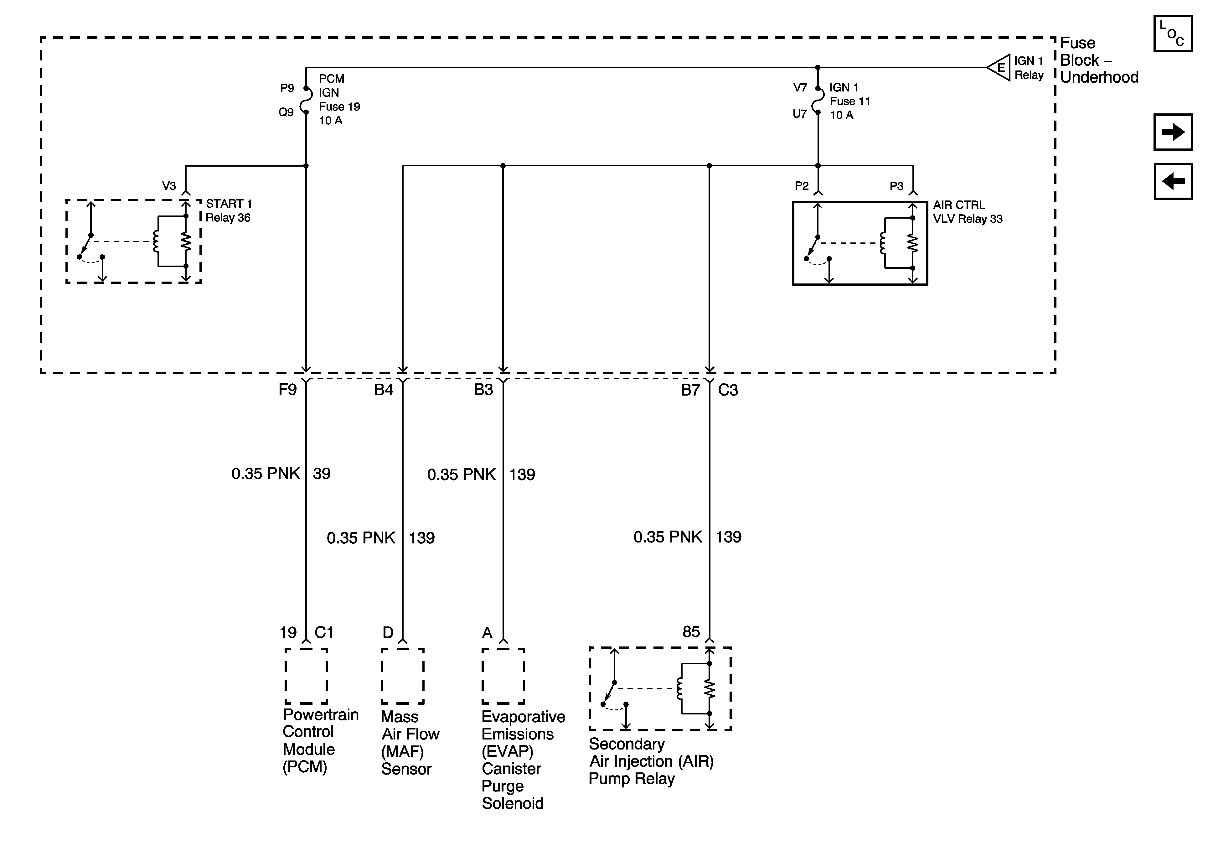
INJR 2, PCM IGN, CR CONT, and INJR 1 Fuses - 3.8L
Rear Fuse Block - B+ Bus
INJR 2, PCM IGN, CR CONT, and INJR 1 Fuses - 3.8L
Figure 5:

INJR 2, PCM IGN, CR CONT, and INJR 1 Fuses - 3.8L


Object Number: 1341592  Size: FS
Master Electrical Component List
TRANS, DIS, OXY SEN, and IGN 1 Fuses - 3.8L
Start Circuit Breaker, Horn, and A/C CLU Fuses 3.8L
TRANS, DIS, OXY SEN, and IGN 1 Fuses - 3.8L
Figure 6:

Start Circuit Breaker, Horn, and A/C CLU Fuses - 3.8L


Object Number: 885286  Size: FS
Master Electrical Component List
Fog/DRL, HDHIBML, HDHIBMR, HDLOBML, and HDLOBMR Fuses - 3.8L
INJR 2, PCM IGN, CR CONT, and INJR 1 Fuses - 3.8L
Figure 7:

Fog/DLR, HDHIBML, HDHIBMR, HDLOBML, AND HDLOBMR Fuses - 3.8L


Object Number: 885287  Size: FS
Master Electrical Component List
ABS, PCM BATT, andCool Fan 1 Fuse - 3.8L
Start Circuit Breaker, Horn, and A/C CLU Fuses 3.8L
Figure 8:

ABS, PCM BATT, and the Cool Fan 1 Fuses - 3.8L


Object Number: 885289  Size: FS
Master Electrical Component List
AIR, C/LTR, AUX PWR, WSW, and ACCY Fuses - 3.8L
Fog/DRL, HDHIBML, HDHIBMR, HDLOBML, and HDLOBMR Fuses - 3.8L
Figure 9:

AIR, C/LTR, AUX PWR, WSW, and ACCY Fuses - 3.8L


Object Number: 1341582  Size: FS
Master Electrical Component List
OXY SEN, CR CONT, Coil MDL, and Trans Fuse - 4.6L
ABS, PCM BATT, andCool Fan 1 Fuse - 3.8L
Figure 10:

OXY SEN, CR CONT, COIL MDL, and TRANS Fuses - 4.6L


Object Number: 1313652  Size: FS
Master Electrical Component List
PCM IGN and IGN 1 Fuses - 4.6L
AIR, C/LTR, AUX PWR, WSW, and ACCY Fuses - 3.8L
PCM IGN and IGN 1 Fuses - 4.6L
INGR 1 and INGR 2 Fuses - 4.6L
Figure 11:

PCM IGN and IGN 1 Fuses - 4.6L


Object Number: 1313661  Size: FS
Master Electrical Component List
INGR 1 and INGR 2 Fuses - 4.6L
OXY SEN, CR CONT, Coil MDL, and Trans Fuse - 4.6L
OXY SEN, CR CONT, Coil MDL, and Trans Fuse - 4.6L
Figure 12:

INGR1 and INGR2 Fuses - 4.6L


Object Number: 1313667  Size: FS
Master Electrical Component List
ACCY, WSW, HDLOBMR, HDLOBML, HDHIBML, and HDHIBMR Fuses - 4.6L
PCM IGN and IGN 1 Fuses - 4.6L
OXY SEN, CR CONT, Coil MDL, and Trans Fuse - 4.6L
Figure 13:

ACCY, WSW, HDLOBML, HDLOBMR, HDHIBML, HDHIBMR Fuses - 4.6L


Object Number: 1313673  Size: FS
Master Electrical Component List
PCM BATT, ABS, AIR PUMP, C/LTR1 and C/LTR2 Fuses - 4.6L
INGR 1 and INGR 2 Fuses - 4.6L
Figure 14:

PCM BATT, ABS, AIR PUMP, C/LTR1 and C/LTR2 Fuses - 4.6L


Object Number: 1313683  Size: FS
Master Electrical Component List
HTDST RF, HTDST LF, DIM, and MEM Fuses
ACCY, WSW, HDLOBMR, HDLOBML, HDHIBML, and HDHIBMR Fuses - 4.6L
Figure 15:

HTDST RF, HTDST LF, DIM, and MEM Fuses


Object Number: 885295  Size: FS
Master Electrical Component List
HVAC BATT, DRV MDL, PASS MDL, and RRDRMDL Fuses
PCM BATT, ABS, AIR PUMP, C/LTR1 and C/LTR2 Fuses - 4.6L
Figure 16:

HVAC BATT, DRV MDL, PASS MDL, and RRDRMDL Fuses


Object Number: 885297  Size: FS
Master Electrical Component List
ELC, RRFOG, ALDL Fuses, and the ELC, REAR DEFOG, F/TNKDR REL, and F/TNKDRLOCK Relays (Fuse Block Rear)
HTDST RF, HTDST LF, DIM, and MEM Fuses
Figure 17:

ELC, RR DEFOG, and ALDL Fuses


Object Number: 1313690  Size: FS
Master Electrical Component List
PWR WDO, and PWR SEAT Circuit Breakers
HVAC BATT, DRV MDL, PASS MDL, and RRDRMDL Fuses
Figure 18:

PWR WDO and PWR SEAT Circuit Breakers


Object Number: 878549  Size: FS
Master Electrical Component List
LP PKL, LP PKR, and DIMR Fuses
ELC, RRFOG, ALDL Fuses, and the ELC, REAR DEFOG, F/TNKDR REL, and F/TNKDRLOCK Relays (Fuse Block Rear)
Figure 19:

LP PKL, LP PKR, and DIMR Fuses


Object Number: 1275552  Size: FS
Master Electrical Component List
TSIG/HAZ, STOP LP, AUDIO, and CD Fuses
PWR WDO, and PWR SEAT Circuit Breakers
Figure 20:

TSIG/HAZ, STOP LP, AUDIO, and CD Fuses


Object Number: 885303  Size: FS
Master Electrical Component List
IP, and CIGAR Fuses
LP PKL, LP PKR, and DIMR Fuses
Figure 21:

I/P and CIGAR Fuses


Object Number: 875920  Size: FS
Master Electrical Component List
IGN SW, and PRK/REV Fuses
TSIG/HAZ, STOP LP, AUDIO, and CD Fuses
Figure 22:

IGN SW and PRK/REV Fuses


Object Number: 885309  Size: FS
Master Electrical Component List
Ignition Switch Positions
IP, and CIGAR Fuses
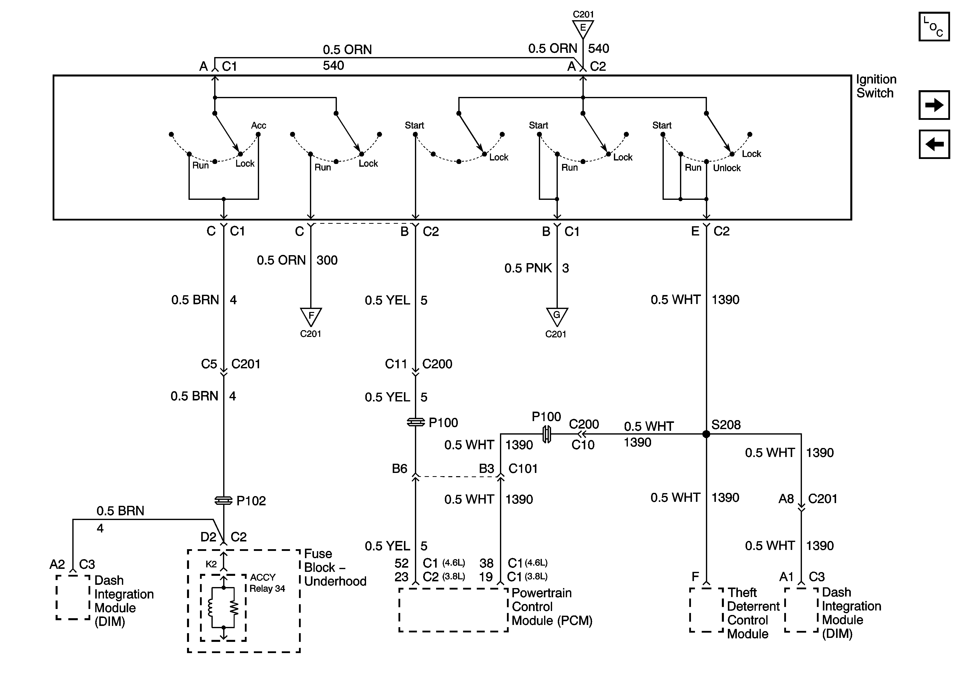
Ignition Switch Positions
Backup Lamps
Figure 23:

Ignition Switch Positions


Object Number: 1275559  Size: FS
Master Electrical Component List
IGN SW, and PRK/REV Fuses
Ignition Switch RUN and START/RUN Positions
Ignition Switch RUN and START/RUN Positions
Ignition Switch RUN and START/RUN Positions
IGN SW, and PRK/REV Fuses
Figure 24:

Ignition Switch RUN and START/RUN Positions


Object Number: 885312  Size: FS
Master Electrical Component List
Ignition Switch Positions
Ignition Switch Positions
IGN-1, Vent Sol, and SIR Fuses
Ignition Switch Positions
Figure 25:

IGN-1, Vent Sol, and SIR Fuses


Object Number: 1257458  Size: FS
Master Electrical Component List
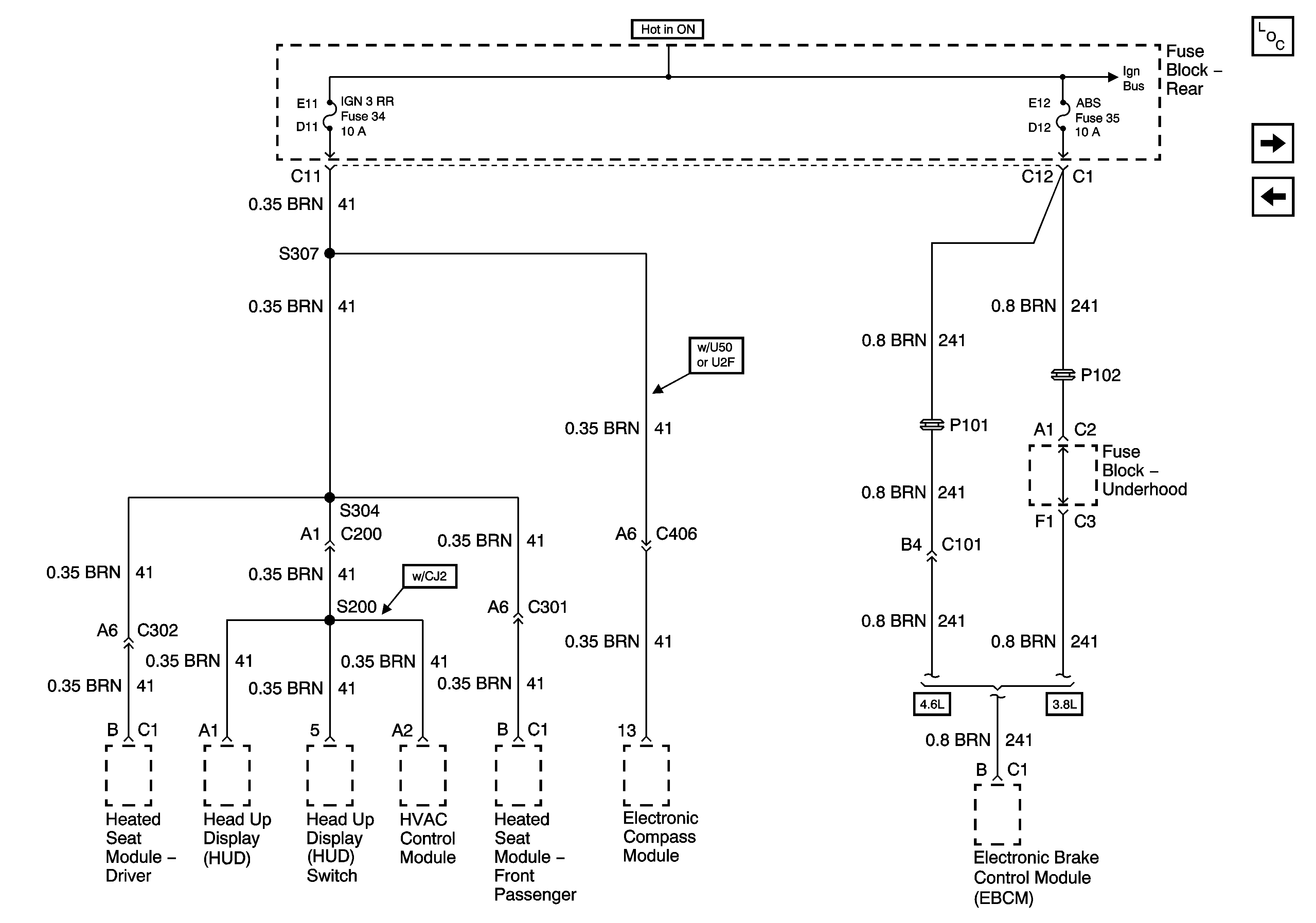
IGN3 RR, and ABS Fuses (Fuse Block Rear)
Ignition Switch RUN and START/RUN Positions
SIR Caution for Zoning
Figure 26:

IGN 3 RR and ABS Fuses


Object Number: 1257478  Size: FS
Master Electrical Component List
HVAC Fuse
IGN-1, Vent Sol, and SIR Fuses
Figure 27:

HVAC Fuse


Object Number: 885319  Size: FS
Master Electrical Component List
HVAC BLO, SDAR, and AUDIO AMP Fuses
IGN3 RR, and ABS Fuses (Fuse Block Rear)
Figure 28:

HVAC BLO, AUDIO AMP, and SDAR Fuses


Object Number: 867693  Size: FS
Master Electrical Component List
HVAC Fuse