GM Service Manual Online
For 1990-2009 cars only
Makes
🢒
Pontiac
🢒
2004
🢒
Bonneville
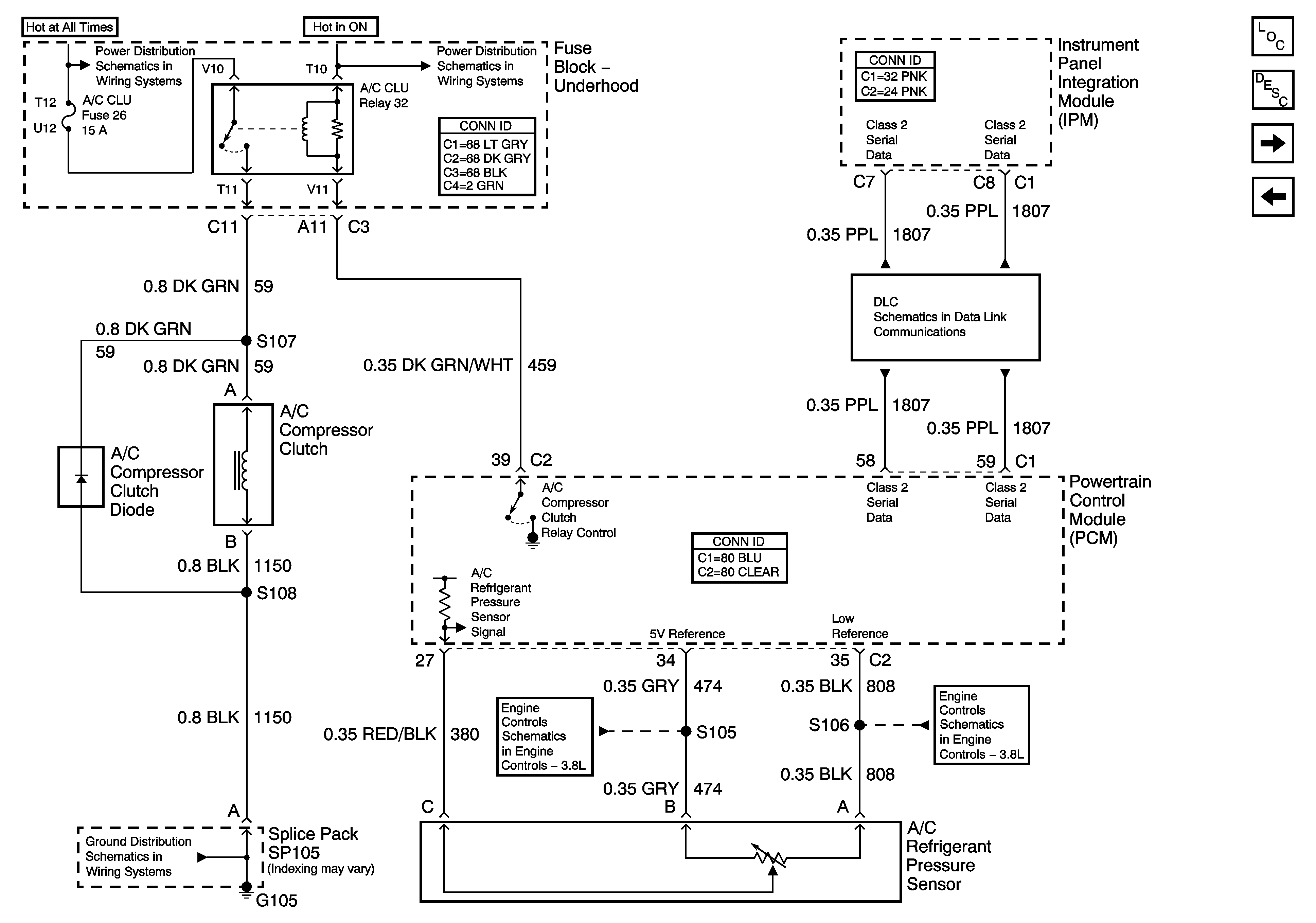
🢒 Compressor Controls - 3.8L
Compressor Controls - 3.8L
Compressor Controls - 3.8L
Master Electrical Component List
Air Temperature Description and Operation
Underhood Fuse Block B+ Bus - 3.8L
G104 and G105 - 3.8L
Start Circuit Breaker, Horn, and A/C CLU Fuses 3.8L
Fuel Sensor and EVAP Solenoid Controls
Fuel Sensor and EVAP Solenoid Controls
Serial Data Class 2
Compressor Controls - 4.6L
HVAC Control