GM Service Manual Online
For 1990-2009 cars only
Makes
🢒
Pontiac
🢒
2004
🢒
Bonneville
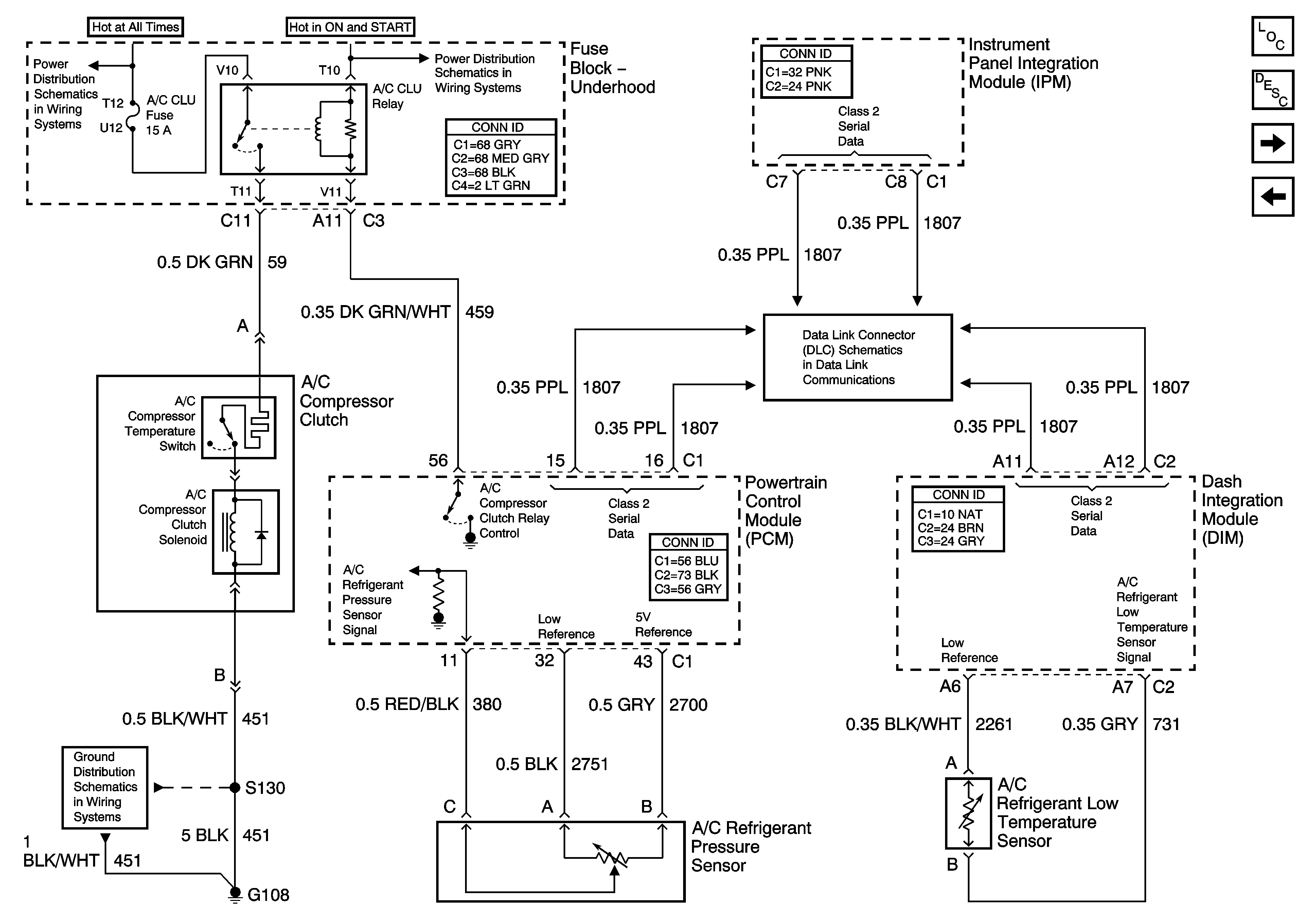
🢒 Compressor Controls - 4.6L
Compressor Controls - 4.6L
Compressor Controls - 4.6L
Underhood Fuse Block B+ Bus - 4.6L
Underhood Fuse Block B+ Bus - 4.6L
G108, G110, and G111 - 4.6L
Serial Data Class 2
Master Electrical Component List
Air Temperature Description and Operation
Air Delivery
Compressor Controls - 3.8L