GM Service Manual Online
For 1990-2009 cars only
Makes
🢒
Pontiac
🢒
2004
🢒
Bonneville
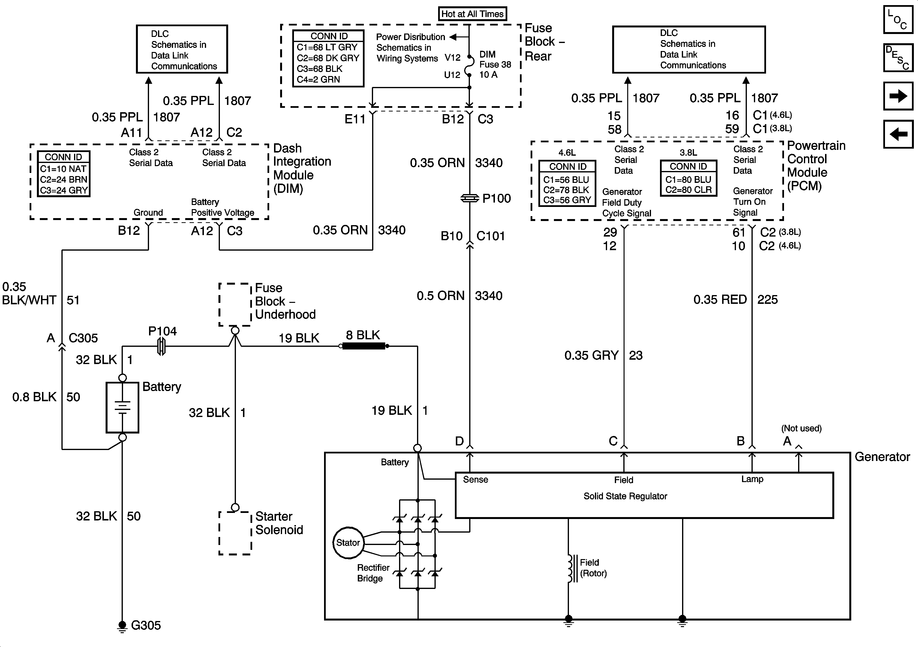
🢒 Generator Control
Generator Control
Generator Control
Master Electrical Component List
Charging System Description and Operation
Serial Data Class 2
HTDST RF, HTDST LF, DIM, and MEM Fuses
Serial Data Class 2
Indicators
Starting Control