GM Service Manual Online
For 1990-2009 cars only
Makes
🢒
Pontiac
🢒
2004
🢒
Bonneville
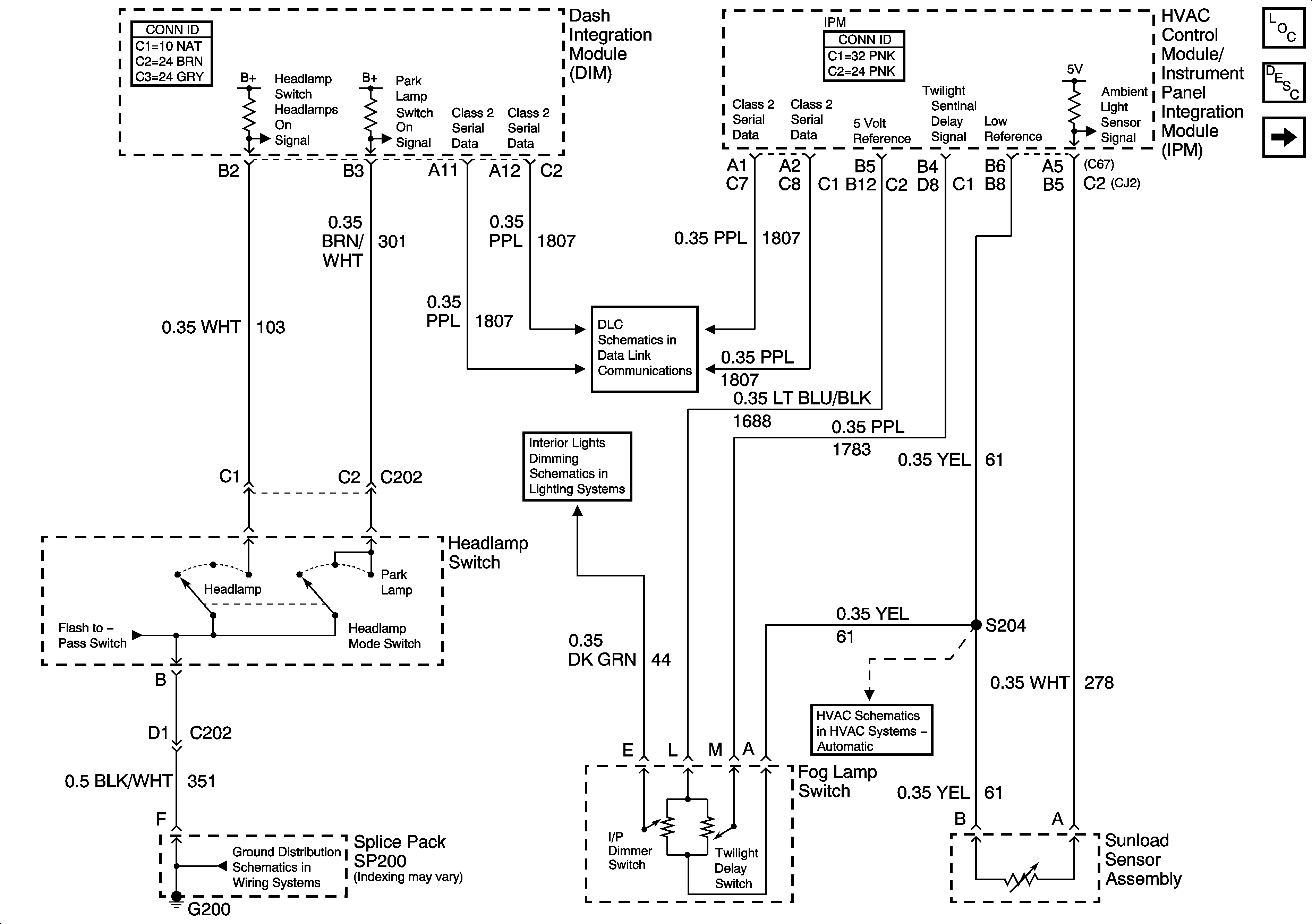
🢒 Headlamp, Foglamp, and Ambient Light Sensor Inputs
Headlamp, Foglamp, and Ambient Light Sensor Inputs
Headlamp, Fog Lamp, and Ambient Light Sensor Inputs
Master Electrical Component List
Exterior Lighting Systems Description and Operation
G200
Serial Data Class 2
Dimming Control
Temp Sensors
DRL Controls and High Beam Headlamps