GM Service Manual Online
For 1990-2009 cars only
Figure 1:

Body Control Module, Ignition Switch and Instrument Cluster


Object Number: 727343  Size: FS
Master Electrical Component List
Body Control System Description and Operation
Body Control Module and RAP Components
Fusible Links, CIG/ACCY, ENG CTRL, IGN, I/P-1, I/P-2, and PWR ACCY Fuses
Ignition Switch
Instrument Cluster Indicators
G200 Splice S220
G400 Splice S470
Figure 2:

Body Control Module and RAP Components


Object Number: 727344  Size: FS
Master Electrical Component List
Body Control System Description and Operation
Body Control Module and Switch Inputs
Body Control Module, Ignition Switch and Instrument Cluster
SIR Handling Caution
Figure 3:

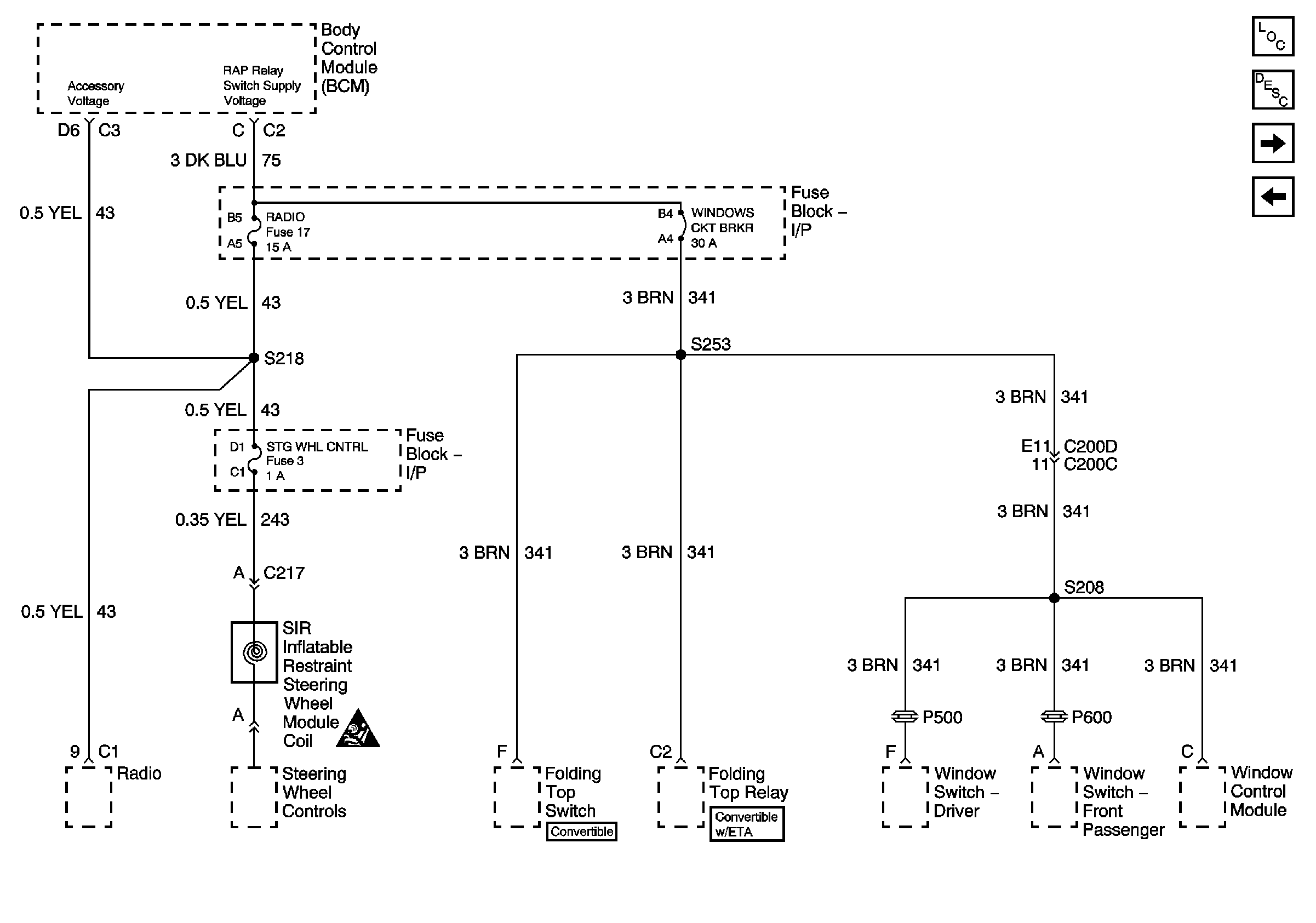
Body Control Module and Switch Inputs


Object Number: 727345  Size: FS
Master Electrical Component List
Body Control System Description and Operation
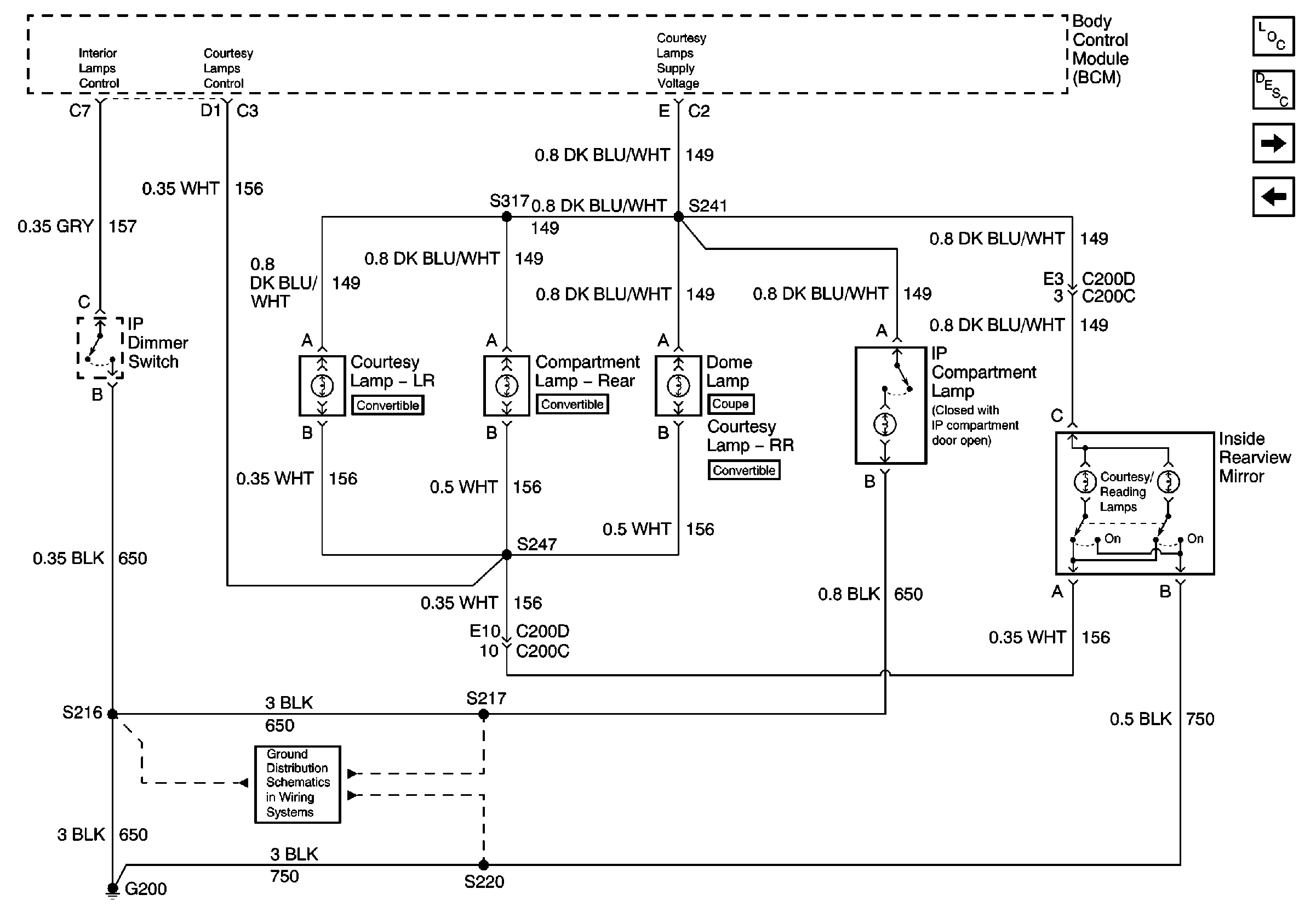
Body Control Module and Courtesy Lamps
Body Control Module and RAP Components
Instrument Cluster Illumination and Indicators
G200 Splice S216
G200 Splice S220
Figure 4:

Body Control Module and Courtesy Lamps


Object Number: 727346  Size: FS
Master Electrical Component List
Body Control System Description and Operation
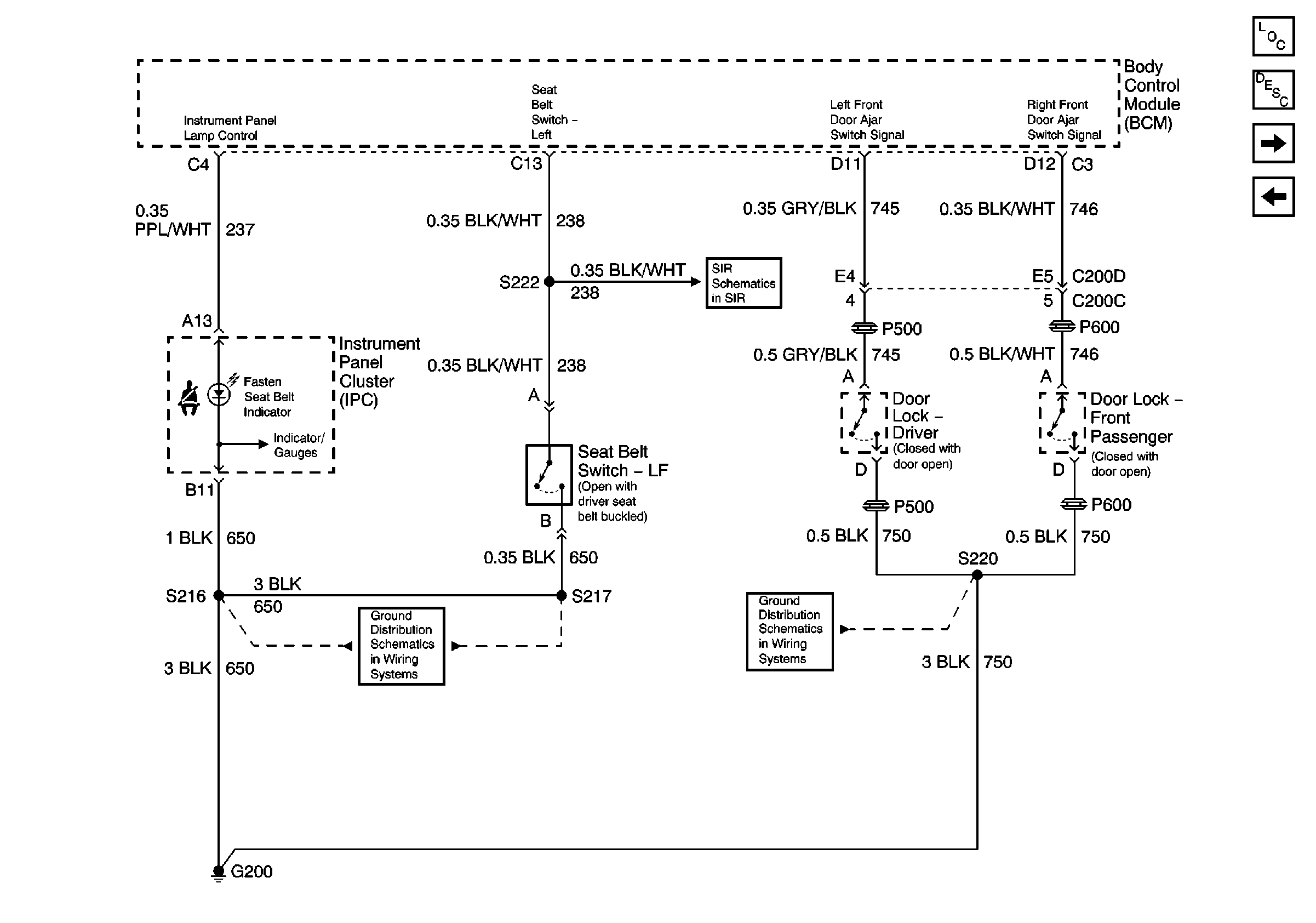
Body Control Module System Outputs
Body Control Module and Switch Inputs
G200 Splice S220
Figure 5:

Body Control Module System Outputs


Object Number: 727347  Size: FS
Master Electrical Component List
Body Control System Description and Operation
Body Control Module System Inputs and Outputs
Body Control Module and Courtesy Lamps
BCM and Fuel Pump
Fuel Pump Controls
Taillamps, Tail/Stop Lamps, Tail/Stop/Turn Lamps, Side Marker Lamps, License Lamp
Chevrolet (Europe)
Chevrolet: Taillamps, License Lamp, Tail/Stop Lamps
Body Control Module, Rear Release Actuator, Relay, and Switch
Body Control Module and Switch Inputs
Body Control Module and Door Lock Switches
Figure 6:

Body Control Module System Inputs and Outputs


Object Number: 727348  Size: FS
Master Electrical Component List
Body Control System Description and Operation
Body Control Module System Outputs
BCM, Cruise Control Module, EBCM, IPC, Radio, and VSS
Fuel Pump Controls
Chevrolet: Rear Fog Lamps
G200 Splice S220