GM Service Manual Online
For 1990-2009 cars only
Figure 1:

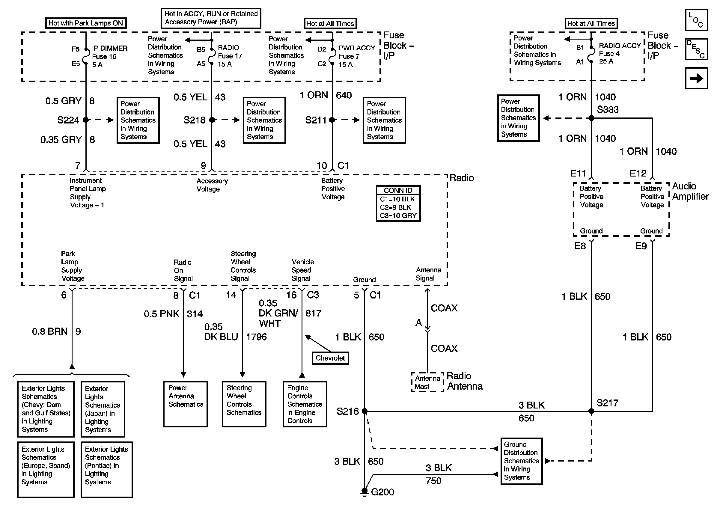
Power,Ground and References to Lighting,Antenna,Engine and Steering Wheel Controls


Object Number: 774779  Size: FS
Master Electrical Component List
Radio/Audio System Description and Operation Chevrolet
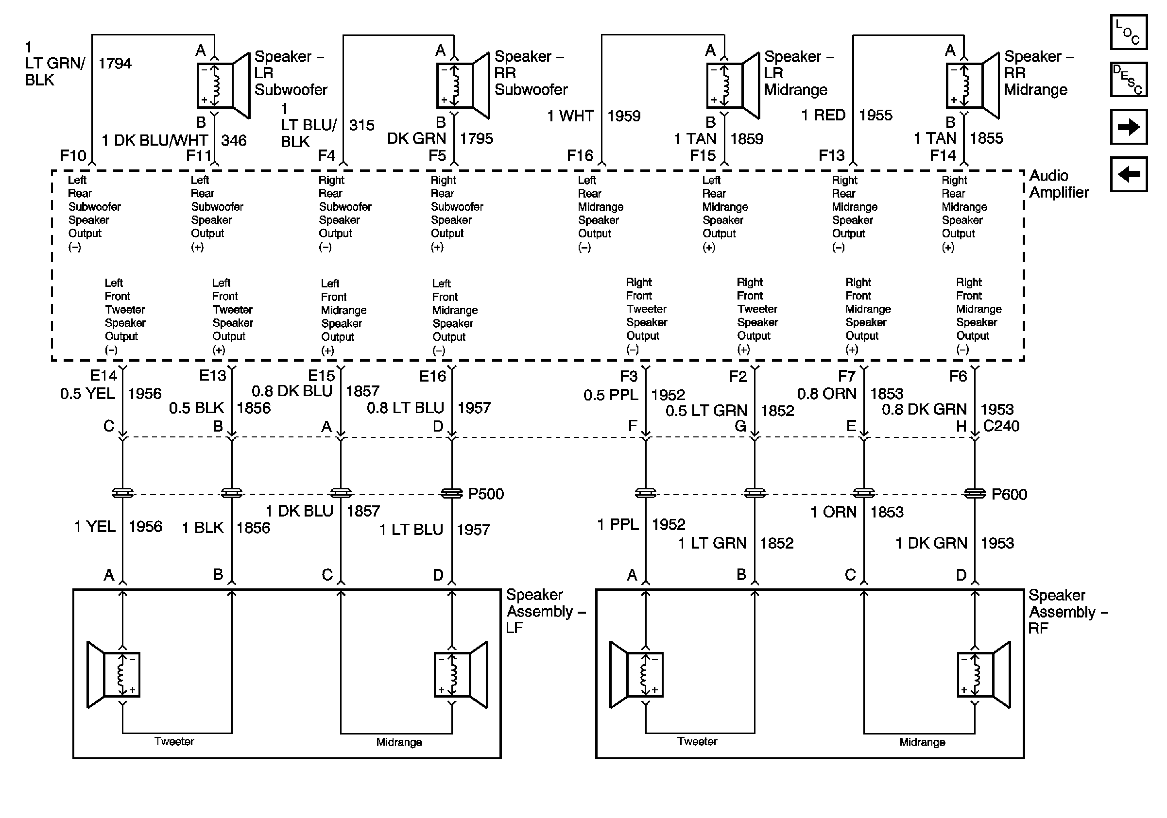
Radio to Speakers (UQO,W53)
COURTESY, RADIO ACCY Fuses and DEFOG/SEATS CKT BRKR
COURTESY, RADIO ACCY Fuses and DEFOG/SEATS CKT BRKR
G200 Page 1 of 3
I/P-2,TAIL LPS, STOP/HAZARD,PWR ACCY and CIG/ACCY Fuses
I/P-2,TAIL LPS, STOP/HAZARD,PWR ACCY and CIG/ACCY Fuses
WINDOWS CKT BRKR, RADIO, STG WHL CNTRL, WIPER/WASH Fuses
WINDOWS CKT BRKR, RADIO, STG WHL CNTRL, WIPER/WASH Fuses
IP DIMMER and STG WHL CNTRL Fuses
Front Parklamps Chevrolet Domestic and Gulf
Front Park Lamps Chevrolet Japan
Parklamps Chevrolet Europe and Scandanavia
Front Park Lamps Pontiac
Power Antenna Schematic
Steering Wheel Controls Schematics
Power, Ground, SerialData, Speedometer,Tachometer and Voltmeter
Figure 2:

Radio to Speakers (UQ0, W53)


Object Number: 775139  Size: FS
Master Electrical Component List
Radio/Audio System Description and Operation Chevrolet
Radio to Amplifier (U59)
Power,Ground and References to Lighting,Antenna,Engine and Steering Wheel Controls
Figure 3:

Radio to Amplifier (U59)


Object Number: 775133  Size: FS
Master Electrical Component List
Radio/Audio System Description and Operation Chevrolet
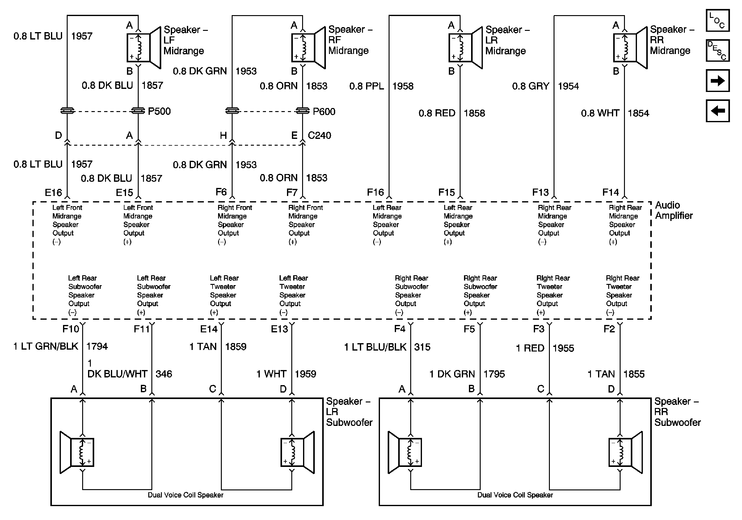
Amplifier to Speakers (U59)
Radio to Speakers (UQO,W53)
Figure 4:

Amplifier to Speakers (U59)


Object Number: 775138  Size: FS
Master Electrical Component List
Radio/Audio System Description and Operation Chevrolet
Radio to Amplifier and Front Speakers (W54,W55)
Radio to Amplifier (U59)
Figure 5:

Radio to Amplifier and Front Speakers (W54,W55)


Object Number: 775109  Size: FS
Master Electrical Component List
Radio/Audio System Description and Operation Chevrolet
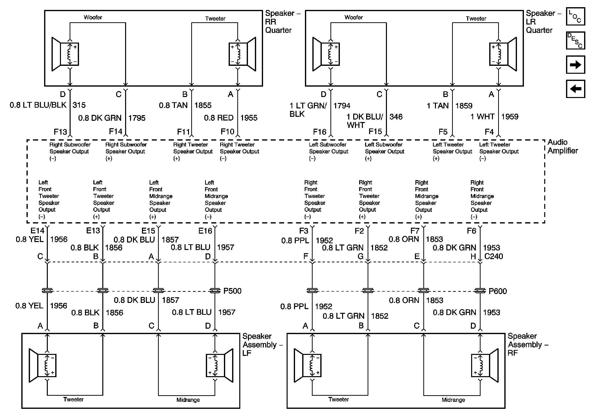
Amplifier to Speakers (W54,W55)
Amplifier to Speakers (U59)
Figure 6:

Amplifier to Speakers (W54,W55)


Object Number: 775118  Size: FS
Master Electrical Component List
Radio/Audio System Description and Operation Chevrolet
Radio to Amplifier (UZ7)
Radio to Amplifier and Front Speakers (W54,W55)
Figure 7:

Radio to Amplifier (UZ7)


Object Number: 774781  Size: FS
Master Electrical Component List
Radio/Audio System Description and Operation Chevrolet
Amplifier to Speakers (UZ7)
Amplifier to Speakers (W54,W55)
Figure 8:

Amplifier to Speakers (UZ7)


Object Number: 775101  Size: FS
Master Electrical Component List
Radio/Audio System Description and Operation Chevrolet
Radio to Remote Playback Device-CD Player
Radio to Amplifier (UZ7)
Figure 9:

Radio to Remote Playback Device -- CD Player


Object Number: 775142  Size: FS
Master Electrical Component List
Radio/Audio System Description and Operation Chevrolet
Amplifier to Speakers (UZ7)
COURTESY, RADIO ACCY Fuses and DEFOG/SEATS CKT BRKR
COURTESY, RADIO ACCY Fuses and DEFOG/SEATS CKT BRKR