GM Service Manual Online
For 1990-2009 cars only
Makes
🢒
Pontiac
🢒
2007
🢒
G5
🢒
Diagnostic Navigation
🢒
Vehicle Diagnostic Information
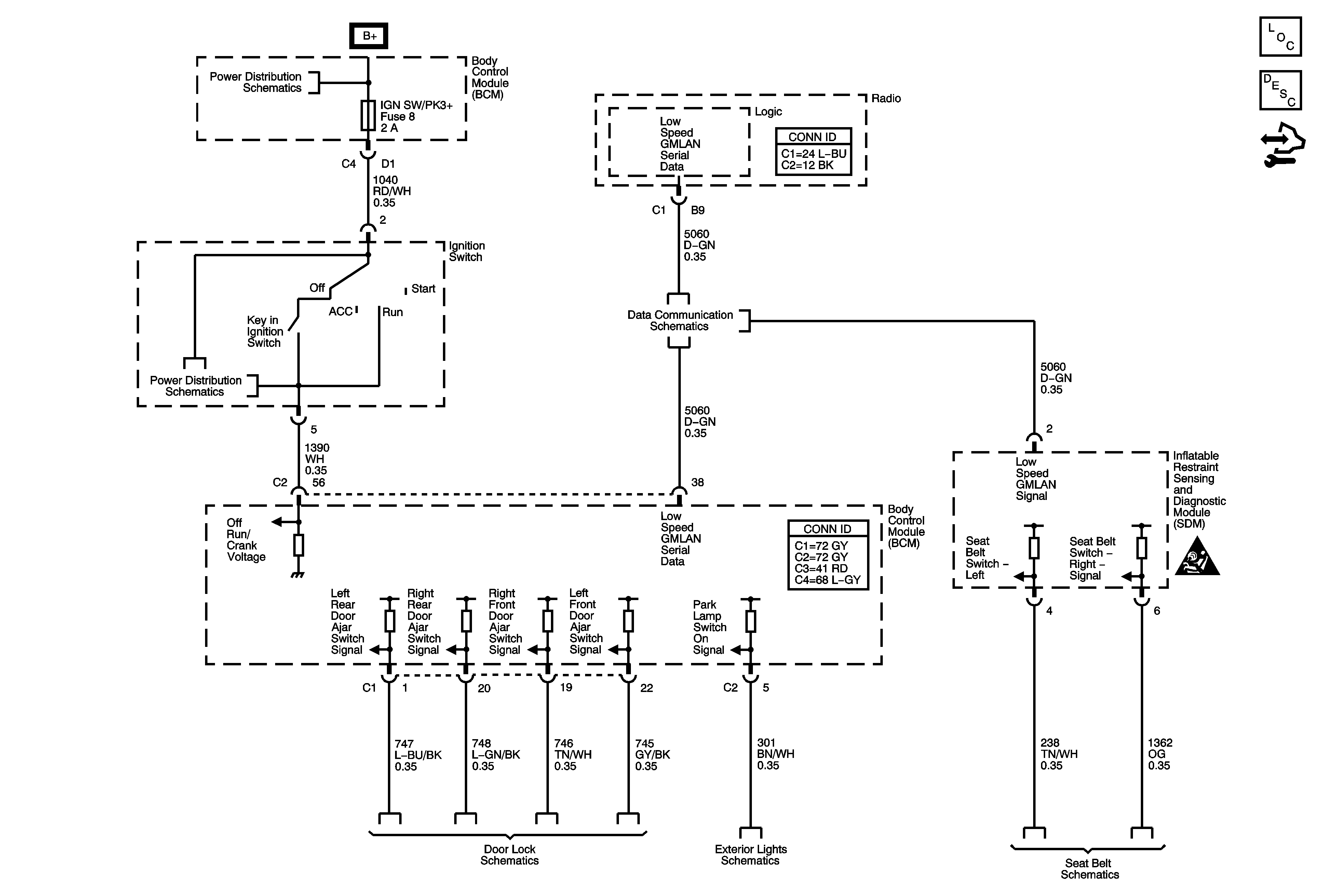
🢒 Audible Warnings Schematics
Master Electrical Component List
Audible Warnings Description and Operation
Control Module References
Body Control Module - AUDIO AMPLIFIER Fuse, BCM2 Fuse, CLUSTER Fuse, IGN SW Fuse, STOP LPS Fuse
Body Control Module - AUDIO AMPLIFIER Fuse, BCM2 Fuse, CLUSTER Fuse, IGN SW Fuse, STOP LPS Fuse
Power, Ground, Low Speed GMLAN
Door Switches
Park Lamps
Seat Belt Schematic
Displays and Gages Schematic Icons