GM Service Manual Online
For 1990-2009 cars only
Figure 1:

Power, Ground, MIL, Communication


Object Number: 1784260  Size: FS
Master Electrical Component List
Engine Control Module Description
Control Module References
5-Volt and Low Reference Bussing
Underhood Fuse Block Fuses- EMISN, FUEL PMP, INJ, PCM/ECM, and FUEL PMP Relay and PWR/TRN Relay
Body Control Module - AUDIO AMPLIFIER Fuse, BCM2 Fuse, CLUSTER Fuse, IGN SW Fuse, STOP LPS Fuse
Body Control Module - AUDIO AMPLIFIER Fuse, BCM2 Fuse, CLUSTER Fuse, IGN SW Fuse, STOP LPS Fuse
Body Control Module - AUDIO AMPLIFIER Fuse, BCM2 Fuse, CLUSTER Fuse, IGN SW Fuse, STOP LPS Fuse
Power, Ground, PNP Switch
Underhood Fuse Block Fuses- ABS, ABS2, BCK UP, CNSTR VENT, ECM/TRANS, EPS, HTD SEATS, IP IGN, LTR, MIR, PRK/NEUT, S-BAND/ONSTAR, and RUN/CRANK Relay
Underhood Fuse Block Fuses- EMISN, FUEL PMP, INJ, PCM/ECM, and FUEL PMP Relay and PWR/TRN Relay
G101, G102
G103, G105, G107
High Speed GMLAN
G101, G102
Figure 2:

5-Volt and Low Reference Bussing


Object Number: 1784261  Size: FS
Master Electrical Component List
Engine Control Module Description
Control Module References
Engine Data Sensors - Pressure, Temperature, MAF/IAT
Power, Ground, MIL, Communication
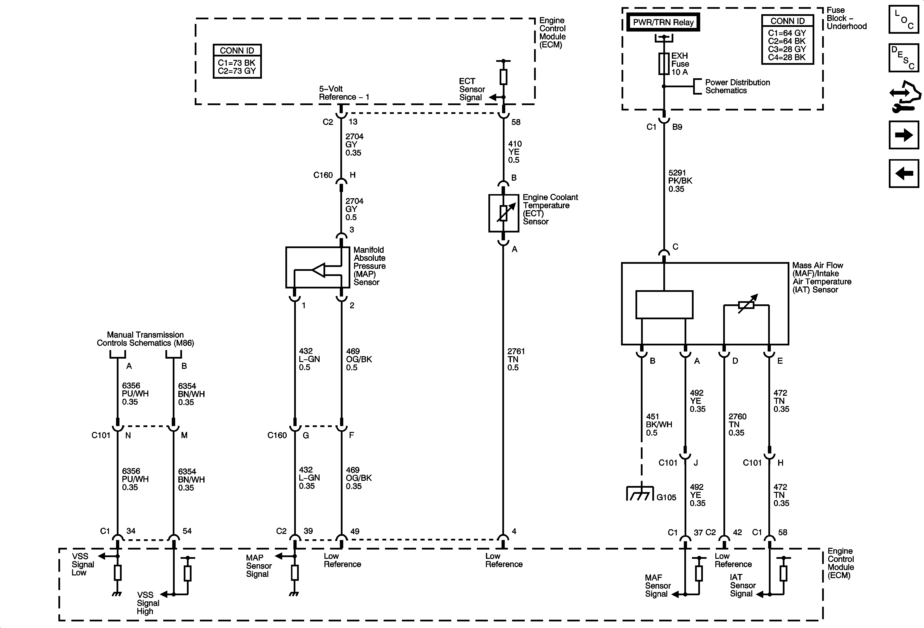
Figure 3:

Engine Data Sensors - Pressure, Temperature, MAF/IAT


Object Number: 1784262  Size: FS
Master Electrical Component List
Air Intake System Description
Control Module References
Engine Data Sensors - HO2S
5-Volt and Low Reference Bussing
Underhood Fuse Block Fuses- EMISN, FUEL PMP, INJ, PCM/ECM, and FUEL PMP Relay and PWR/TRN Relay
Manual Transmission Schematic
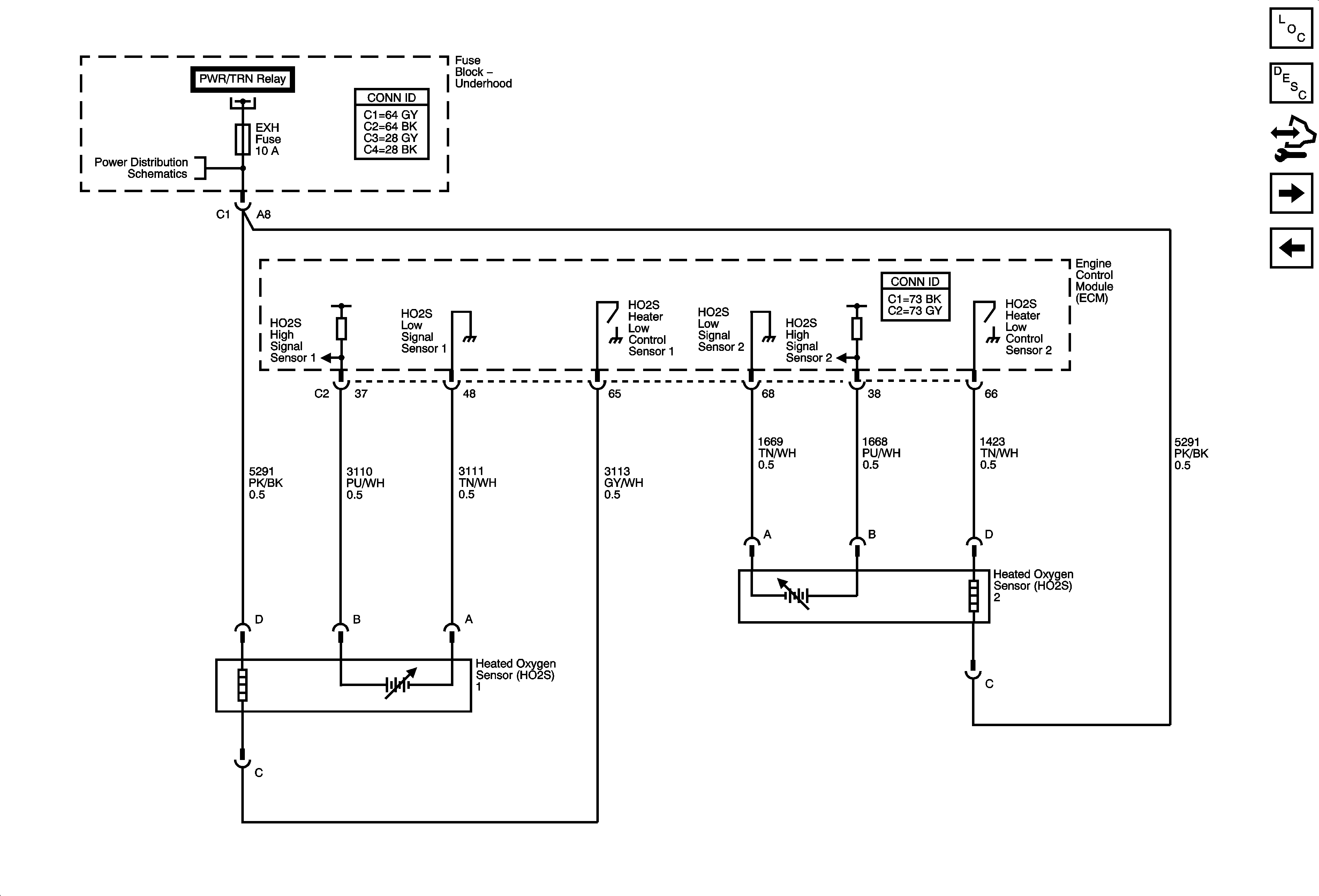
Figure 4:

Engine Data Sensors - HO2S


Object Number: 1784264  Size: FS
Master Electrical Component List
Engine Control Module Description
Control Module References
Engine Data Sensors - APP, TAC
Engine Data Sensors - Pressure, Temperature, MAF/IAT
Underhood Fuse Block Fuses- EMISN, FUEL PMP, INJ, PCM/ECM, and FUEL PMP Relay and PWR/TRN Relay
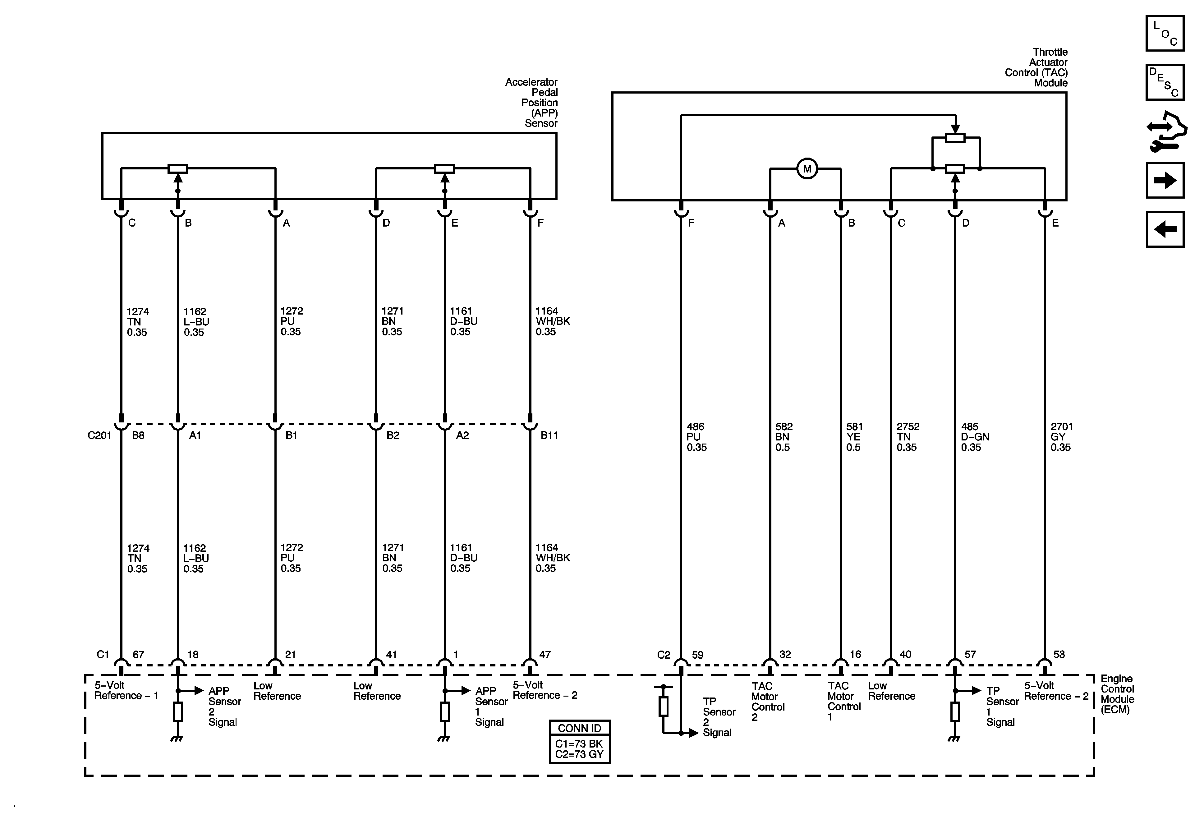
Figure 5:

Engine Data Sensors - APP, TAC


Object Number: 1784267  Size: FS
Master Electrical Component List
Throttle Actuator Control (TAC) System Description
Control Module References
Ignition Controls - Ignition System
Engine Data Sensors - HO2S
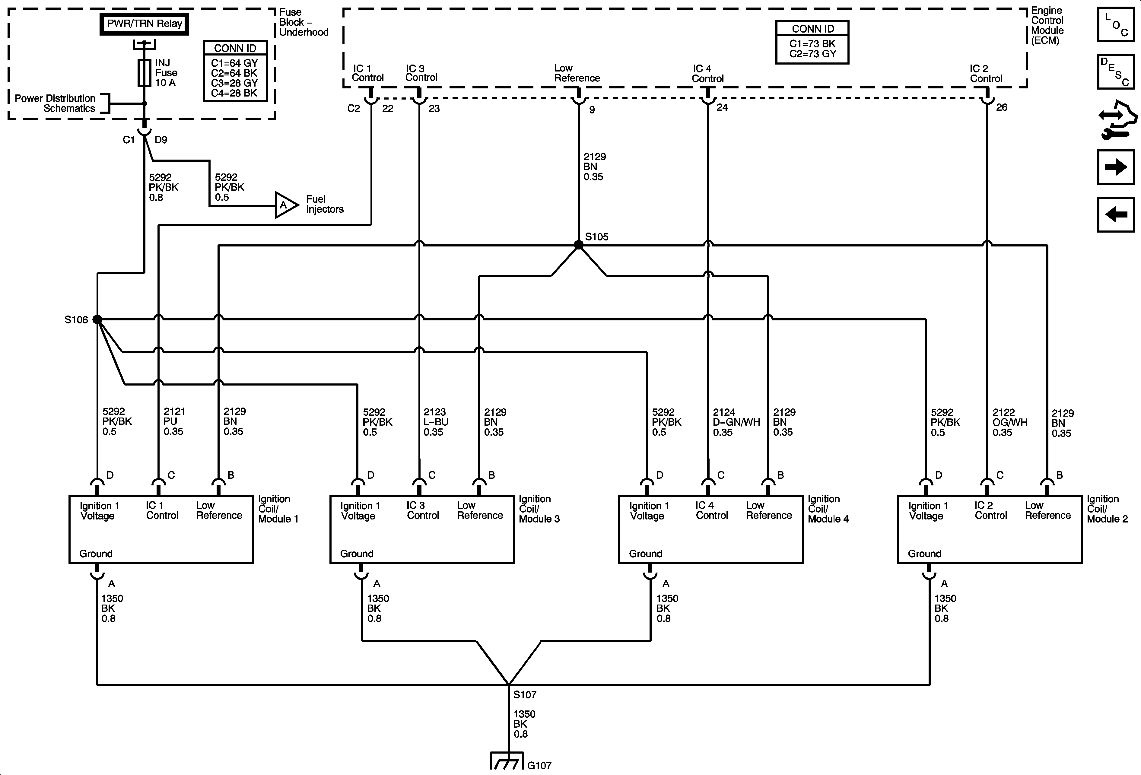
Figure 6:

Ignition Controls - Ignition System


Object Number: 1784268  Size: FS
Master Electrical Component List
Electronic Ignition (EI) System Description
Control Module References
Ignition Controls - Sensors
Engine Data Sensors - APP, TAC
Underhood Fuse Block Fuses- EMISN, FUEL PMP, INJ, PCM/ECM, and FUEL PMP Relay and PWR/TRN Relay
Fuel Controls, Injectors
G103, G105, G107
Figure 7:

Ignition Controls - Sensors


Object Number: 1791322  Size: FS
Master Electrical Component List
Electronic Ignition (EI) System Description
Control Module References
Secondary Air Injection (AIR) System (NU6)
Ignition Controls - Ignition System
Engine Controls Schematic Icons
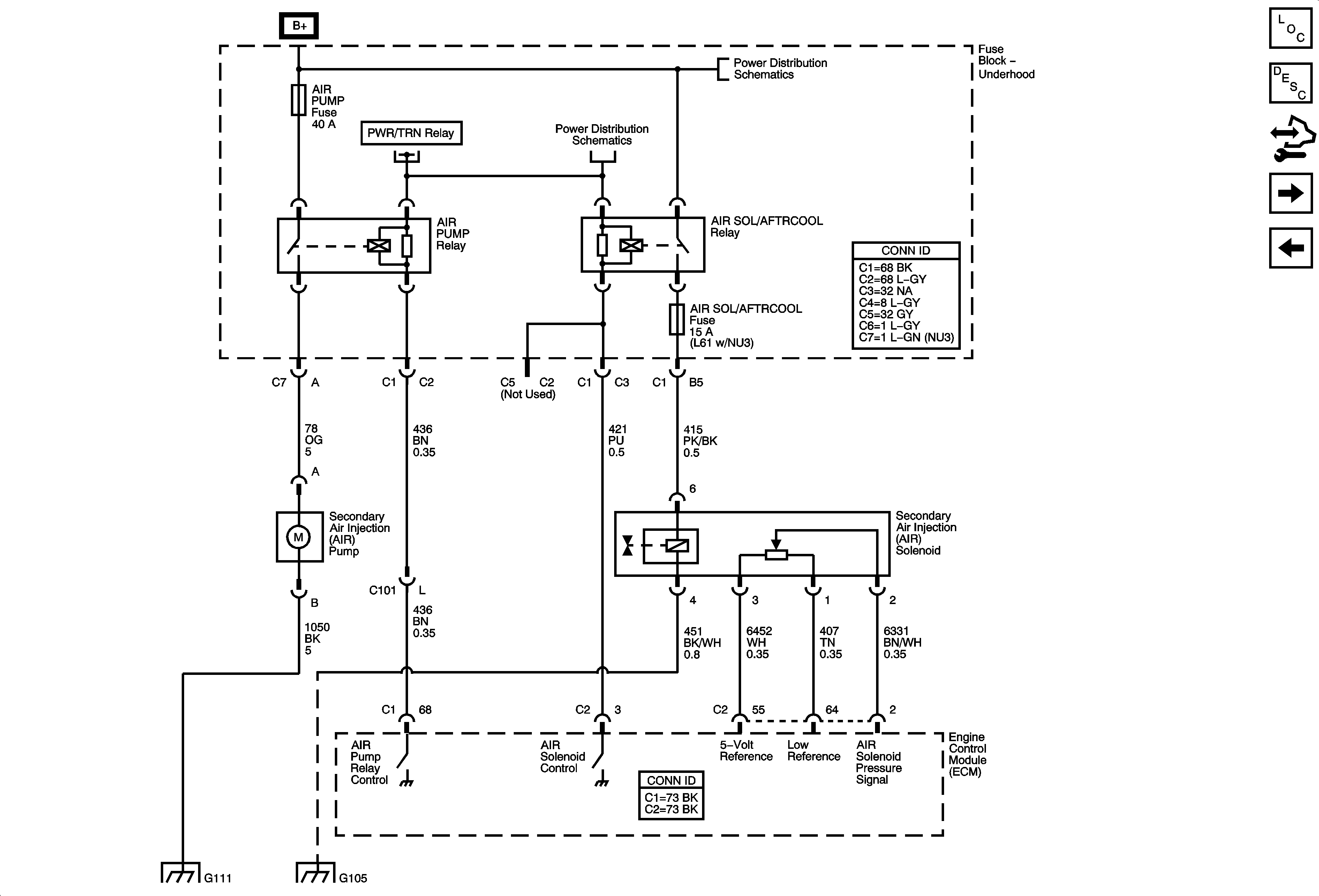
Figure 8:

Secondary Air Injection (AIR) System (NU6)


Object Number: 1784285  Size: FS
Master Electrical Component List
Secondary Air Injection System Description
Control Module References
Fuel Controls, Injectors
Ignition Controls - Sensors
Underhood Fuse Block Fuses- EMISN, FUEL PMP, INJ, PCM/ECM, and FUEL PMP Relay and PWR/TRN Relay
Underhood Fuse Block Fuses- AFTERCOOL, AIR PMP, AIR SOL, FOG LP, HORN, TRUNK/OUTLET
Underhood Fuse Block Fuses- AFTERCOOL, AIR PMP, AIR SOL, FOG LP, HORN, TRUNK/OUTLET
G109, G111, G203, G306
G103, G105, G107
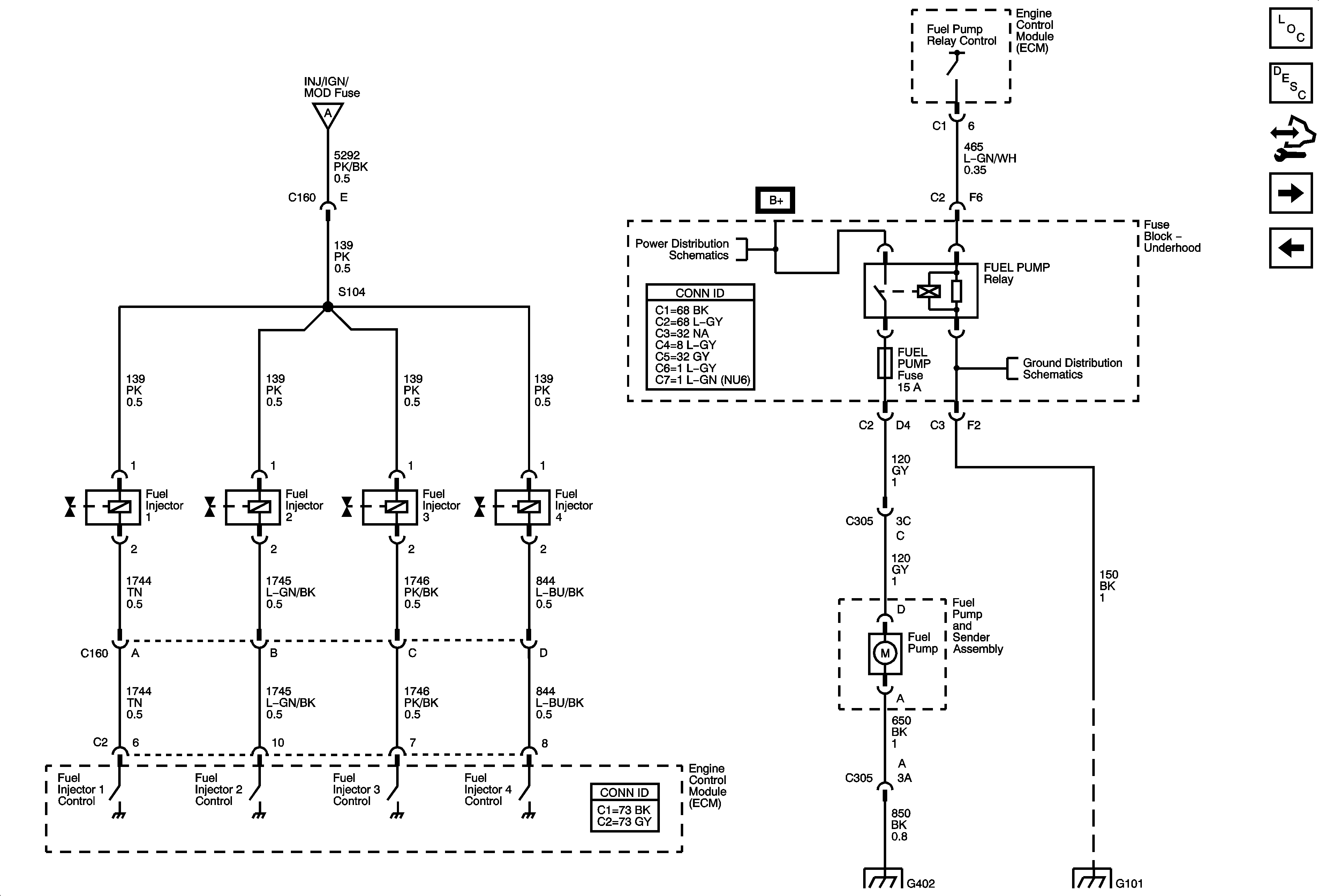
Figure 9:

Fuel Controls, Injectors


Object Number: 1784269  Size: FS
Master Electrical Component List
Fuel System Description (RPO NT7)
Control Module References
EVAP Controls
Secondary Air Injection (AIR) System (NU6)
Ignition Controls - Ignition System
Underhood Fuse Block Fuses- EMISN, FUEL PMP, INJ, PCM/ECM, and FUEL PMP Relay and PWR/TRN Relay
G101, G102
G402, G403
G101, G102
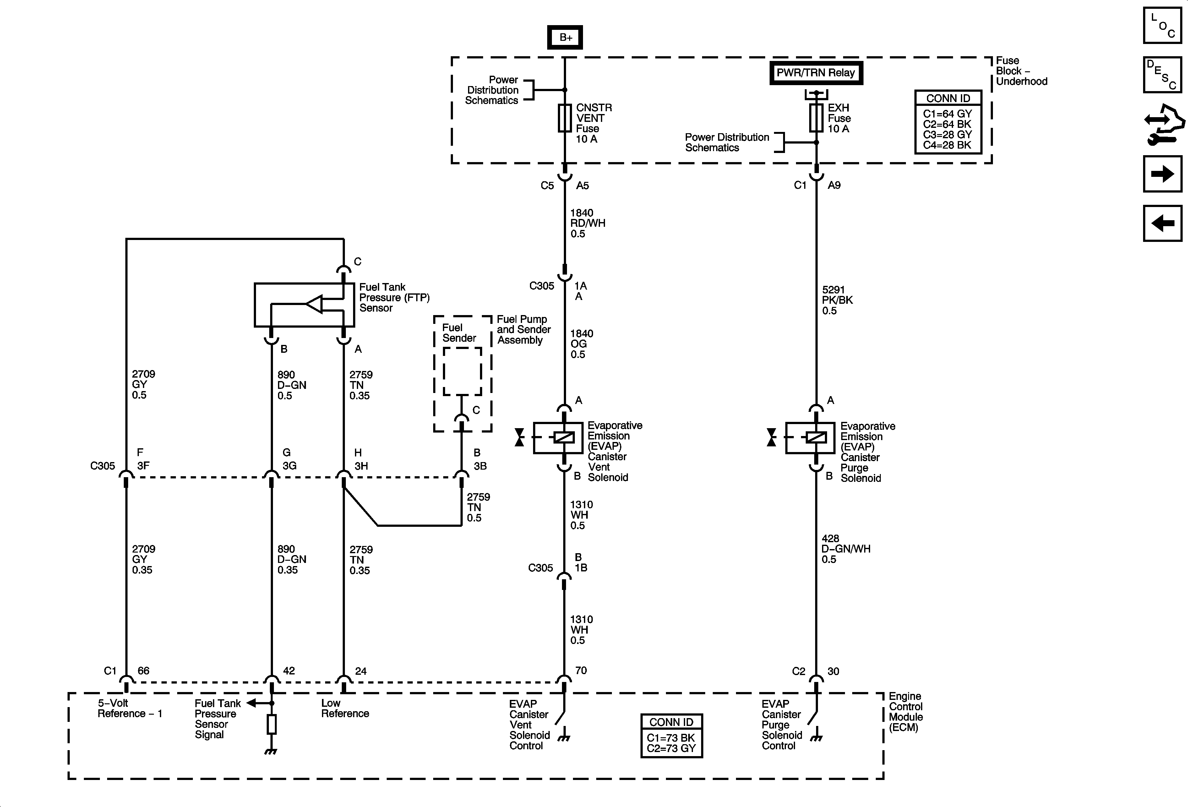
Figure 10:

EVAP Controls


Object Number: 1784270  Size: FS
Master Electrical Component List
Evaporative Emission Control System Description
Control Module References
Controlled/Monitored Subsystem References
Fuel Controls, Injectors
Underhood Fuse Block Fuses- ABS, ABS2, BCK UP, CNSTR VENT, ECM/TRANS, EPS, HTD SEATS, IP IGN, LTR, MIR, PRK/NEUT, S-BAND/ONSTAR, and RUN/CRANK Relay
Underhood Fuse Block Fuses- EMISN, FUEL PMP, INJ, PCM/ECM, and FUEL PMP Relay and PWR/TRN Relay
Figure 11:

Controlled/Monitored Subsystem References


Object Number: 1784272  Size: FS
Master Electrical Component List
Engine Control Module Description
Control Module References
EVAP Controls
Sensors, Indicators
Manual Transmission Schematic
Clutch Pedal Position Switch, Stop Lamp Switch
L61
Compressor Controls
Charging
Starting