GM Service Manual Online
For 1990-2009 cars only
Figure 1:

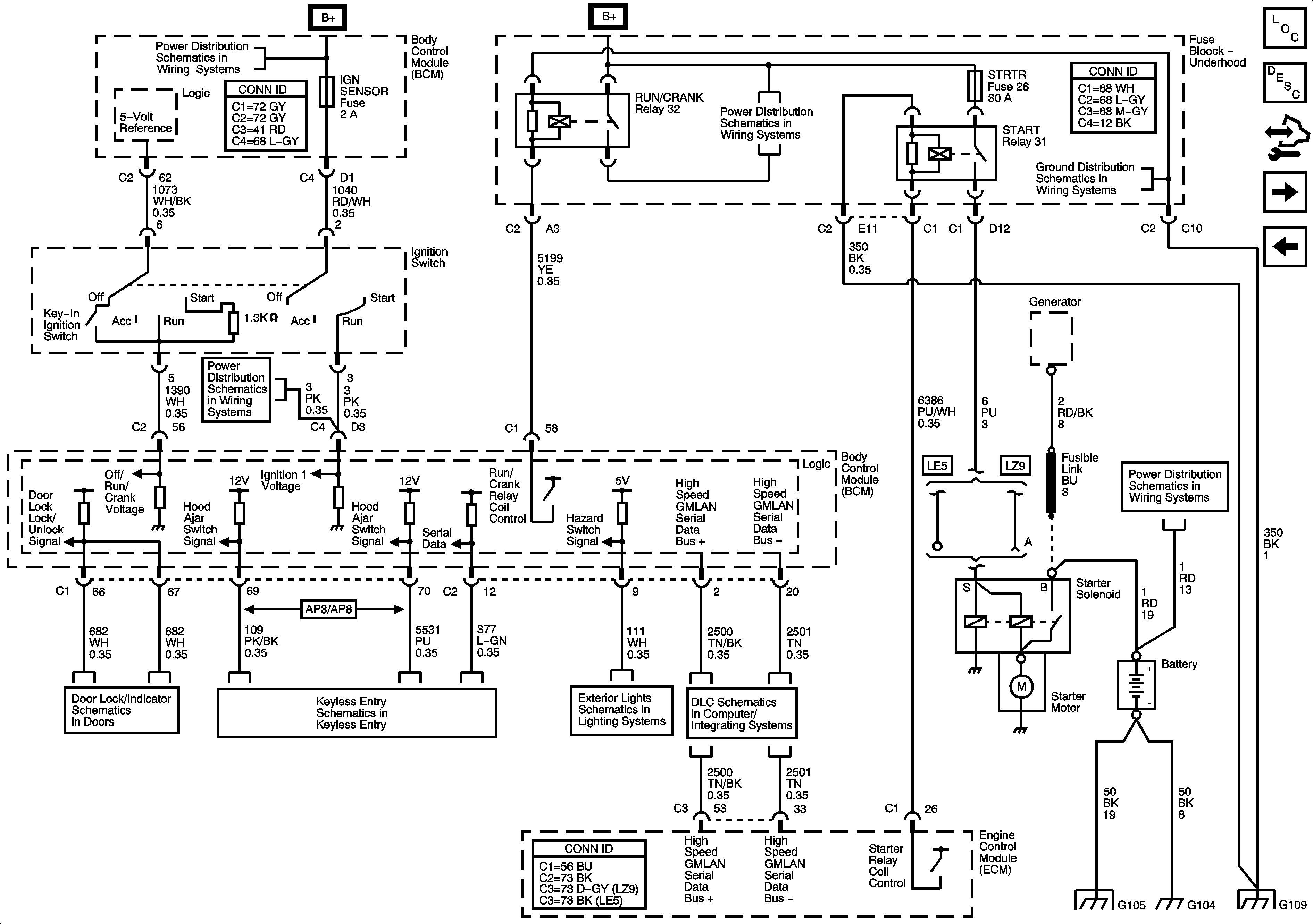
Starting System - LX9


Object Number: 1616029  Size: FS
Master Electrical Component List
Starting System Description and Operation
Control Module References
Starting System - LE5/LZ9
Underhood Fuse Block IBCM 1, Body Control Module (BCM), AIRBAG (BATT), CLUSTER/THEFT, HVAC CTRL (BATT), IGN SENSOR and RADIO Fuses
Underhood Fuse Block - B+
G109
Underhood Fuse Block IBCM 1, Body Control Module (BCM), AIRBAG (BATT), CLUSTER/THEFT, HVAC CTRL (BATT), IGN SENSOR and RADIO Fuses
Underhood Fuse Block - B+
Door Lock Switches
Keyless Entry Schematics
Ambient Light Sensor, Brake Pedal Position Sensor, Hazard Switch and Turn Signal/Multifunction Switch
Power, Ground, Serial Data, High Speed GMLAN
G103, G104 and G105
G109
Figure 2:

Starting System - LE5/LZ9


Object Number: 1616030  Size: FS
Master Electrical Component List
Starting System Description and Operation
Control Module References
Charging System
Starting System - LX9
Underhood Fuse Block IBCM 1, Body Control Module (BCM), AIRBAG (BATT), CLUSTER/THEFT, HVAC CTRL (BATT), IGN SENSOR and RADIO Fuses
Underhood Fuse Block - B+
G109
Underhood Fuse Block IBCM 1, Body Control Module (BCM), AIRBAG (BATT), CLUSTER/THEFT, HVAC CTRL (BATT), IGN SENSOR and RADIO Fuses
Door Lock Switches
Keyless Entry Schematics
Ambient Light Sensor, Brake Pedal Position Sensor, Hazard Switch and Turn Signal/Multifunction Switch
Power, Ground, Serial Data, High Speed GMLAN
G103, G104 and G105
G109
Figure 3:

Charging System


Object Number: 1616023  Size: FS
Master Electrical Component List
Charging System Description and Operation
Control Module References
Starting System - LE5/LZ9
Underhood Fuse Block - B+
Low Speed Serial Data
Power, Ground, Serial Data, High Speed GMLAN
G103, G104 and G105