GM Service Manual Online
For 1990-2009 cars only
Makes
🢒
Pontiac
🢒
2006
🢒
G6
🢒
Body
🢒
Wipers/Washer Systems
🢒 Wiper/Washer Schematics
Figure
1:
Wiper System
Master Electrical Component List
Wiper/Washer System Description and Operation
Control Module References
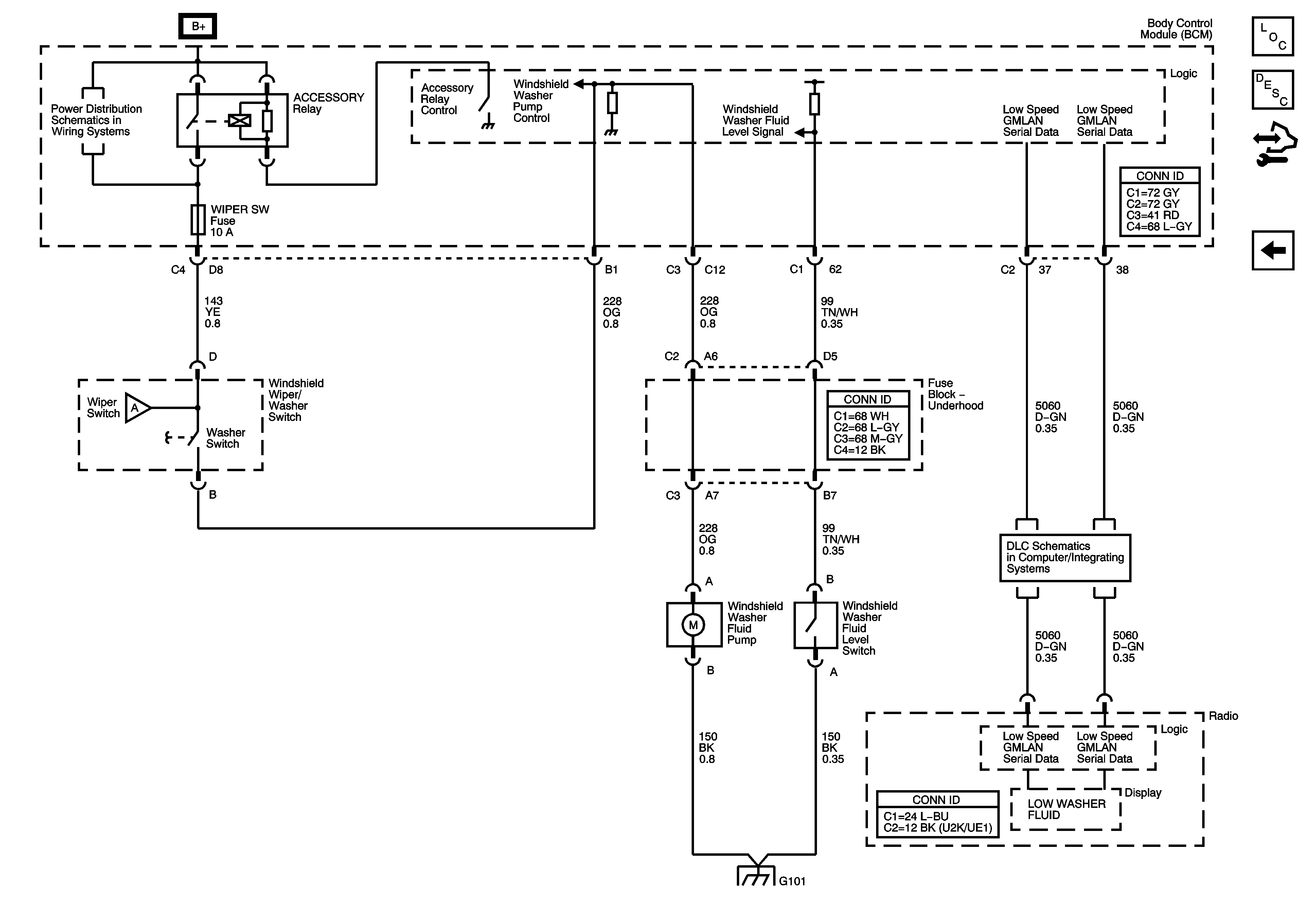
Washer System
Underhood Fuse Block IBCM 2, Body Control Module (BCM) ACCESSORY Relay, DOOR LOCK, POWER WINDOWS, ROOF/HEAT SEAT and WPR SW Fuses
Underhood Fuse Block - B+
Washer System
G109
Figure
2:
Washer System
Master Electrical Component List
Wiper/Washer System Description and Operation
Control Module References
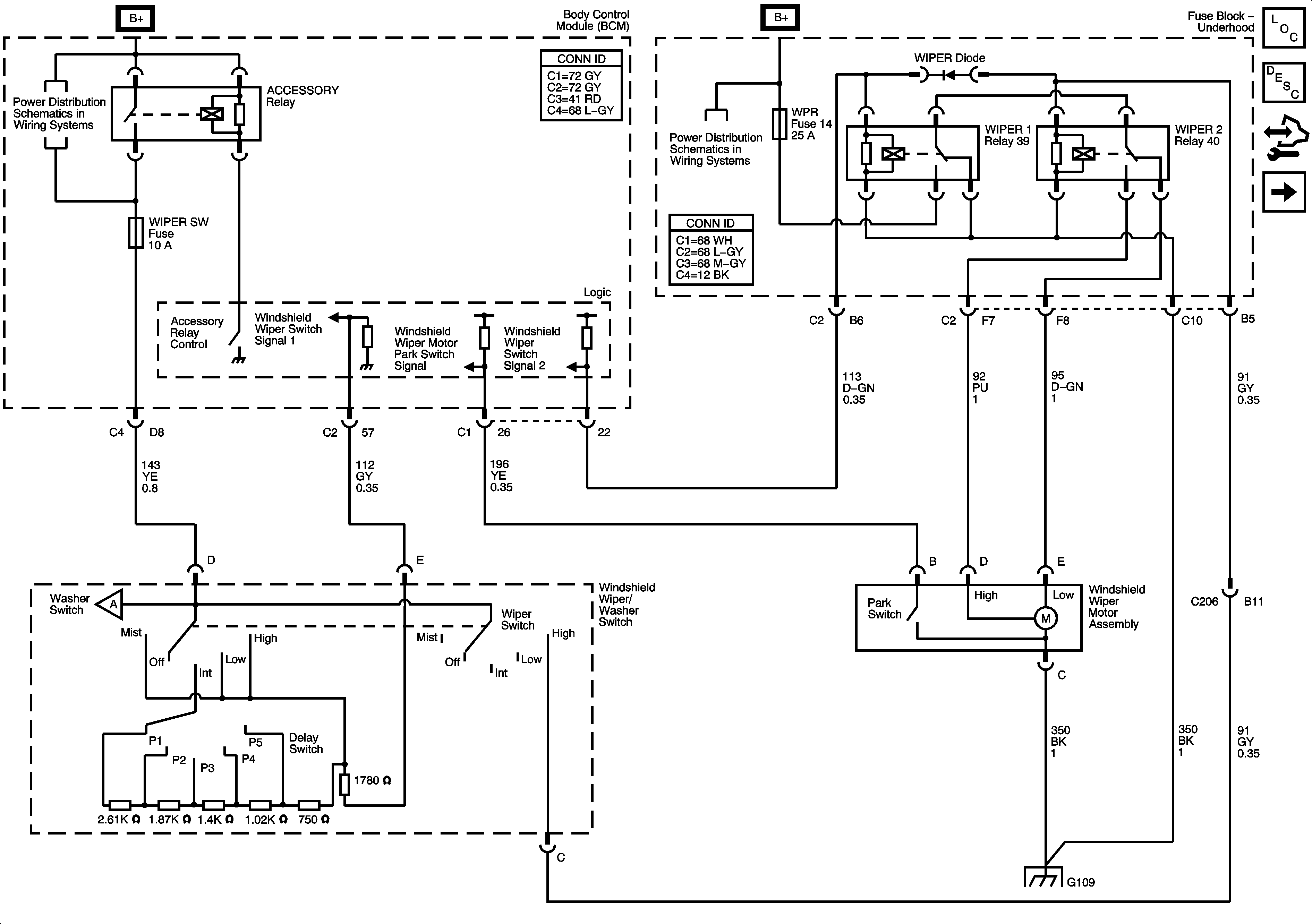
Wiper System
Underhood Fuse Block IBCM 2, Body Control Module (BCM) ACCESSORY Relay, DOOR LOCK, POWER WINDOWS, ROOF/HEAT SEAT and WPR SW Fuses
Wiper System
Low Speed Serial Data
G101 and G102