GM Service Manual Online
For 1990-2009 cars only
Makes
🢒
Pontiac
🢒
2006
🢒
G6
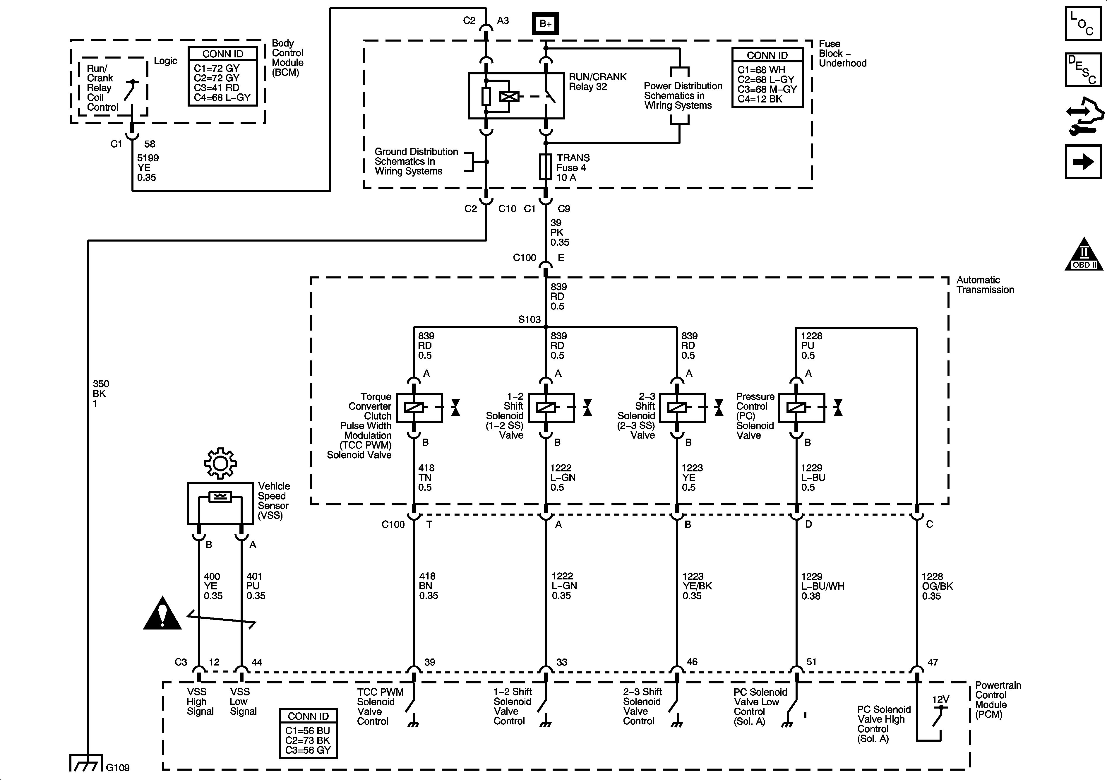
🢒 Transmission Solenoids ans VSS (LX9)
Transmission Solenoids ans VSS (LX9)
Transmission Solenoids and VSS (LX9)
Master Electrical Component List
Transmission Component and System Description
Control Module References
Transmission Switches, TFT and A/T ISS Sensor (LX9)
Automatic Transmission Schematic Icons
G109
Underhood Fuse Block - B+
Automatic Transmission Schematic Icons
G109