GM Service Manual Online
For 1990-2009 cars only
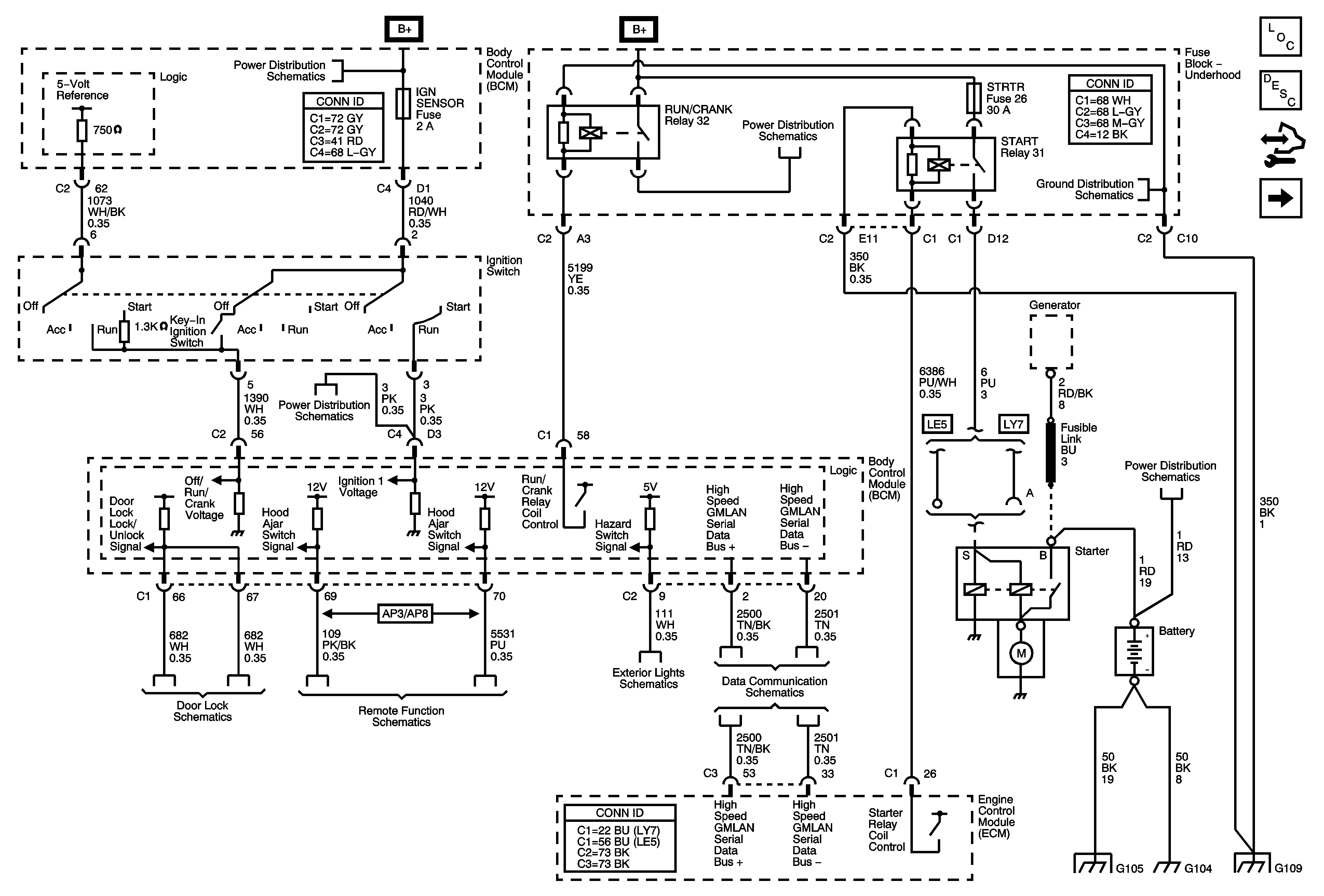
Figure 1:

Starting System - LE5/LY7


Object Number: 1782607  Size: FS
Master Electrical Component List
Starting System Description and Operation
Control Module References
Starting System - LZ4/LZ9
Underhood Fuse Block IBCM 1 Fuse, BCM AIRBAG (BATT), CLUSTER/THEFT, HVAC CTRL (BATT), IGN SENSOR and RADIO Fuses and Ignition Switch
Underhood Fuse Block B+
G109
Underhood Fuse Block IBCM 1 Fuse, BCM AIRBAG (BATT), CLUSTER/THEFT, HVAC CTRL (BATT), IGN SENSOR and RADIO Fuses and Ignition Switch
Underhood Fuse Block B+
Door Lock Switches
Remote Function Schematics
Ambient Light Sensor, Brake Pedal Position Sensor, Hazard Switch, and Turn Signal/Malfunction Switch
Power, Ground, High Speed GMLAN Serial Data
G103, G104, and G105
G103, G104, and G105
G109
Figure 2:

Starting System - LZ4/LZ9


Object Number: 1782619  Size: FS
Master Electrical Component List
Starting System Description and Operation
Control Module References
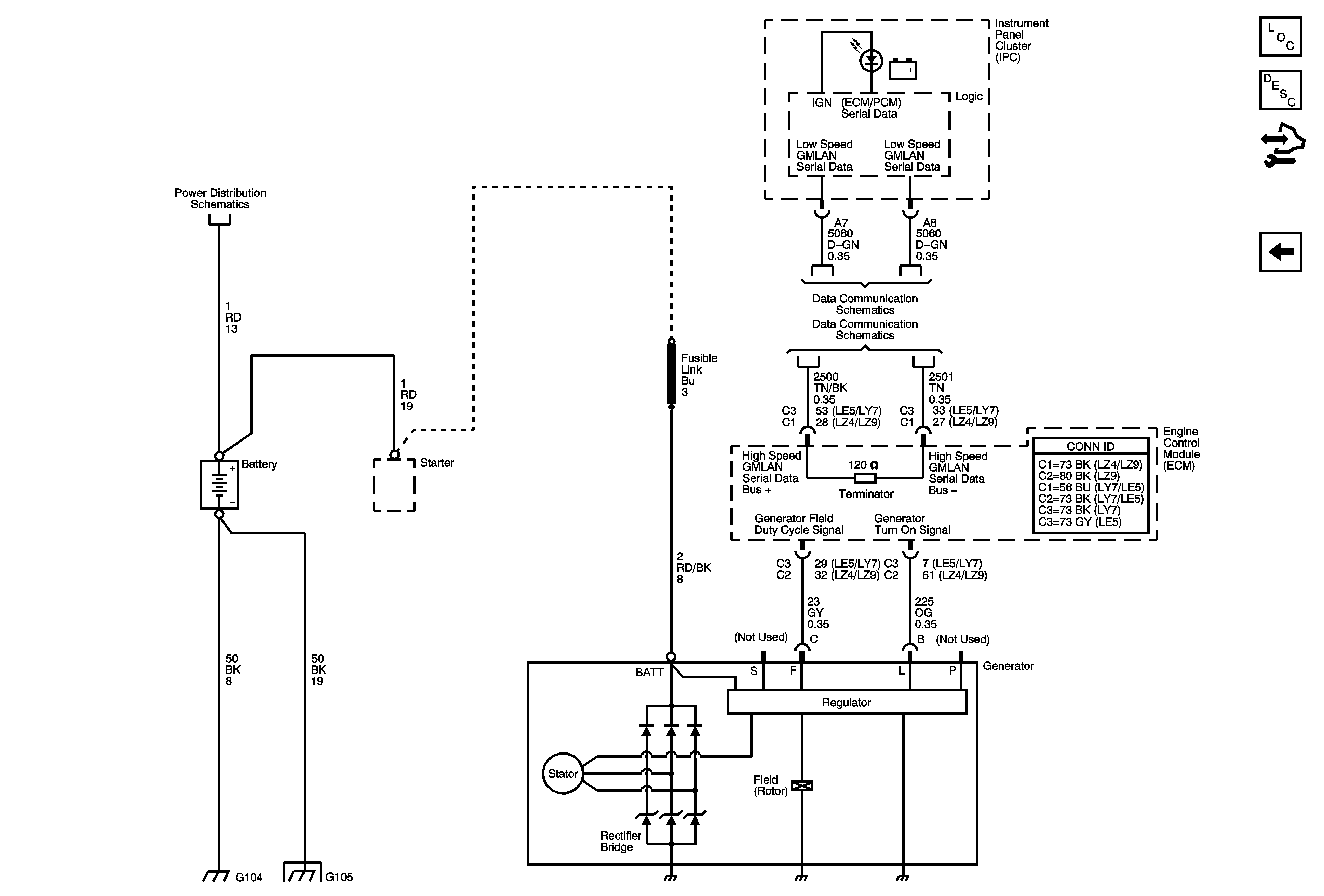
Charging System
Starting System - LE5/LY7
Underhood Fuse Block IBCM 1 Fuse, BCM AIRBAG (BATT), CLUSTER/THEFT, HVAC CTRL (BATT), IGN SENSOR and RADIO Fuses and Ignition Switch
Underhood Fuse Block B+
G109
Underhood Fuse Block IBCM 1 Fuse, BCM AIRBAG (BATT), CLUSTER/THEFT, HVAC CTRL (BATT), IGN SENSOR and RADIO Fuses and Ignition Switch
Underhood Fuse Block B+
Door Lock Switches
Remote Function Schematics
Ambient Light Sensor, Brake Pedal Position Sensor, Hazard Switch, and Turn Signal/Malfunction Switch
Power, Ground, High Speed GMLAN Serial Data
G103, G104, and G105
G103, G104, and G105
G109
Figure 3:

Starting - PNP/IMS Signal


Object Number: 2009433  Size: FS
Master Electrical Component List
Starting System Description and Operation
Control Module References
Charging System
Starting System - LZ4/LZ9
G103, G104, and G105
BCM, Tap Up/Tap Down Switch
Figure 4:

Charging System


Object Number: 1782610  Size: FS
Master Electrical Component List
Charging System Description and Operation
Control Module References
Starting System - LZ4/LZ9
Underhood Fuse Block B+
Low Speed GMLAN Serial Data (1 of 2)
Power, Ground, High Speed GMLAN Serial Data
G103, G104, and G105
G103, G104, and G105