GM Service Manual Online
For 1990-2009 cars only
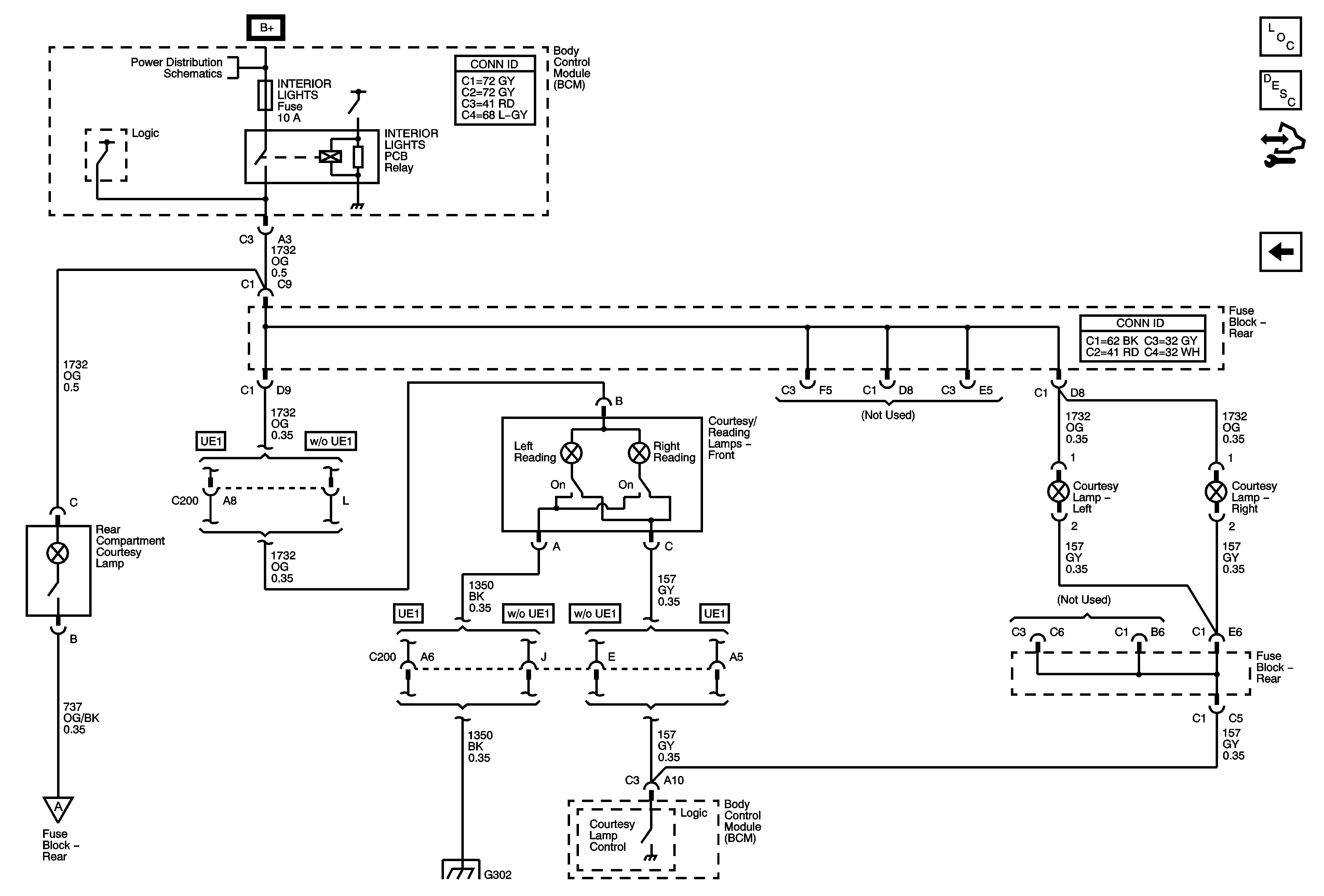
Figure 1:

Inputs


Object Number: 1787573  Size: FS
Master Electrical Component List
Interior Lighting Systems Description and Operation
Control Module References
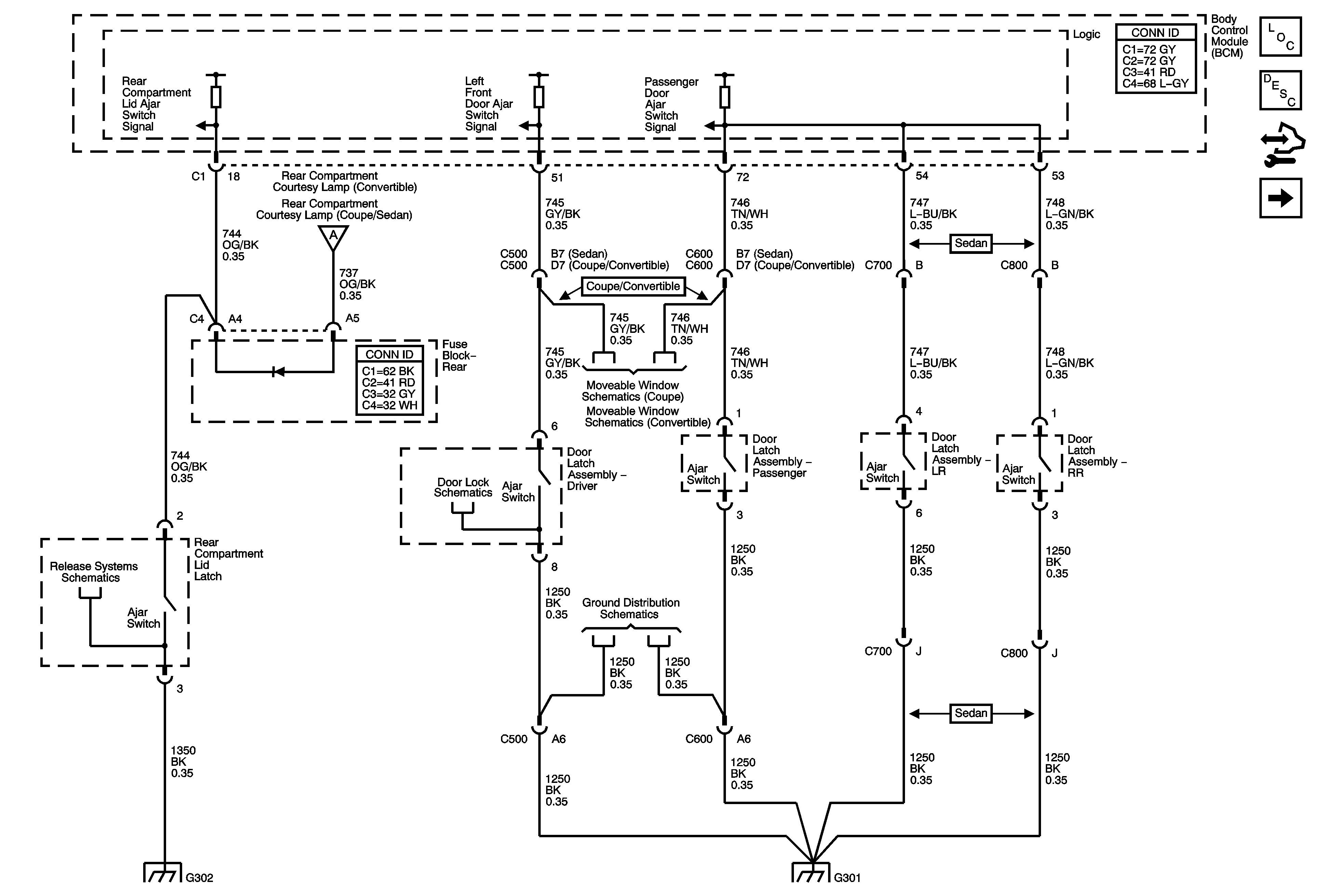
Outputs (Coupe/Sedan)
Outputs (Coupe/Sedan)
Outputs (Coupe/Sedan)
Ajar Switches - Coupe
Front Window Motors - Convertible
Door Lock Switches
Release Systems Schematics
G301
G302
G301
Figure 2:

Outputs (Coupe/Sedan)


Object Number: 1787574  Size: FS
Master Electrical Component List
Interior Lighting Systems Description and Operation
Control Module References
Outputs (Convertible)
Inputs
BCM INTERIOR LIGHTS, ONSTAR, PEDAL and POWER MIRRORS Fuses
Inputs
G302
Figure 3:

Outputs (Convertible)


Object Number: 1787576  Size: FS
Master Electrical Component List
Interior Lighting Systems Description and Operation
Control Module References
Outputs (Coupe/Sedan)
BCM INTERIOR LIGHTS, ONSTAR, PEDAL and POWER MIRRORS Fuses
Inputs
G302