GM Service Manual Online
For 1990-2009 cars only
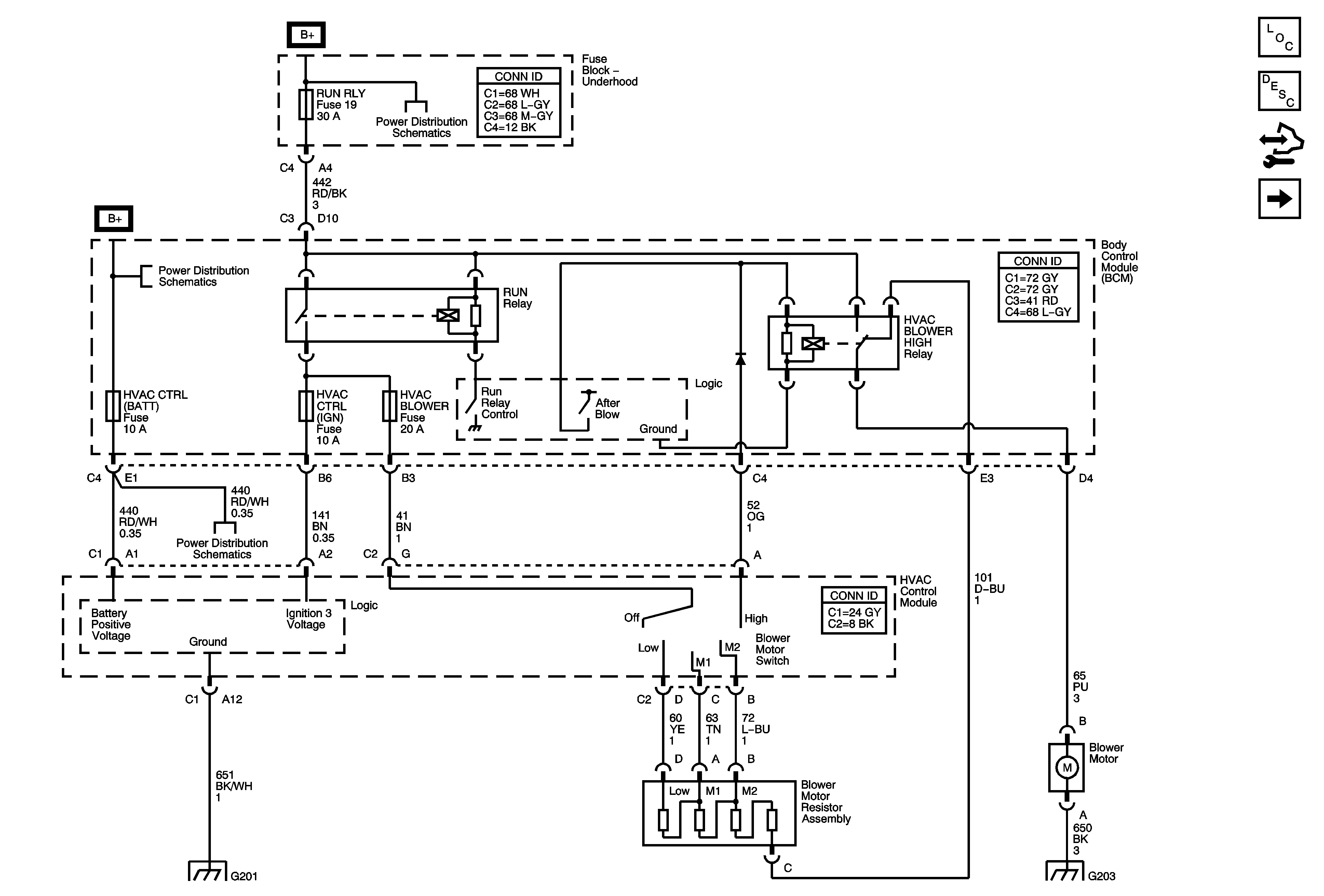
Figure 1:

Blower Motor Controls, Ground and Power


Object Number: 1781799  Size: FS
Master Electrical Component List
Air Temperature Description and Operation
Control Module References
Ambient Air Temperature Sensor and Compressor Controls
Underhood Fuse Block RBEC 2 Fuse and RUN RLY, BCM HVAC BLOWER HIGH and RUN Relays, HVAC BLOWER and HVAC CTRL (IGN) Fuses, Rear Fuse Block FUEL, PARK LPS and TRUNK Relays, DRV ST, EMISSION 2, FOLDING T
Underhood Fuse Block IBCM 1 Fuse, BCM AIRBAG (BATT), CLUSTER/THEFT, HVAC CTRL (BATT), IGN SENSOR and RADIO Fuses and Ignition Switch
Underhood Fuse Block IBCM 1 Fuse, BCM AIRBAG (BATT), CLUSTER/THEFT, HVAC CTRL (BATT), IGN SENSOR and RADIO Fuses and Ignition Switch
G201
G203
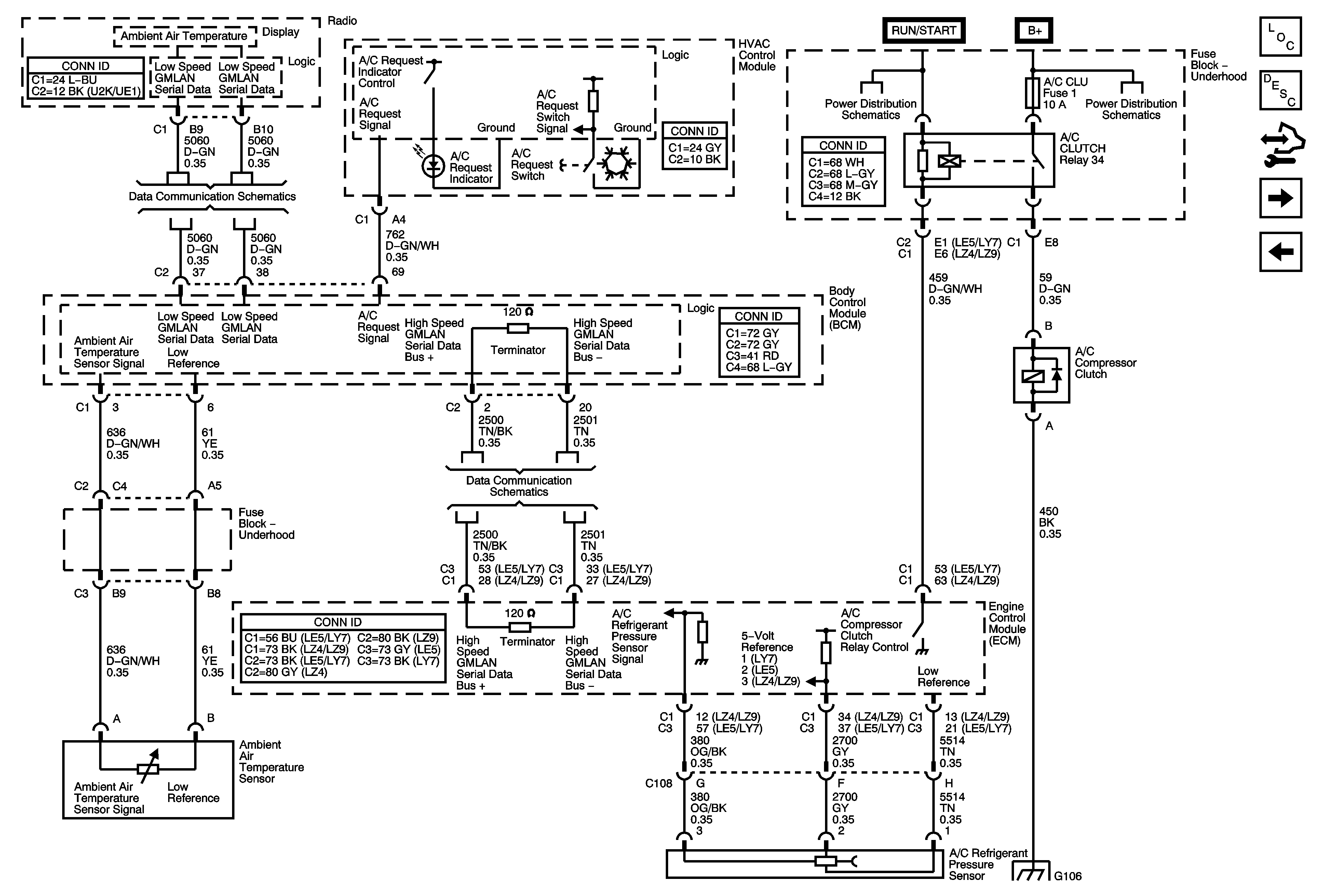
Figure 2:

Ambient Air Temperature Sensor and Compressor Controls


Object Number: 1781800  Size: FS
Master Electrical Component List
Air Temperature Description and Operation
Control Module References
Air Temperature and Mode Controls
Blower Motor Controls, Ground and Power
Low Speed GMLAN Serial Data (1 of 2)
Underhood Fuse Block B+
Underhood Fuse Block B+
Power, Ground, High Speed GMLAN Serial Data
G106
Figure 3:

Air Temperature and Mode Controls


Object Number: 1781801  Size: FS
Master Electrical Component List
Air Delivery Description and Operation
Control Module References
Ambient Air Temperature Sensor and Compressor Controls