GM Service Manual Online
For 1990-2009 cars only
Figure 1:

SDM, Washer Solvent Lever Sensor, Seat Belt Switch and Park Brake Switch


Object Number: 647581  Size: FS
Audible Warnings Circuit Description
Ignition Switch and Left Front Door Ajar Switch
SIR Handling Caution
Handling ESD Sensitive Parts Notice
Power Distribution Schematics
Power Distribution Schematics
Power Distribution Schematics
Power Distribution Schematics
Data Link Connector Schematics
Ground Distribution Schematics
Ground Distribution Schematics
Ground Distribution Schematics
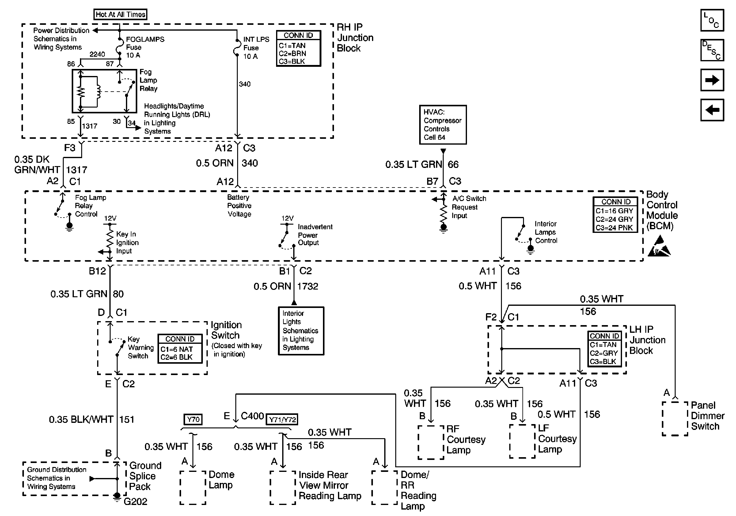
Figure 2:

Ignition Switch and Left Front Door Ajar Switch


Object Number: 647582  Size: FS
Audible Warnings Circuit Description
Remote Control Door Lock Receiver and Right Rear, Left Rear, Right Front Door Ajar Switches
SDM, Washer Solvent Lever Sensor, Seat Belt Switch And Park Brake Switch
Power Distribution Schematics
Ground Distribution Schematics
Ground Distribution Schematics
HVAC Compressor Control Schematics
Exterior Lights Schematics
Headlights/Daytime Running Lights (DRL) Schematics
Headlights/Daytime Running Lights (DRL) Schematics
Interior Lights Schematics
Interior Lights Schematics
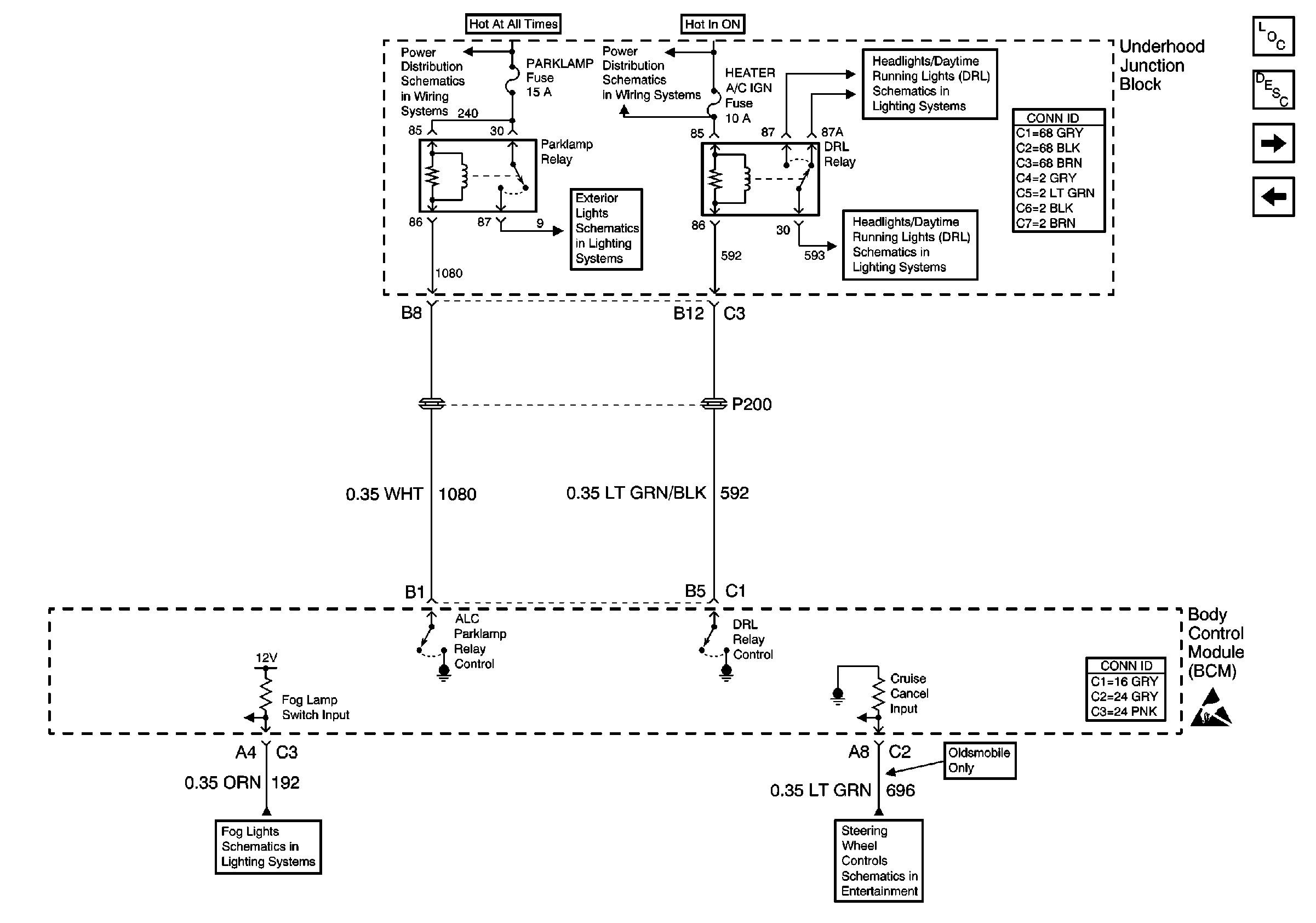
Figure 3:

Remote Control Door Lock Receiver and Right Rear, Left Rear, Right Front Door Ajar Switches


Object Number: 647584  Size: FS
Audible Warnings Circuit Description
Cell 76: Fuel Tank Module, Instrument Cluster and Passlock ™ Cylinder
Ignition Switch and Left Front Door Ajar Switch
Handling ESD Sensitive Parts Notice
Headlights/Daytime Running Lights (DRL) Schematics
Exterior Lights Schematics
Ground Distribution Schematics
Ground Distribution Schematics
Ground Distribution Schematics
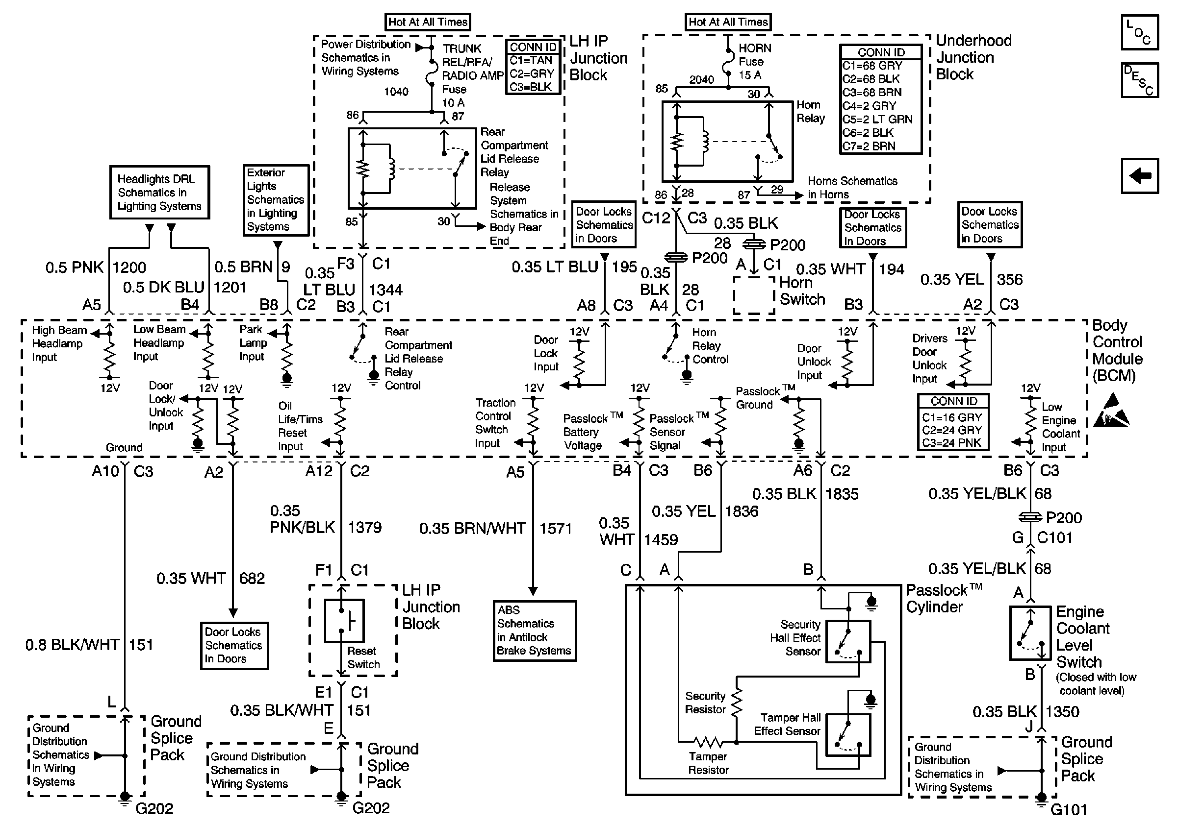
Figure 4:

Ignition Switch and BCM (1 of 2)


Object Number: 647586  Size: FS
Audible Warnings Circuit Description
Remote Control Door Lock Receiver and Right Rear, Left Rear, Right Front Door Ajar Switches
Handling ESD Sensitive Parts Notice
Handling ESD Sensitive Parts Notice
Headlights/Daytime Running Lights (DRL) Schematics
Headlights/Daytime Running Lights (DRL) Schematics
Exterior Lights Schematics
Ground Distribution Schematics
Ground Distribution Schematics
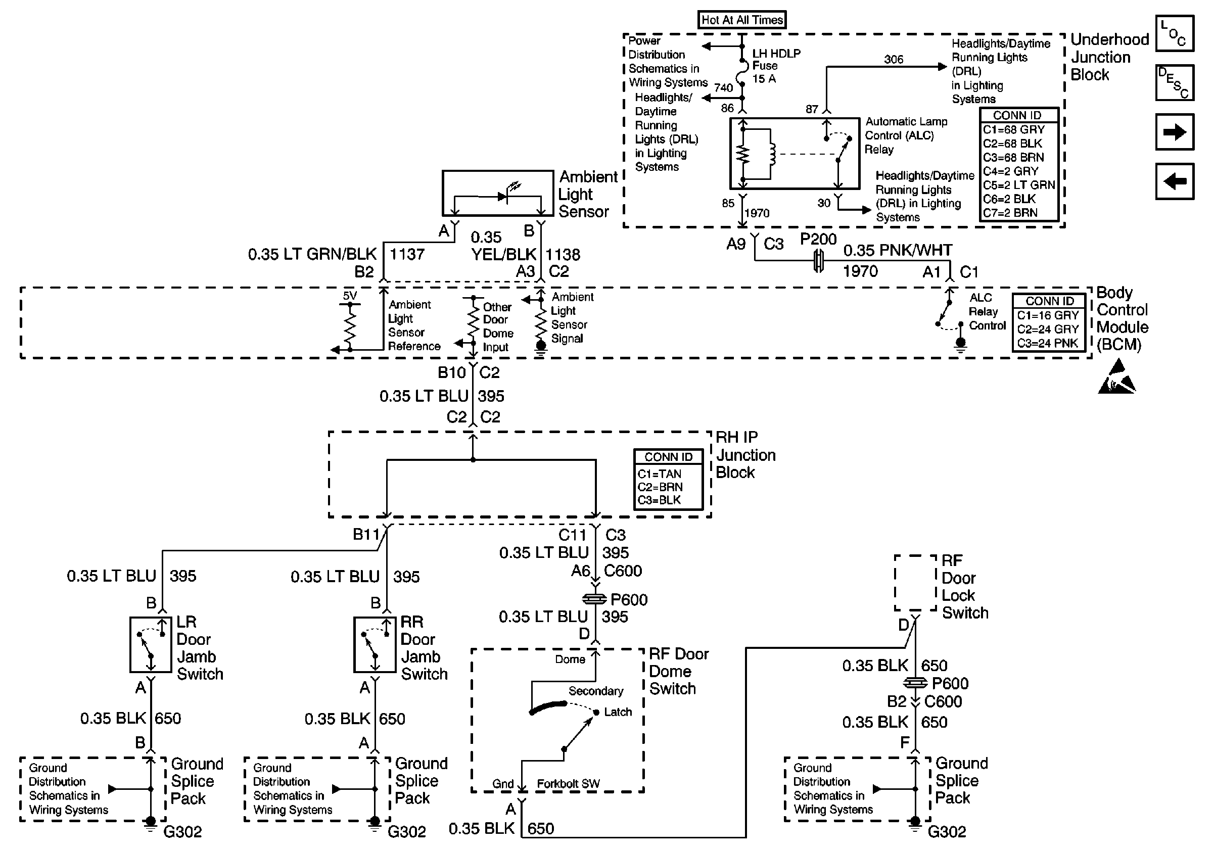
Figure 5:

BCM and Passlockā„¢ Cylinder (2 of 2)


Object Number: 647588  Size: FS
Audible Warnings Circuit Description
Remote Control Door Lock Receiver and Right Rear, Left Rear, Right Front Door Ajar Switches
Handling ESD Sensitive Parts Notice
Handling ESD Sensitive Parts Notice
Headlights/Daytime Running Lights (DRL) Schematics
Headlights/Daytime Running Lights (DRL) Schematics
Exterior Lights Schematics
Ground Distribution Schematics
Ground Distribution Schematics