GM Service Manual Online
For 1990-2009 cars only
Makes
🢒
Pontiac
🢒
1999
🢒
Grand Prix
🢒
Body and Accessories
🢒
Seats
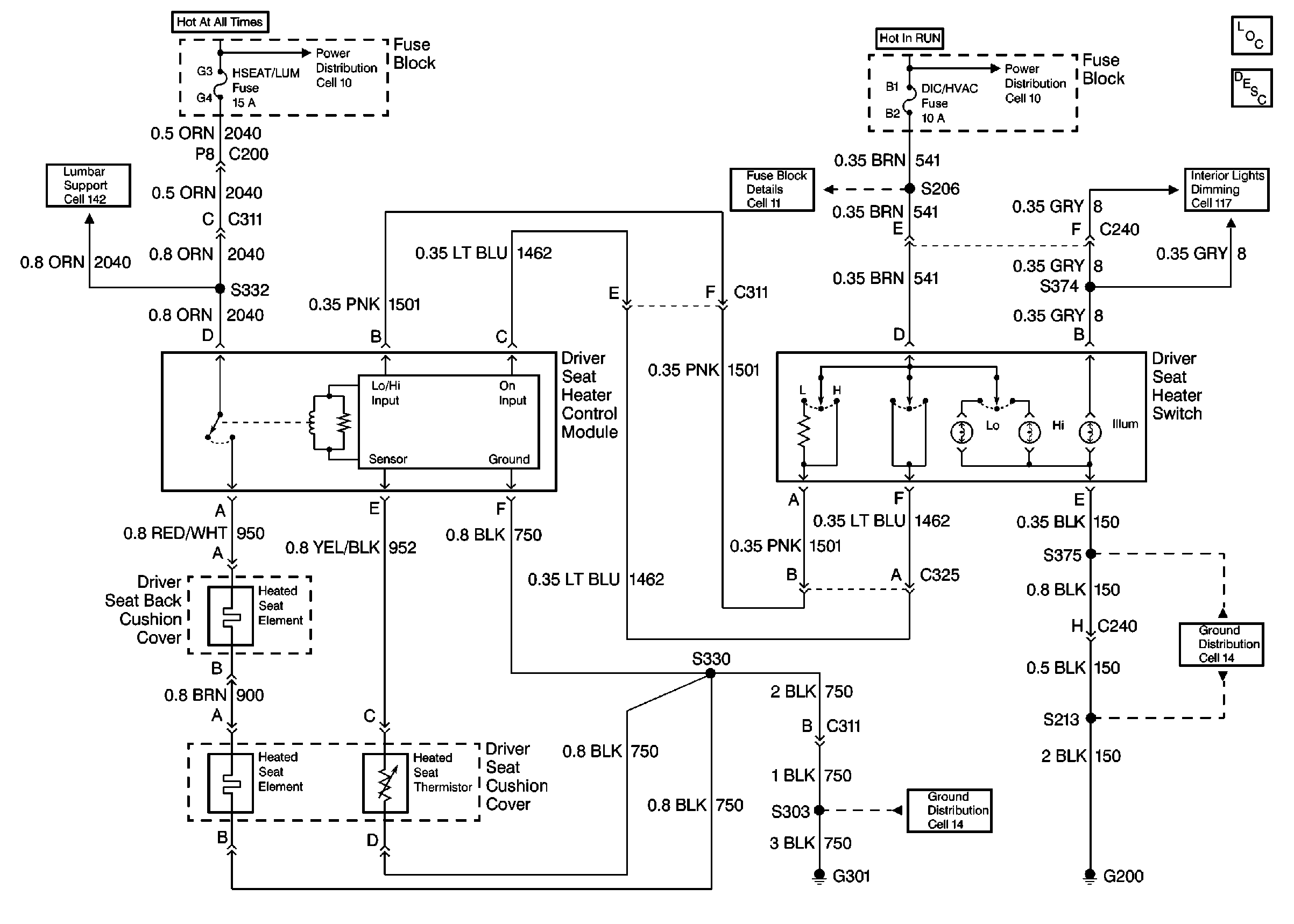
🢒 Heated Seats Schematics
Cell 143
Power Seat Systems Components
Heated Seats Circuit Description
Interior Lights Schematics
Fuse Block Schematics
Lumbar Support Schematics
Ground Distribution Schematics
Ground Distribution Schematics