GM Service Manual Online
For 1990-2009 cars only
Makes
🢒
Pontiac
🢒
1999
🢒
Grand Prix
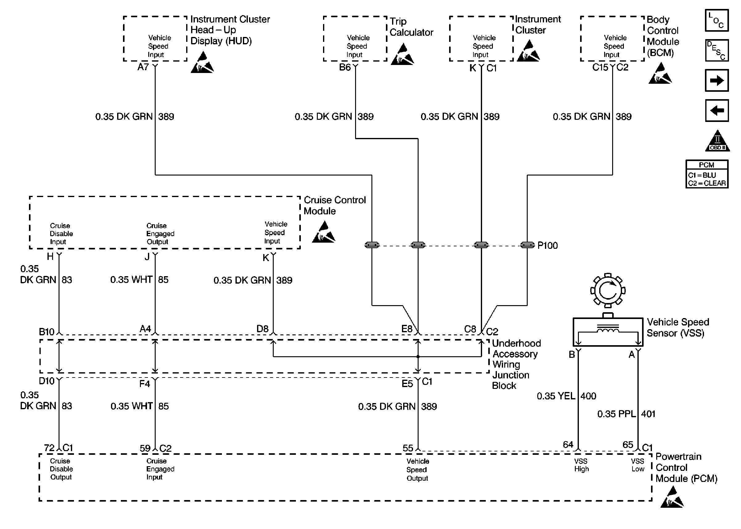
🢒 Vehicle Speed Signal
Vehicle Speed Signal
Vehicle Speed Signal
Handling ESD Sensitive Parts Notice
Handling ESD Sensitive Parts Notice
Handling ESD Sensitive Parts Notice
Handling ESD Sensitive Parts Notice
Handling ESD Sensitive Parts Notice
Handling ESD Sensitive Parts Notice
OBD II Symbol Description Notice
Transaxle Shifting Controls
Gauges and Indicators
Engine Controls Components
Powertrain Control Module Description