GM Service Manual Online
For 1990-2009 cars only
Makes
🢒
Pontiac
🢒
2000
🢒
Grand Prix
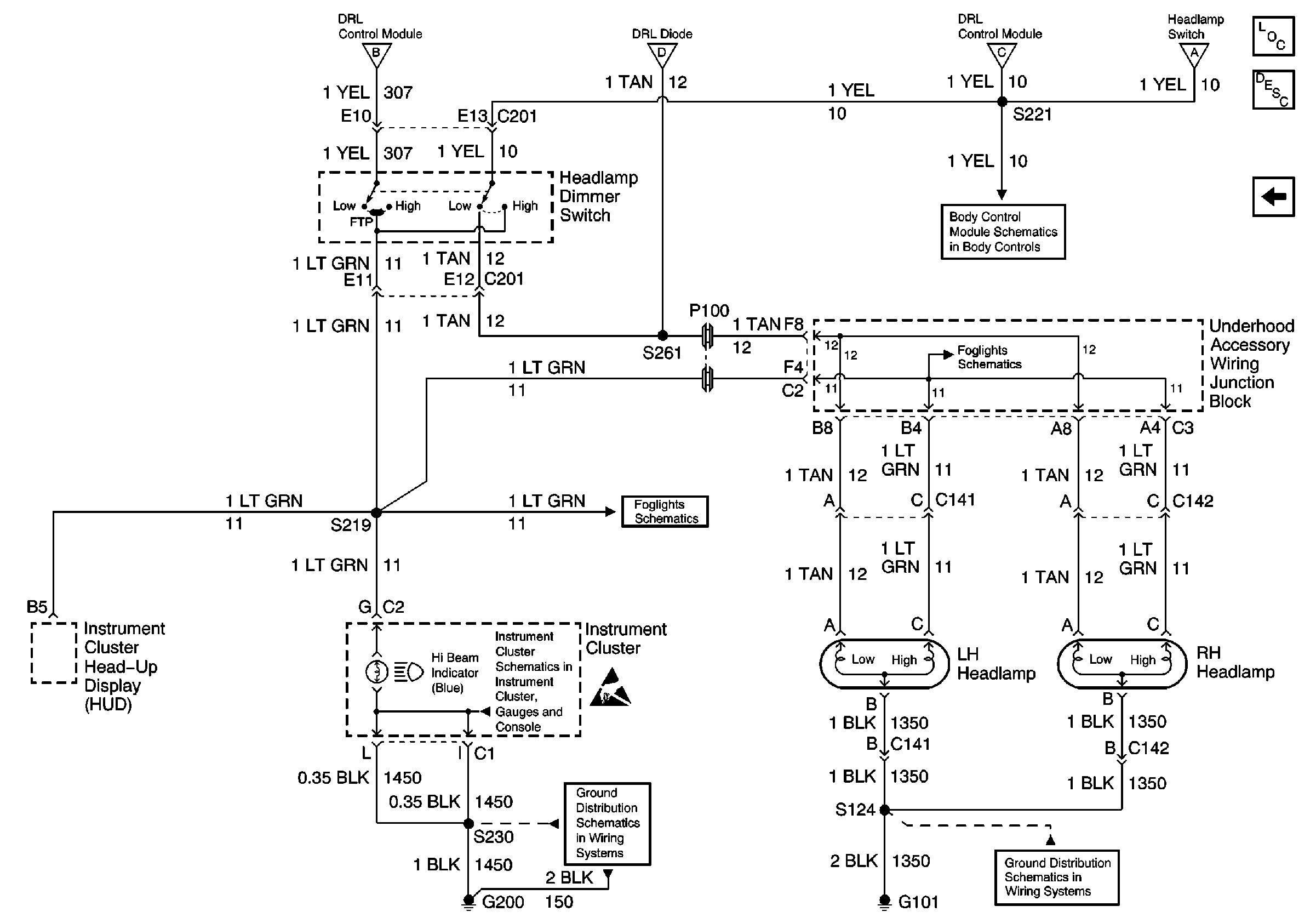
🢒 Headlamp Dimmer Switch, Instrument Cluster and Headlamps
Headlamp Dimmer Switch, Instrument Cluster and Headlamps
Headlamp Dimmer Switch, Instrument Cluster and Headlamps
Fused Distribution, DRL Control Module, Headlamp Switch and BCM
Fused Distribution, DRL Control Module, Headlamp Switch and BCM
Fused Distribution, DRL Control Module, Headlamp Switch and BCM
Fused Distribution, DRL Control Module, Headlamp Switch and BCM
Lighting Systems Components
Headlights/Daytime Running Lights (DRL) Circuit Description
Fused Distribution, DRL Control Module, Headlamp Switch and BCM
Body Control System Schematics
Fog Lamps, DRL Control Module, Fog Lamp Switch and Headlamp Switch
Fog Lamps, DRL Control Module, Fog Lamp Switch and Headlamp Switch
Instrument Cluster: Analog Schematics
Handling ESD Sensitive Parts Notice
G200 (1 of 4)
G101