GM Service Manual Online
For 1990-2009 cars only
Figure 1:

Rear Turn Signals and Stop Lamps


Object Number: 696796  Size: FS
Master Electrical Component List
Park Lamps Rear
ABS Indicator, Torque Signals, and Steering
Cruise Control
G302, S402, S406, S416
G200, S213, S375
G200, S230
IGN MAIN 1, BTSI, DRL, CANISTER VENT, PWR DROP, TURN, SIR Fuses
HEADLAMPS, HVAC HI, PWR MIR, HAZARD, RAP, PASS-Key® Fuses and HEADLAMP Circuit Breaker
BATT-MAIN 1, ONSTAR, STOP LAMP, INT LAMP, CIG LTR Fuses
Front Park and Turn Signal Lamps
Front Park and Turn Signal Lamps
Figure 2:

Park Lamps Rear


Object Number: 696801  Size: FS
Master Electrical Component List
Front Park and Turn Signal Lamps
Rear Turn Signals and Stop Lamps
Headlamp Switch and Instrument Panel Lighting
PARK LP, RADIO, and STR WHL ILLUM Fuses
PARK LP, RADIO, and STR WHL ILLUM Fuses
Fog Lights
Front Park and Turn Signal Lamps
G302, S402, S406, S416
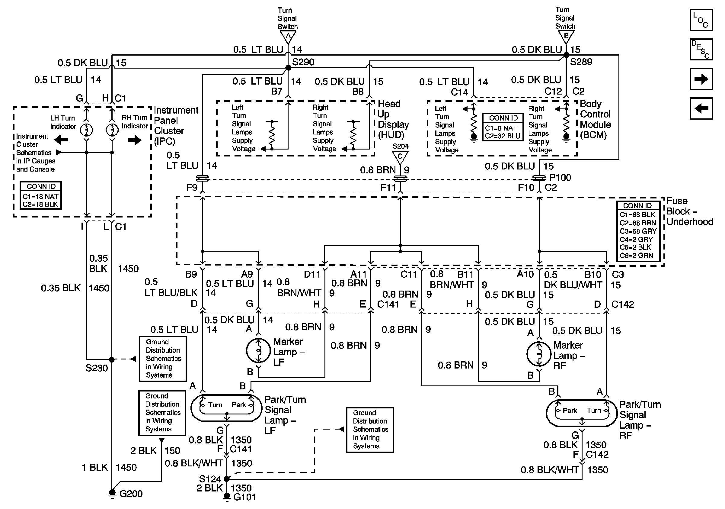
Figure 3:

Front Park and Turn Signal Lamps


Object Number: 696805  Size: FS
Master Electrical Component List
Backup Lights
Park Lamps Rear
Rear Turn Signals and Stop Lamps
Rear Turn Signals and Stop Lamps
Park Lamps Rear
G302, S402, S406, S416
G200, S213, S375
G200, S230
Power and Ground
G101
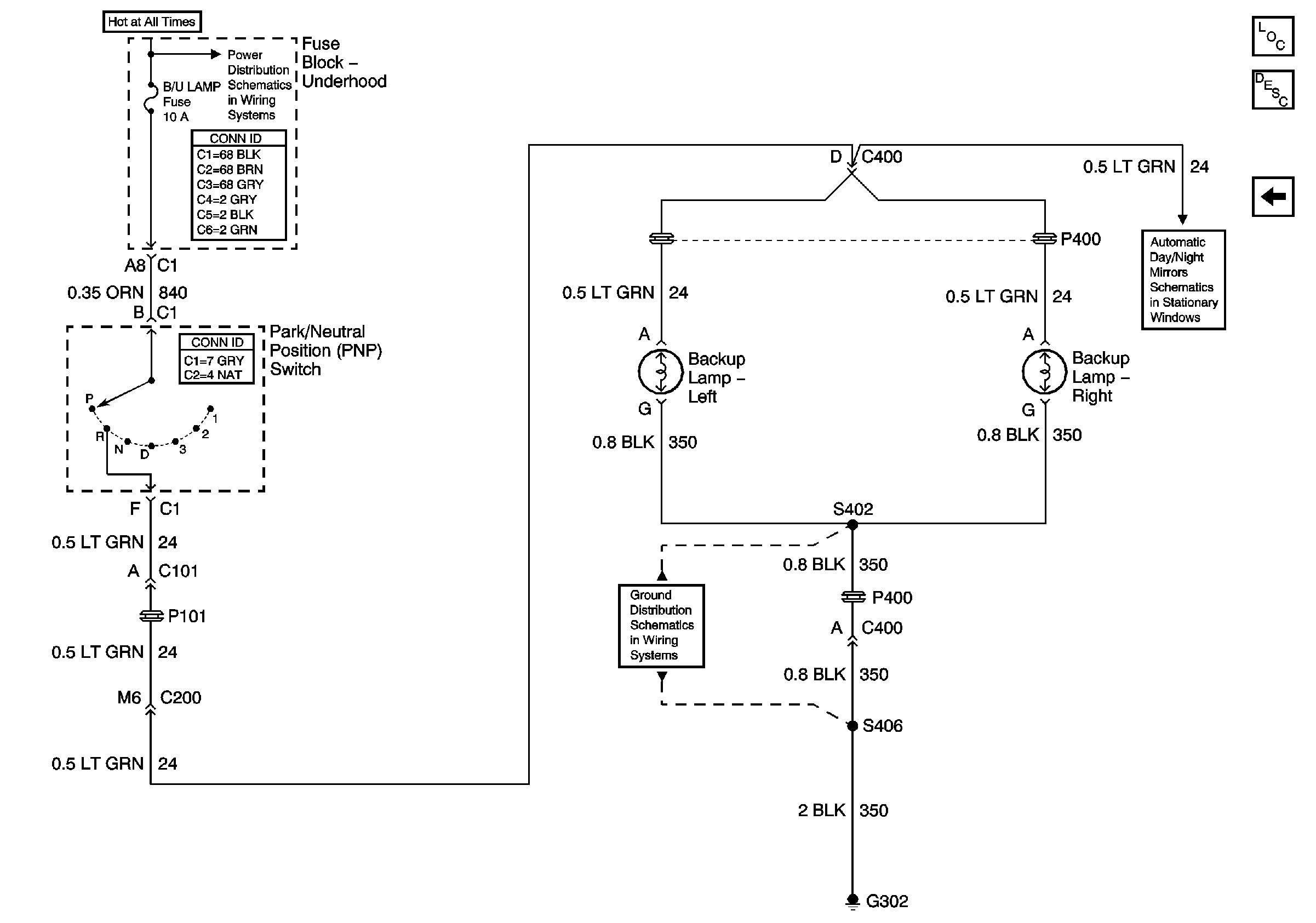
Figure 4:

Backup Lights


Object Number: 696808  Size: FS
Master Electrical Component List
Front Park and Turn Signal Lamps
Automatic Day-Night Mirror
G302, S402, S406, S416
AIR, ECM SENSE, ALT SENSE, B/U LAMP Fuses