GM Service Manual Online
For 1990-2009 cars only
Makes
🢒
Pontiac
🢒
2004
🢒
Grand Prix
🢒
Engine
🢒
Engine Electrical
🢒 Starting and Charging Schematics
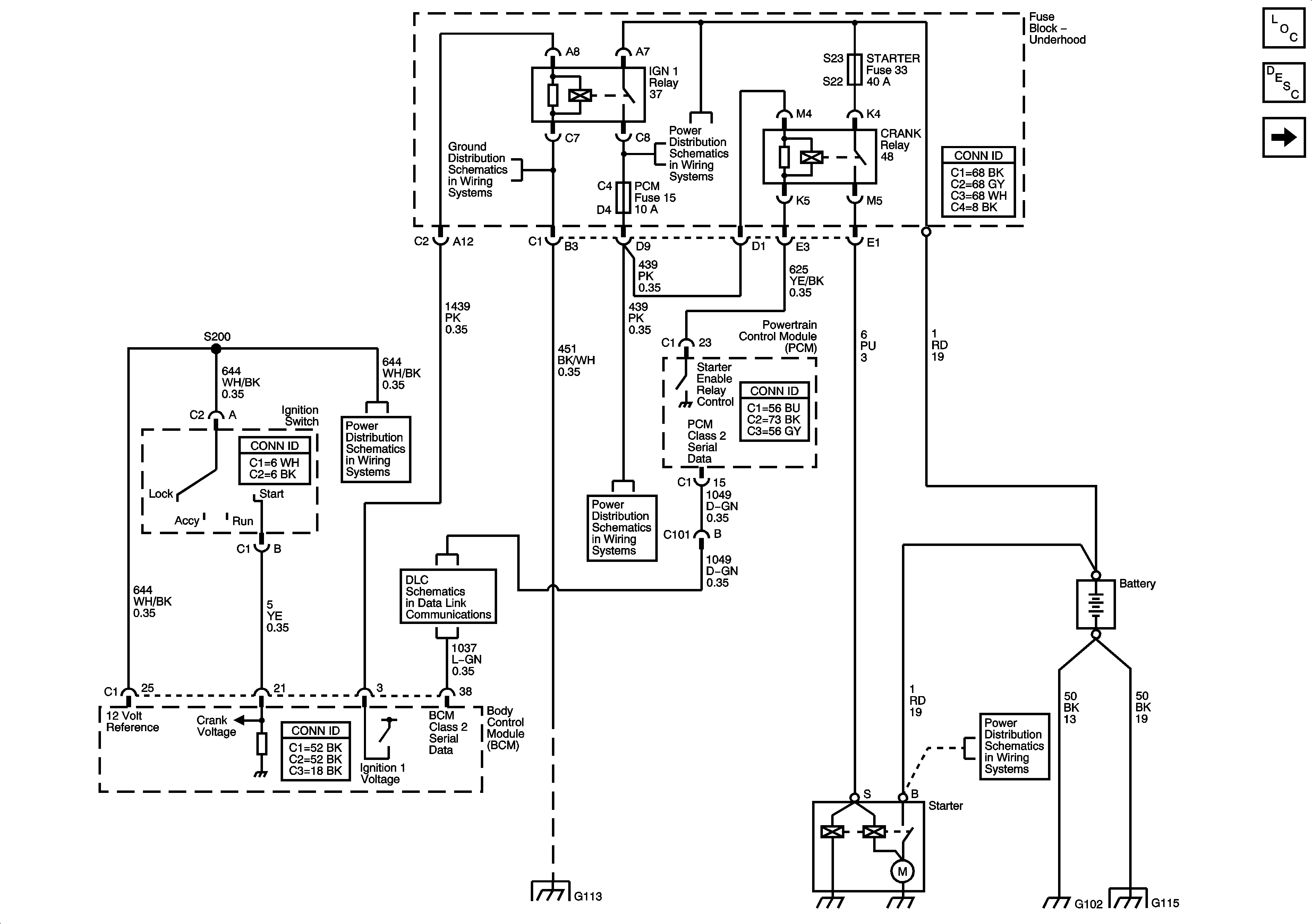
Figure
1:
Starter
Master Electrical Component List
Starting System Description and Operation
Generator
G101, G112 and G113
Fuse Block - Underhood Bussing
Ignition Switch
ABS, TRANS SOL, PCM, SIR, DISPLAY, CRUISE SW Fuses, and CRANK Relay
Data Link Connector (DLC) Schematics
Fuse Block - Underhood Bussing
G101, G112 and G113
G102, G115 and G201
Figure
2:
Generator
Master Electrical Component List
Charging System Description and Operation
Starter
Fuse Block - Underhood Bussing
BATT MAIN 3, BATT MAIN 4, ABS MTR, ABS SOL, PCM/ETC, WASHER RVC, and AUX PWR Fuses
Data Link Connector (DLC) Schematics
G102, G115 and G201