GM Service Manual Online
For 1990-2009 cars only
Figure 1:

ECM Power, Ground, MIL, and Serial Data


Object Number: 1555391  Size: FS
Master Electrical Component List
Engine Control Module Description
Control Module References
5 Volt and Low Reference Bussing
Engine Controls Schematic Icons
Fuse Block - Underhood Bussing
Fuse Block - Underhood Bussing
Ignition Switch
Ignition Switch
Ignition Switch
G112 (LS4), and G113 (LS4)
ABS, TRANS, ECM IGN, AIRBAG/DISPLAY, COMPASS, HVAC Fuses and STRTR Relay
BATT 3, BATT 4, ABS MTR, ABS SOL, ECM/TCM, WSW/RVC, and AUX PWR Fuses
EMISSIONS1, EMISSIONS2, A/C CMPRSR Fuses, and A/C CMPRSR Relay
LS4
Figure 2:

5-Volt and Low Reference Bussing


Object Number: 1555398  Size: FS
Master Electrical Component List
Engine Control Module Description
Control Module References
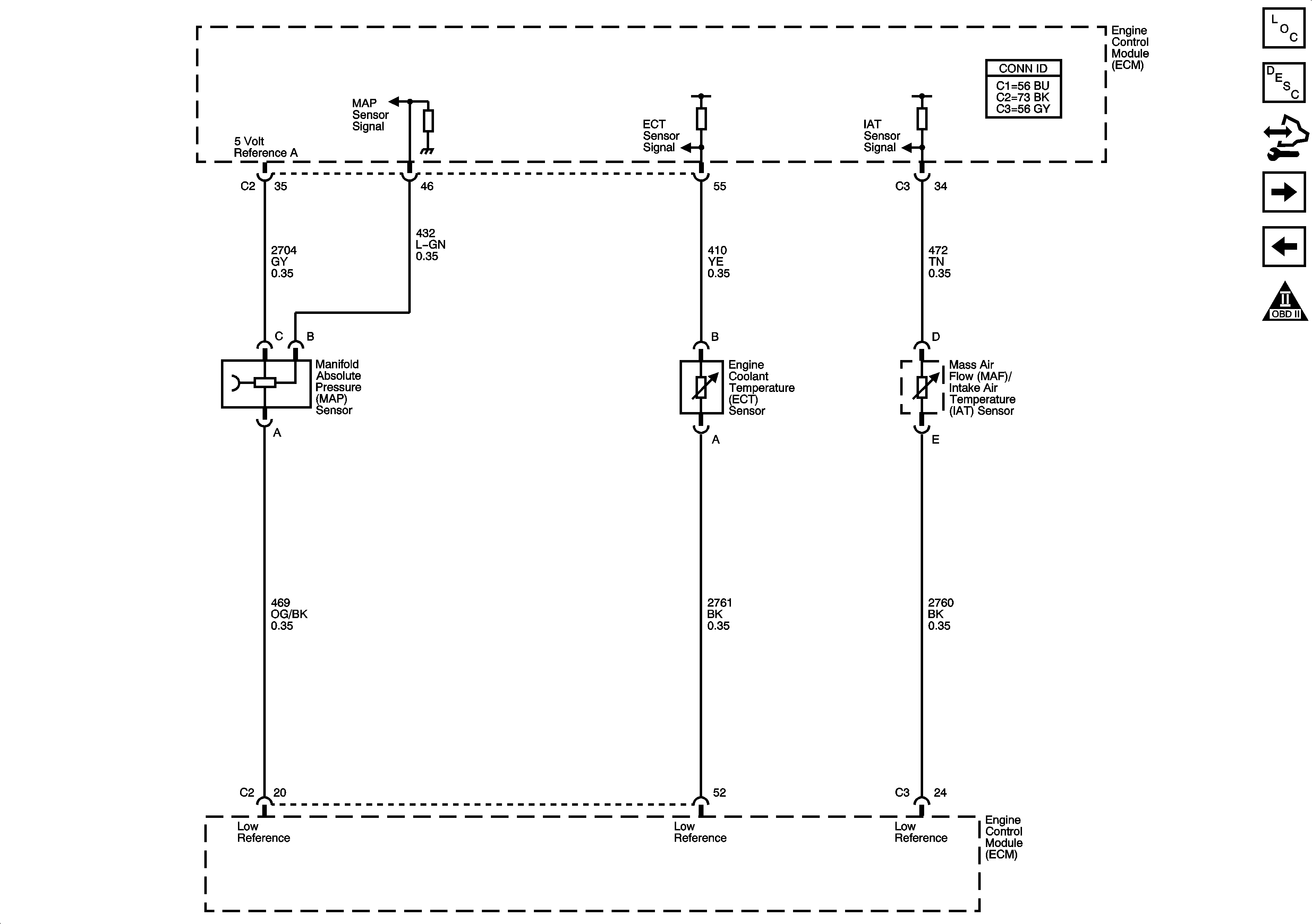
MAP, ECT, and MAF/IAT Sensors
ECM Power, Ground, MIL, and Serial Data
Engine Controls Schematic Icons
Figure 3:

MAP, ECT, and MAF/IAT Sensors


Object Number: 1555402  Size: FS
Master Electrical Component List
Engine Control Module Description
Control Module References
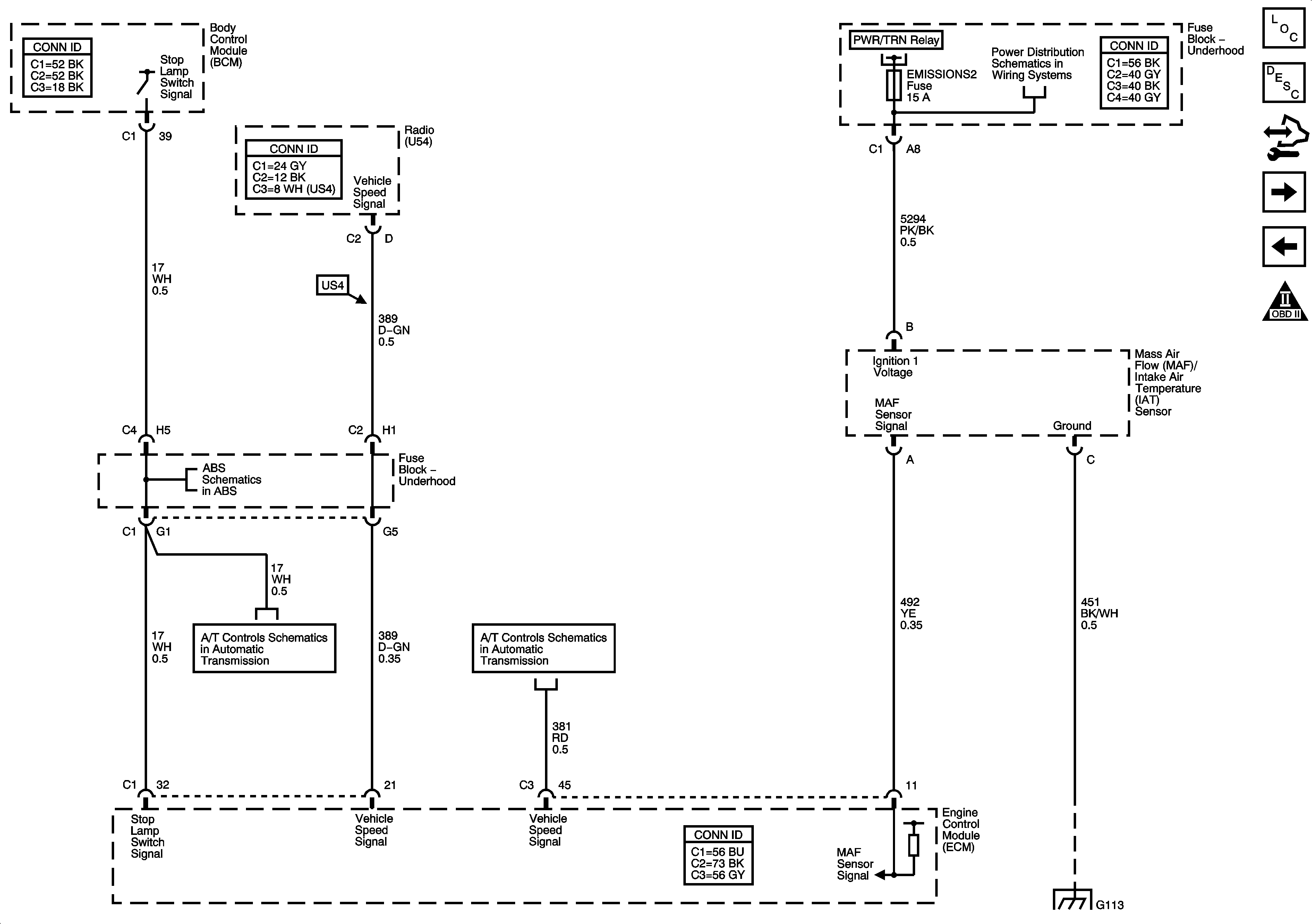
MAF/IAT Sensor, Stop Lamp Switch Signal and VSS
5 Volt and Low Reference Bussing
Engine Controls Schematic Icons
Figure 4:

MAF/IAT Sensor, Stop Lamp Switch Signal and VSS


Object Number: 1555410  Size: FS
Master Electrical Component List
Engine Control Module Description
Control Module References
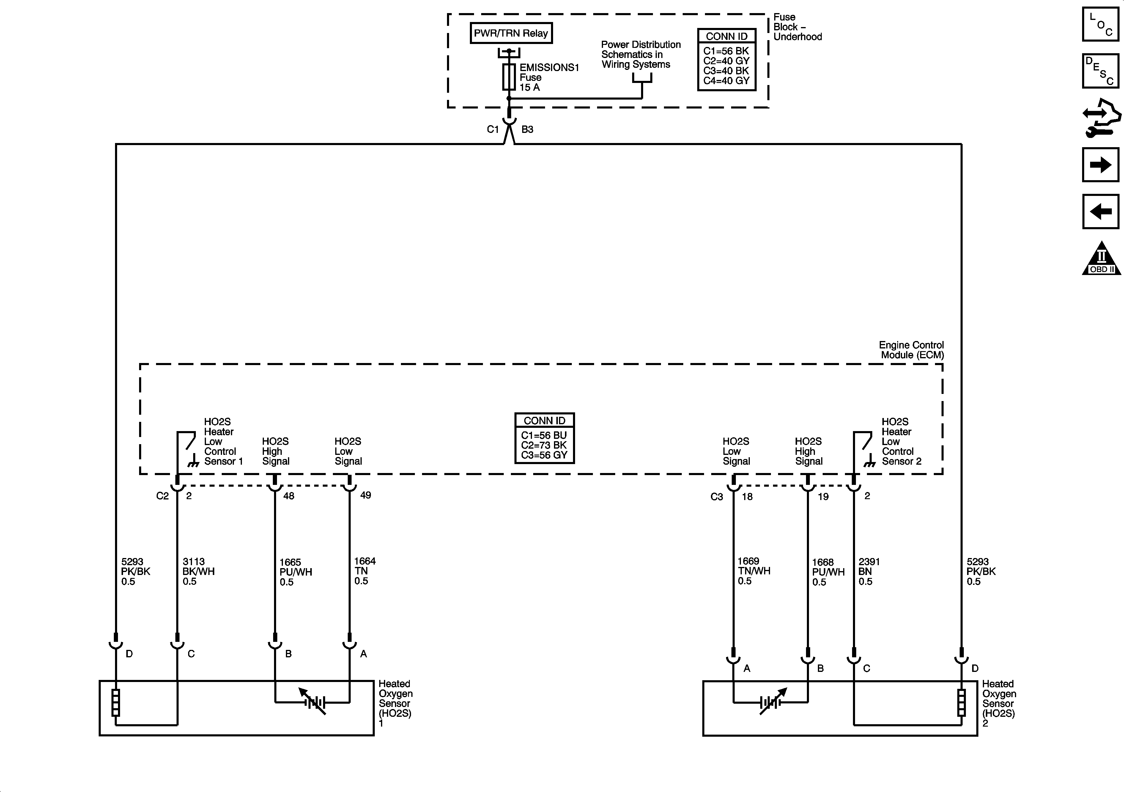
Heated Oxygen Sensors
MAP, ECT, and MAF/IAT Sensors
Engine Controls Schematic Icons
ECM Power, Ground, MIL, and Serial Data
EMISSIONS1, EMISSIONS2, A/C CMPRSR Fuses, and A/C CMPRSR Relay
Indicator, ABS, Stability, and Traction Controls
Tap Shift Switches, Stop Lamp Signal, TFT Sensor and TCC, Shift Solenoids
VSS and AT ISS Sensors, Pressure Control Solenoid Valve, and TCC Release Switch
G112 (LS4), and G113 (LS4)
Figure 5:

Heated Oxygen Sensors


Object Number: 1555423  Size: FS
Master Electrical Component List
Engine Control Module Description
Control Module References
Electronic Throttle Controls
MAF/IAT Sensor, Stop Lamp Switch Signal and VSS
Engine Controls Schematic Icons
ECM Power, Ground, MIL, and Serial Data
EMISSIONS1, EMISSIONS2, A/C CMPRSR Fuses, and A/C CMPRSR Relay
Figure 6:

Electronic Throttle Controls


Object Number: 1555431  Size: FS
Master Electrical Component List
Engine Control Module Description
Control Module References
Ignition Controls Bank 1 (Odd) Ignition Coils
Heated Oxygen Sensors
Engine Controls Schematic Icons
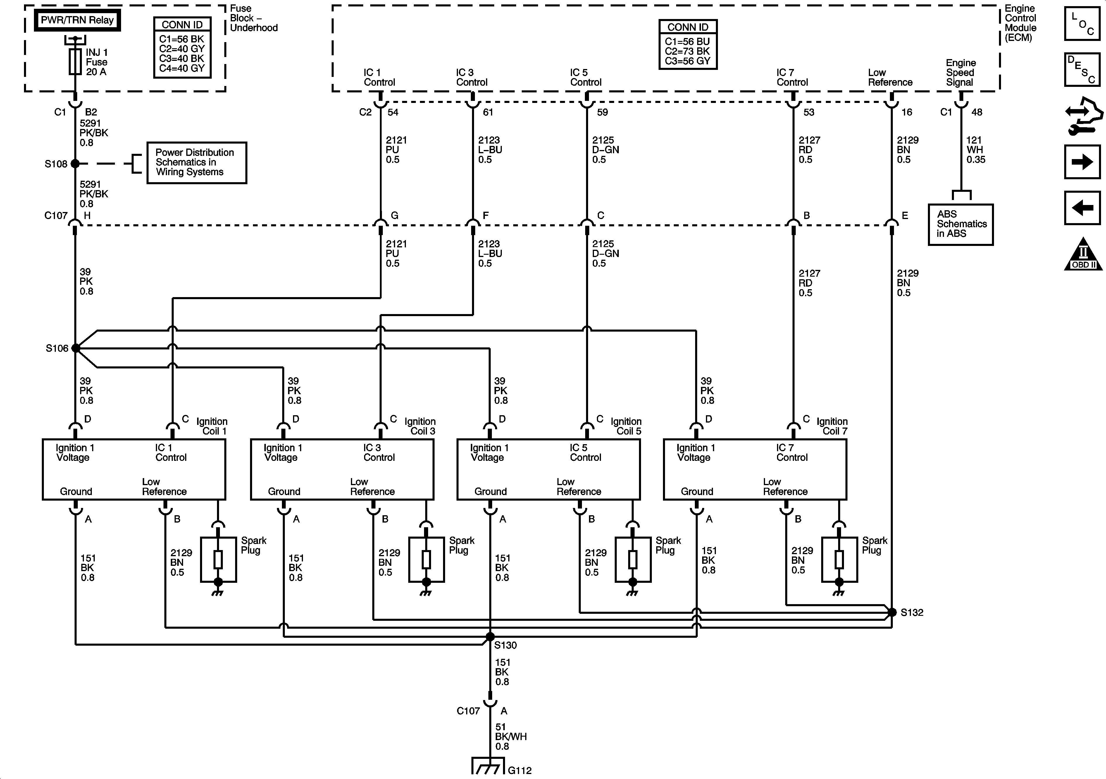
Figure 7:

Ignition Controls Bank 1 (Odd) Ignition Coils


Object Number: 1555433  Size: FS
Master Electrical Component List
Electronic Ignition (EI) System Description
Control Module References
Ignition Controls Bank 2 (Even) Ignition Coils
Electronic Throttle Controls
Engine Controls Schematic Icons
ECM Power, Ground, MIL, and Serial Data
ETC/ECM, INJ 1, INJ 2, EMISSION1, EMISSION2 Fuses, and CMPRSR Relay
Indicator, ABS, Stability, and Traction Controls
G112 (LS4), and G113 (LS4)
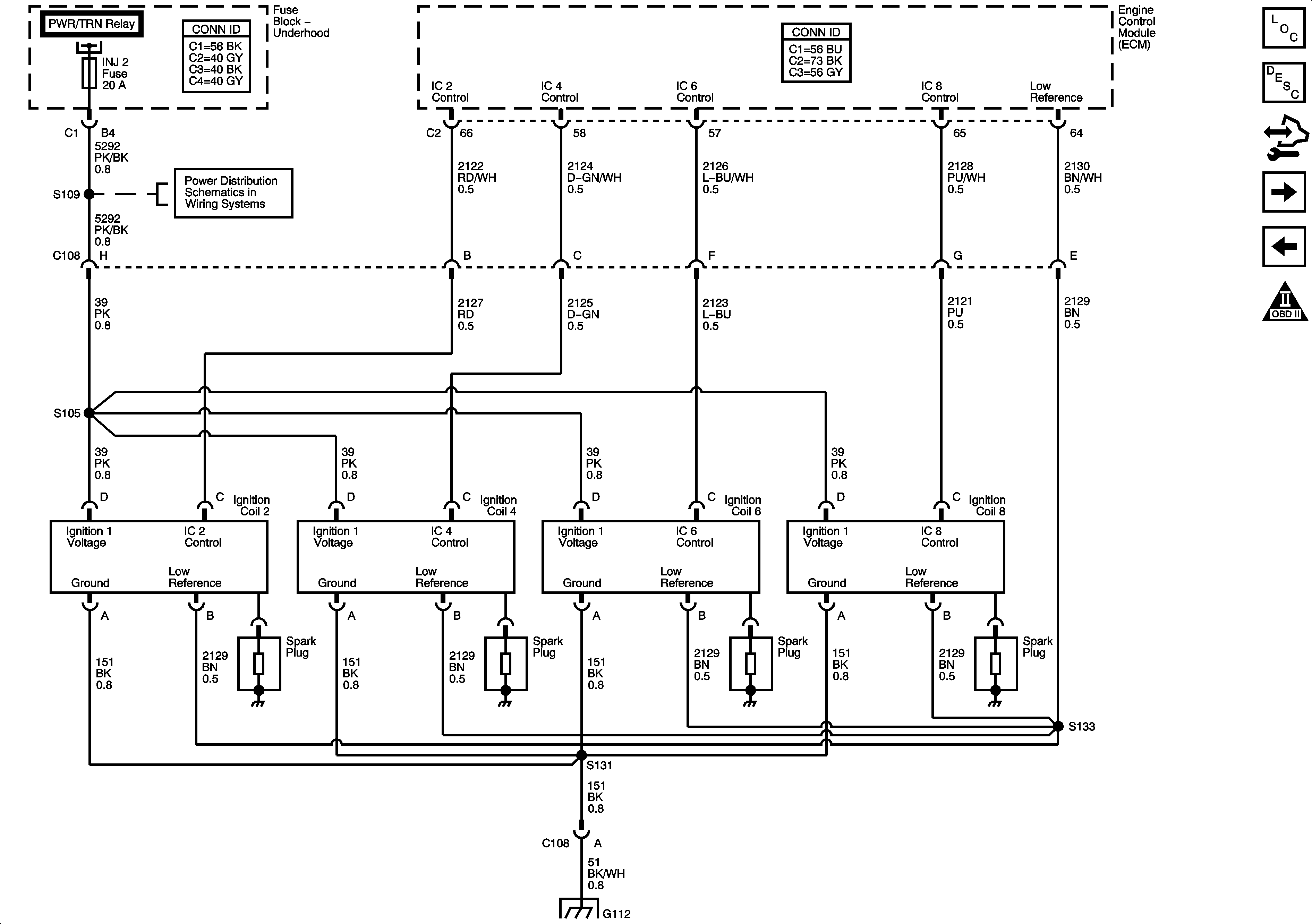
Figure 8:

Ignition Controls Bank 2 (Even) Ignition Coils


Object Number: 1555437  Size: FS
Master Electrical Component List
Electronic Ignition (EI) System Description
Control Module References
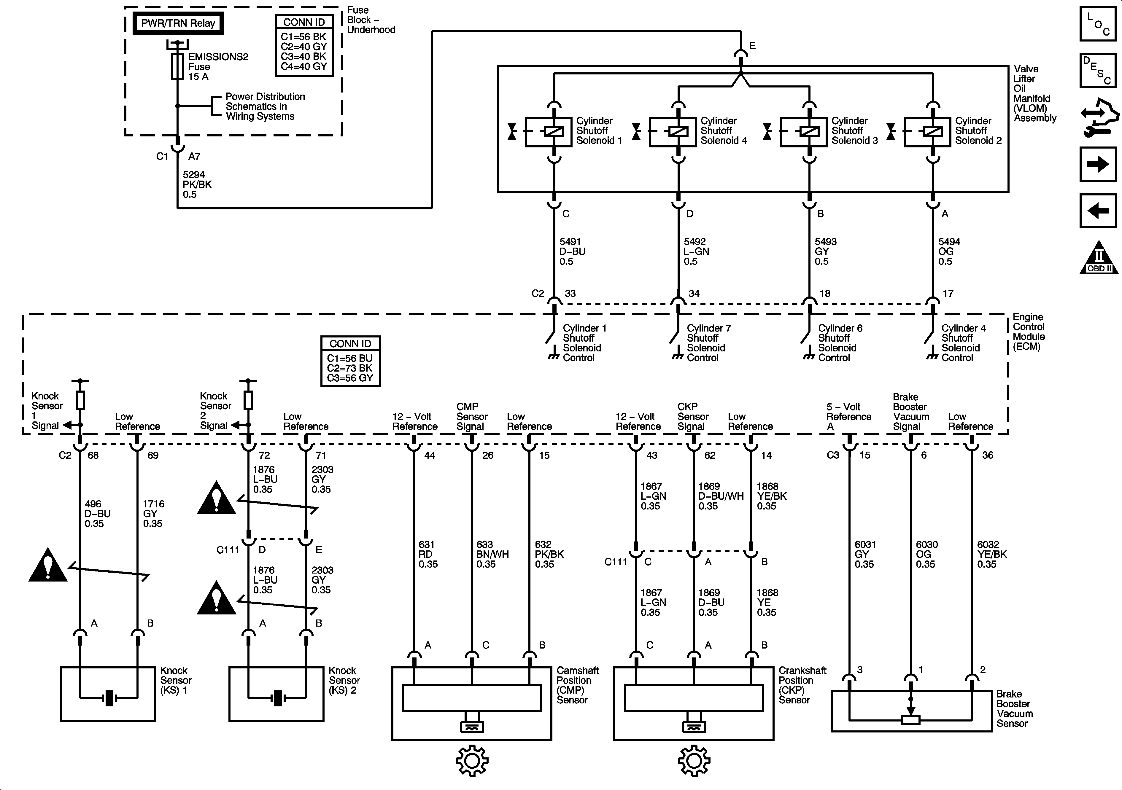
Ignition Controls Knock, CMP, CKP, Brake Booster Vacuum Sensors and Valve Lifter Oil Manifold Assembly
Ignition Controls Bank 1 (Odd) Ignition Coils
Engine Controls Schematic Icons
ECM Power, Ground, MIL, and Serial Data
ETC/ECM, INJ 1, INJ 2, EMISSION1, EMISSION2 Fuses, and CMPRSR Relay
G112 (LS4), and G113 (LS4)
Figure 9:

Ignition Controls Knock, CMP, CKP, Brake Booster Vacuum Sensors and Valve Lifter Oil Manifold Assembly


Object Number: 1555441  Size: FS
Master Electrical Component List
Displacement on Demand (DoD) System Description
Control Module References
Fuel Pump Controls
Ignition Controls Bank 2 (Even) Ignition Coils
Engine Controls Schematic Icons
ECM Power, Ground, MIL, and Serial Data
EMISSIONS1, EMISSIONS2, A/C CMPRSR Fuses, and A/C CMPRSR Relay
Engine Controls Schematic Icons
Engine Controls Schematic Icons
Engine Controls Schematic Icons
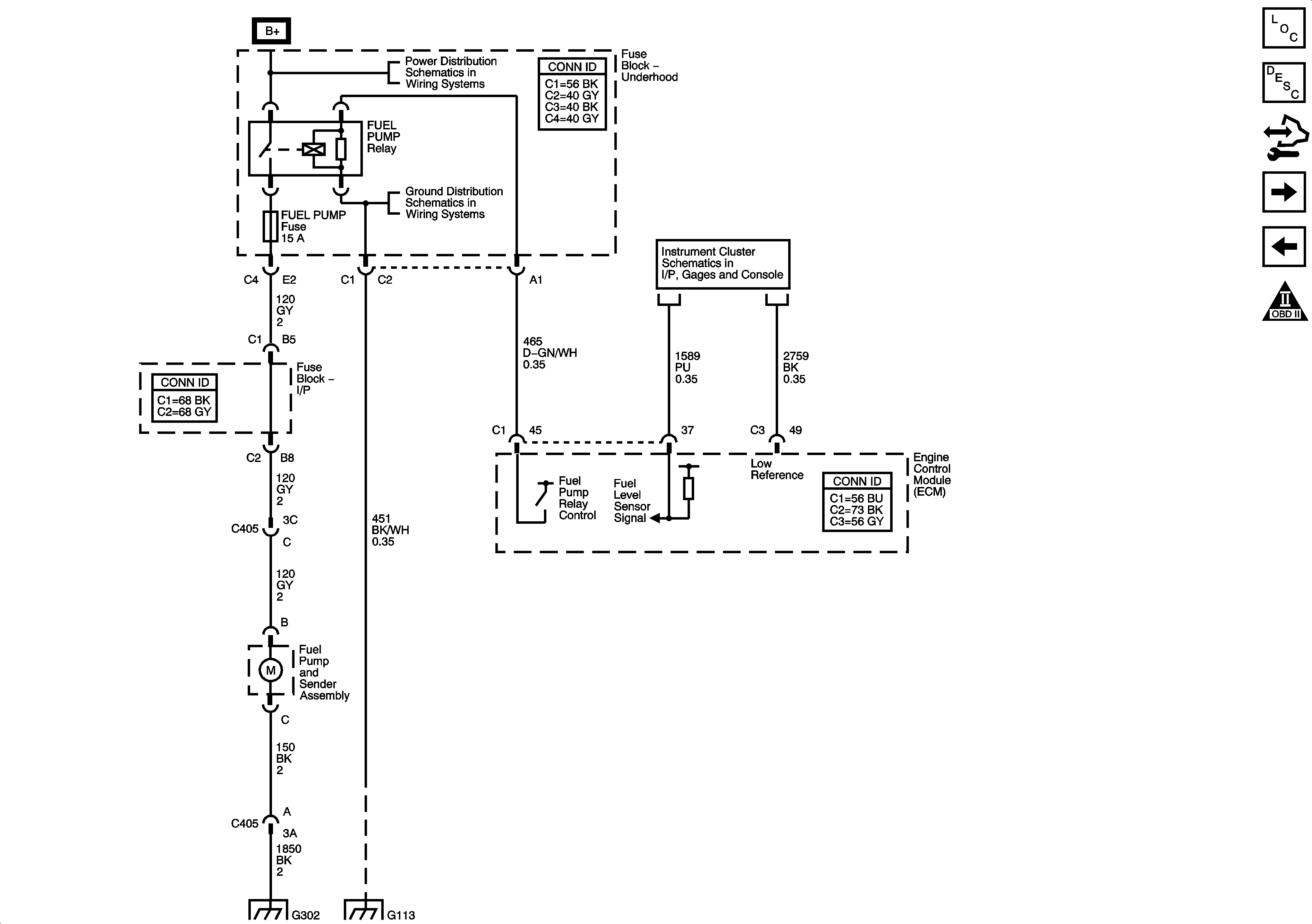
Figure 10:

Fuel Pump Controls


Object Number: 1555445  Size: FS
Master Electrical Component List
Control Module References
Fuel Injectors
Ignition Controls Knock, CMP, CKP, Brake Booster Vacuum Sensors and Valve Lifter Oil Manifold Assembly
Engine Controls Schematic Icons
Fuse Block - Underhood Bussing
Fuse Block - Underhood Bussing
G112 (LS4), and G113 (LS4)
Power, Ground, and Gages
G302
G112 (LS4), and G113 (LS4)
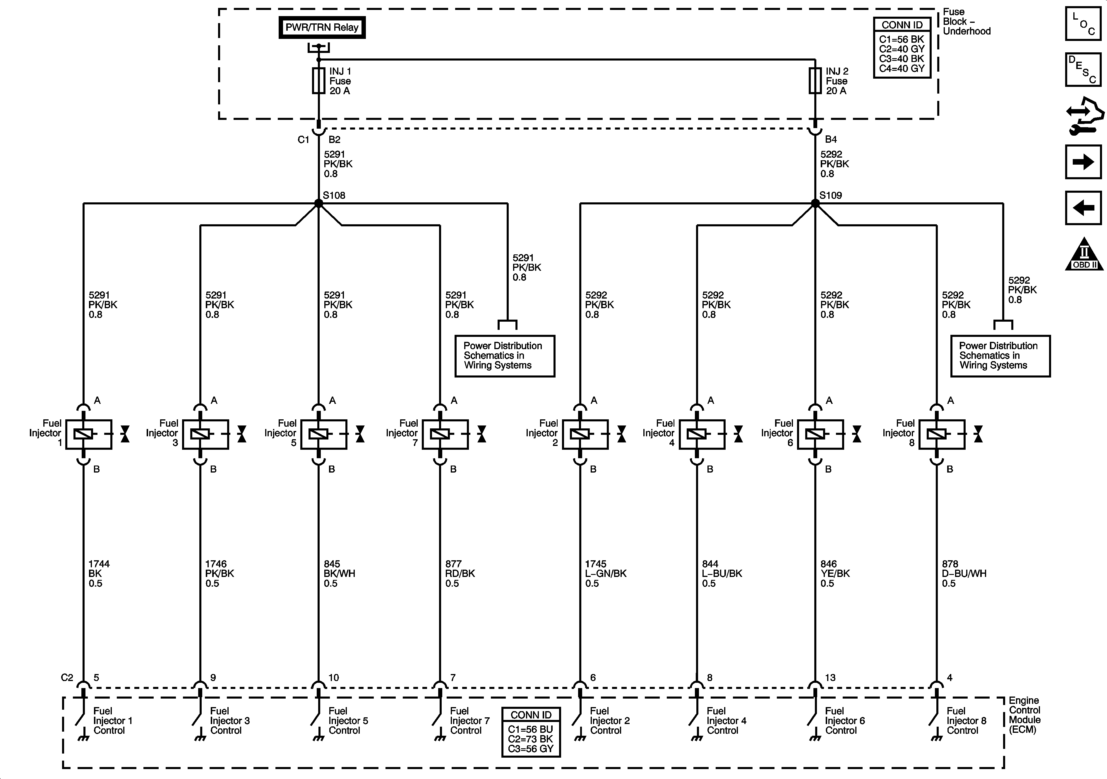
Figure 11:

Fuel Injectors


Object Number: 1555446  Size: FS
Master Electrical Component List
Control Module References
EVAP Solenoids and FTP Sensor
Fuel Pump Controls
Engine Controls Schematic Icons
ECM Power, Ground, MIL, and Serial Data
ETC/ECM, INJ 1, INJ 2, EMISSION1, EMISSION2 Fuses, and CMPRSR Relay
ETC/ECM, INJ 1, INJ 2, EMISSION1, EMISSION2 Fuses, and CMPRSR Relay
Figure 12:

EVAP Solenoids and FTP Sensor


Object Number: 1555448  Size: FS
Master Electrical Component List
Evaporative Emission Control System Description
Control Module References
Controlled/Monitored Subsystem References
Fuel Injectors
Engine Controls Schematic Icons
BATT MAIN 1, PK LAMPS, DISPLAS, CHMSL/BKUP, INT LIGHT, RFA MOD, RADIO/AMP, ONSTAR/ALDL, HVAC, CANISTER Fuses and PKLP Relay
BATT MAIN 1, PK LAMPS, DISPLAS, CHMSL/BKUP, INT LIGHT, RFA MOD, RADIO/AMP, ONSTAR/ALDL, HVAC, CANISTER Fuses and PKLP Relay
ECM Power, Ground, MIL, and Serial Data
EMISSIONS1, EMISSIONS2, A/C CMPRSR Fuses, and A/C CMPRSR Relay
Power, Ground, and Gages
Figure 13:

Controlled/Monitored Subsystem References


Object Number: 1555451  Size: FS
Master Electrical Component List
Engine Control Module Description
Control Module References
EVAP Solenoids and FTP Sensor
Engine Controls Schematic Icons
A/C Compressor Controls
A/C Compressor Controls
LS4
Indicator, ABS, Stability, and Traction Controls
Starter (LS4)
Generator
Driver Information System
Indicators
LS4
PRNDL, and IMS Switch