GM Service Manual Online
For 1990-2009 cars only
Figure 1:

Power, Ground, and Blower Motor Controls


Object Number: 1505510  Size: FS
Master Electrical Component List
Air Delivery Description and Operation
Control Module References
A/C Compressor Controls
BATT MAIN 1, PK LAMPS, DISPLAS, CHMSL/BKUP, INT LIGHT, RFA MOD, RADIO/AMP, ONSTAR/ALDL, HVAC, CANISTER Fuses and PKLP Relay
BATT MAIN 1, PK LAMPS, DISPLAS, CHMSL/BKUP, INT LIGHT, RFA MOD, RADIO/AMP, ONSTAR/ALDL, HVAC, CANISTER Fuses and PKLP Relay
Fuse Block Underhood Bussing
ABS, TRANS SOL, PCM, SIR, DISPLAY, CRUISE SW Fuses, and CRANK Relay
Fuse Block Underhood Bussing
BATT MAIN 3, BATT MAIN 4, ABS MTR, ABS SOL, PCM/ETC, AIR PUMP, WASHER RVC, and AUX PWR Fuses
Fuse Block - Underhood Bussing
Fuse Block - Underhood Bussing
ABS, TRANS, ECM IGN, AIRBAG/DISPLAY, COMPASS, HVAC Fuses and STRTR Relay
BATT 3, BATT 4, ABS MTR, ABS SOL, ECM/TCM, WSW/RVC, and AUX PWR Fuses
Data Link Communication
LS4
Interior Lamp Switch, I/P and Driver Door Lighting
G202
G200
Figure 2:

A/C Compressor Controls


Object Number: 1505512  Size: FS
Master Electrical Component List
Air Temperature Description and Operation
Control Module References
Sensors
Power, Ground, and Blower Motor Controls
Fuse Block Underhood Bussing
Fuse Block Underhood Bussing
Fuse Block Underhood Bussing
Fuse Block Underhood Bussing
Fuse Block - Underhood Bussing
Fuse Block - Underhood Bussing
Fuse Block - Underhood Bussing
Fuse Block - Underhood Bussing
LS4
Data Link Communication
G101, G112 (L26/L32), and G113 (L26/L32)
G101, G112 (L26/L32), and G113 (L26/L32)
G101, G112 (L26/L32), and G113 (L26/L32)
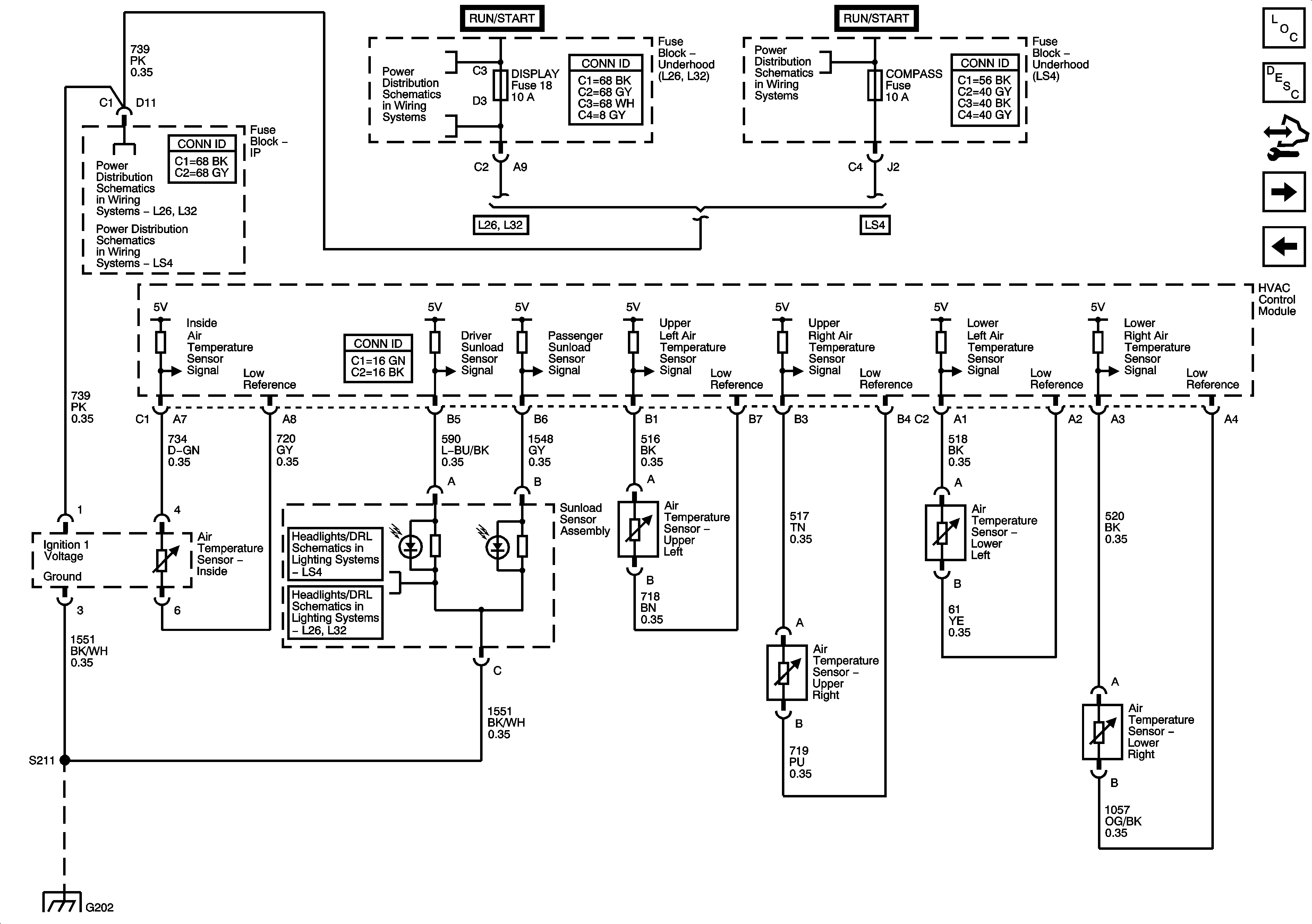
Figure 3:

Sensors


Object Number: 1505513  Size: FS
Master Electrical Component List
Air Temperature Description and Operation
Control Module References
Actuators
A/C Compressor Controls
Fuse Block Underhood Bussing
ABS, TRANS SOL, PCM, SIR, DISPLAY, CRUISE SW Fuses, and CRANK Relay
ABS, TRANS, ECM IGN, AIRBAG/DISPLAY, COMPASS, HVAC Fuses and STRTR Relay
Fuse Block - Underhood Bussing
Fuse Block - Underhood Bussing
Fuse Block - Underhood Bussing
LS4
Headlights/Automatic Head Lamps Schematics
ABS, TRANS SOL, PCM, SIR, DISPLAY, CRUISE SW Fuses, and CRANK Relay
G202
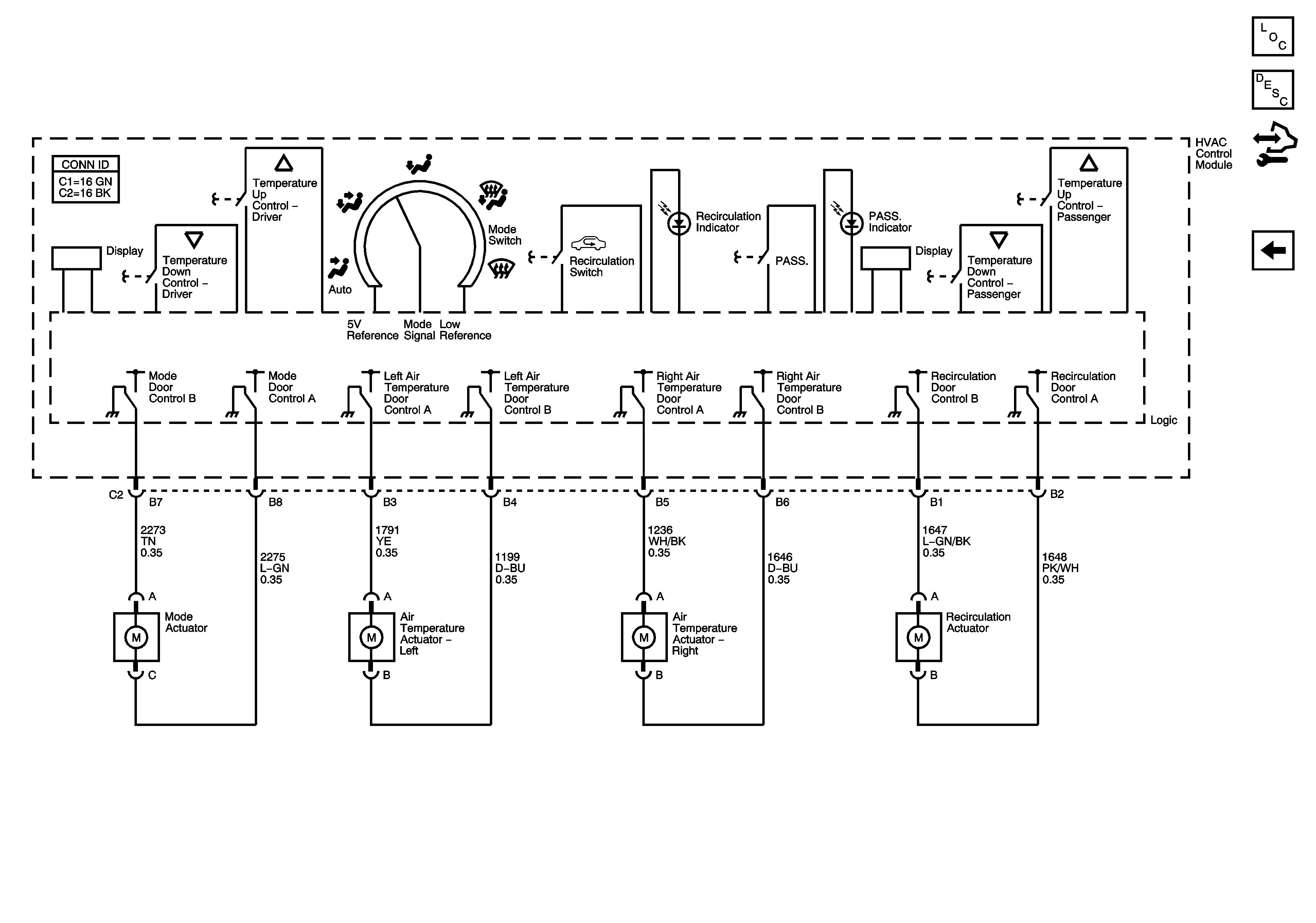
Figure 4:

Actuators


Object Number: 1505514  Size: FS
Master Electrical Component List
Air Temperature Description and Operation
Control Module References
Sensors