GM Service Manual Online
For 1990-2009 cars only
Figure 1:

Switches


Object Number: 1457845  Size: FS
Master Electrical Component List
Interior Lighting Systems Description and Operation
Control Module References
Lamps
BATT MAIN 1, PK LAMPS, DISPLAS, CHMSL/BKUP, INT LIGHT, RFA MOD, RADIO/AMP, ONSTAR/ALDL, HVAC, CANISTER Fuses and PKLP Relay
BATT MAIN 1, PK LAMPS, DISPLAS, CHMSL/BKUP, INT LIGHT, RFA MOD, RADIO/AMP, ONSTAR/ALDL, HVAC, CANISTER Fuses and PKLP Relay
Interior Lamp Switch, I/P and Driver Door Lighting
G301
G302
G301
G302
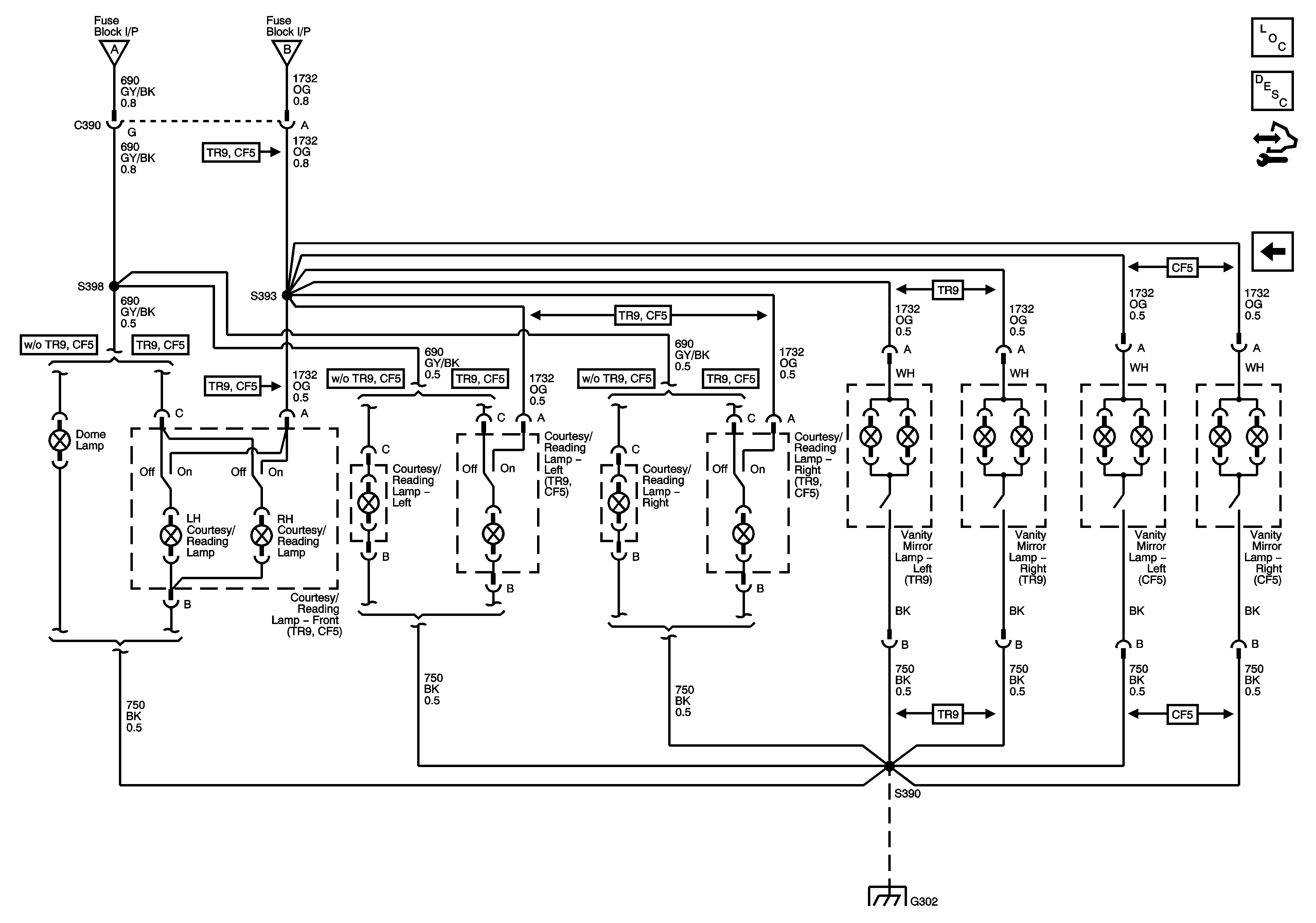
Figure 2:

Courtesy Lamps


Object Number: 1457847  Size: FS
Master Electrical Component List
Interior Lighting Systems Description and Operation
Control Module References
Overhead Lighting
Interior Lights Switches
Overhead Lighting
Overhead Lighting
Content Theft Deterrent (CTD) System
Body Rear End Schematics
G200
G302
Figure 3:

Overhead Lighting


Object Number: 1457848  Size: FS
Master Electrical Component List
Interior Lighting Systems Description and Operation
Control Module References
Lamps
Lamps
Lamps
G302