GM Service Manual Online
For 1990-2009 cars only
Figure 1:

Interior Lamp Switch, I/P, and Driver Door Lighting


Object Number: 1457850  Size: FS
Master Electrical Component List
Interior Lighting Systems Description and Operation
Control Module References
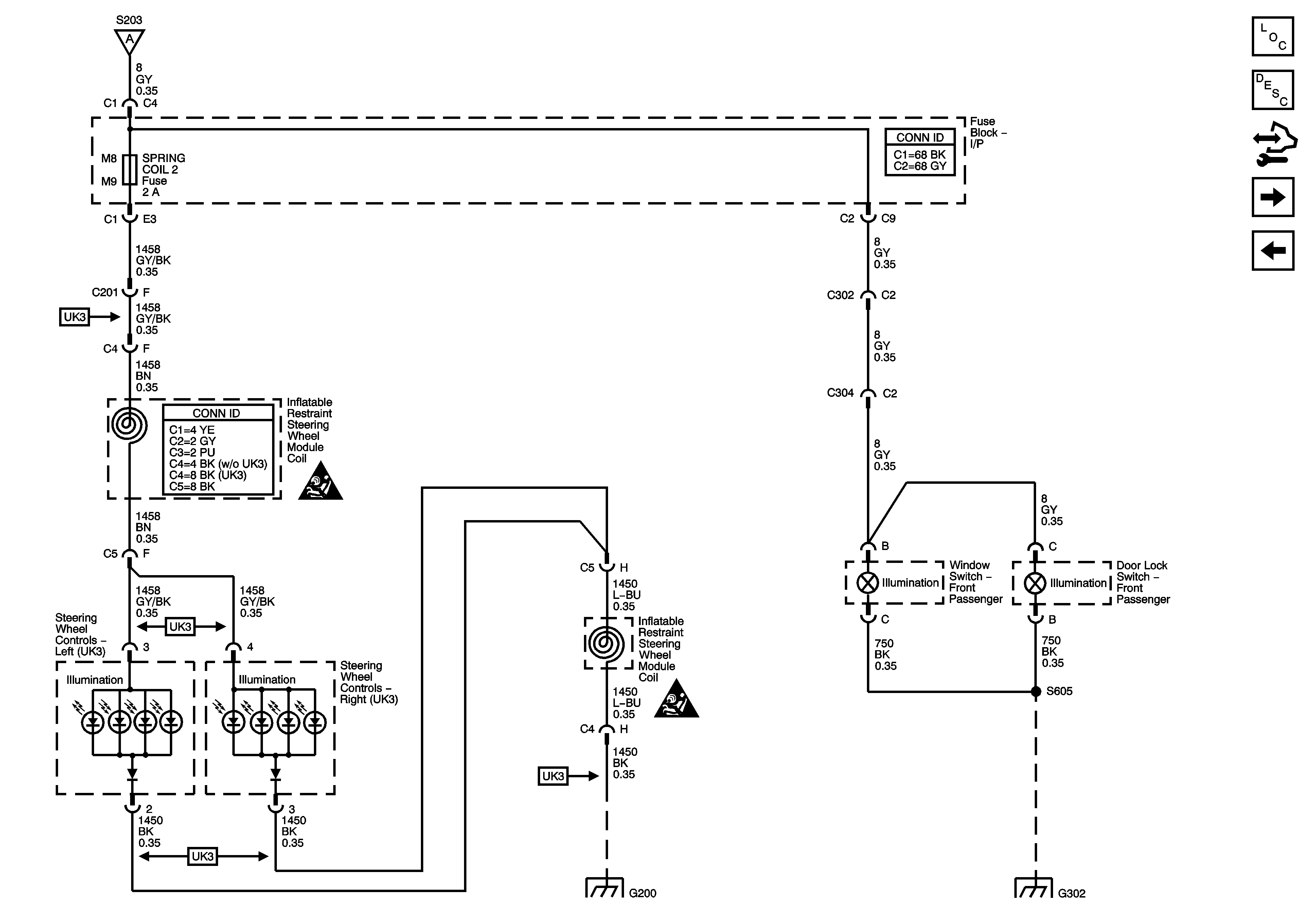
Steering Wheel and Front Passenger Door Lighting
BATT MAIN 1, PK LAMPS, DISPLAS, CHMSL/BKUP, INT LIGHT, RFA MOD, RADIO/AMP, ONSTAR/ALDL, HVAC, CANISTER Fuses and PKLP Relay
BATT MAIN 1, PK LAMPS, DISPLAS, CHMSL/BKUP, INT LIGHT, RFA MOD, RADIO/AMP, ONSTAR/ALDL, HVAC, CANISTER Fuses and PKLP Relay
Interior Lights Switches
Steering Wheel and Front Passenger Door Lighting
Outside Mirror Schematics
Indicator, ABS, Stability, and Traction Controls
G200
G200
G200
G202
G301
Figure 2:

Steering Wheel and Front Passenger Door Lighting


Object Number: 1457853  Size: FS
Master Electrical Component List
Interior Lighting Systems Description and Operation
Control Module References
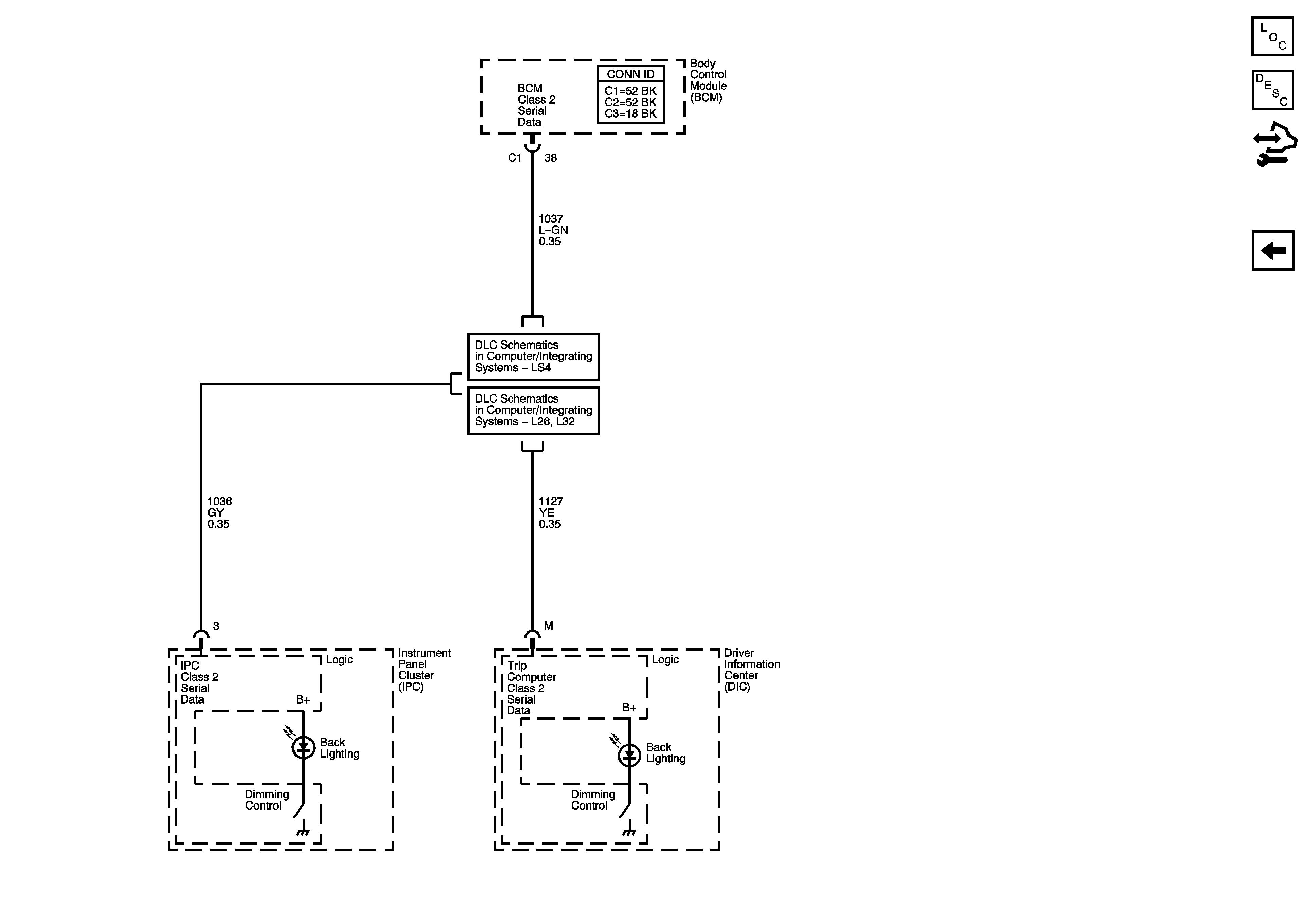
Class 2 Dimming
Interior Lamp Switch, I/P and Driver Door Lighting
Interior Lamp Switch, I/P and Driver Door Lighting
Lighting Systems Schematic Icons
Lighting Systems Schematic Icons
G200
G302
Figure 3:

Class 2 Dimming


Object Number: 1457858  Size: FS
Master Electrical Component List
Interior Lighting Systems Description and Operation
Control Module References
Steering Wheel and Front Passenger Door Lighting
Data Link Communication
LS4