GM Service Manual Online
For 1990-2009 cars only
Figure 1:

Power, Ground, and Blower Motor Controls


Object Number: 1647750  Size: FS
Master Electrical Component List
Air Delivery Description and Operation
Control Module References
A/C Compressor Controls
BATT MAIN 1, PK LAMPS, DISPLAS, CHMSL/BKUP, INT LIGHT, RFA MOD, RADIO/AMP, ONSTAR/ALDL, HVAC, CANISTER Fuses AND PKLP RELAY
Fuse Block Underhood Bussing
Fuse Block Underhood Bussing
ABS, TRANS SOL, PCM, SIR, DISPLAY, CRUISE SW Fuses, and CRANK Relay
Fuse Block Underhood Bussing
Fuse Block - Underhood Bussing
Fuse Block - Underhood Bussing
L26/L32
LS4
Interior Lamp Switch, I/P and Driver Door Lighting
G202
G200
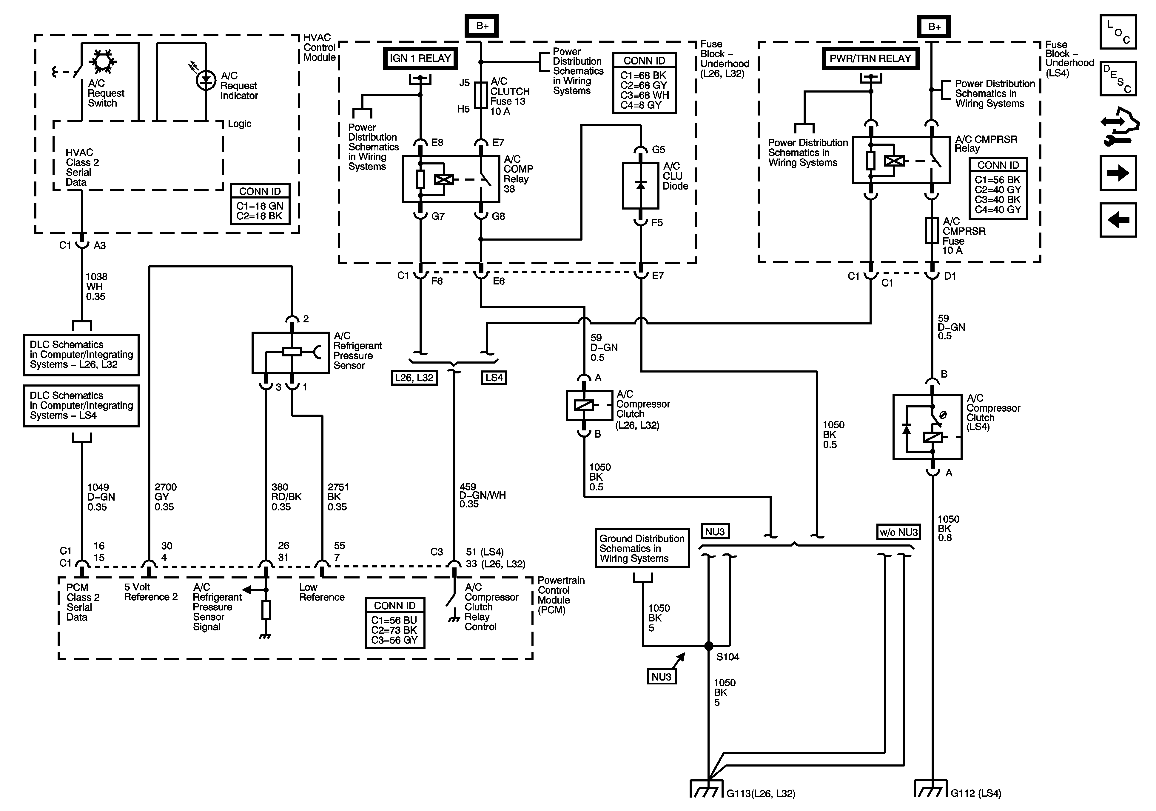
Figure 2:

A/C Compressor Controls


Object Number: 1647751  Size: FS
Master Electrical Component List
Air Delivery Description and Operation
Control Module References
Sensors
Power, Ground, and Blower Motor Controls
Fuse Block Underhood Bussing
Fuse Block Underhood Bussing
Fuse Block Underhood Bussing
Fuse Block - Underhood Bussing
Fuse Block - Underhood Bussing
Fuse Block - Underhood Bussing
L26/L32
LS4
G101, G112 (L26/L32), and G113 (L26/L32)
G101, G112 (L26/L32), and G113 (L26/L32)
G112 (LS4), AND G113 (LS4)
Figure 3:

Sensors


Object Number: 1647752  Size: FS
Master Electrical Component List
Air Temperature Description and Operation
Control Module References
Actuators
A/C Compressor Controls
ABS, TRANS SOL, PCM, SIR, DISPLAY, CRUISE SW Fuses, and CRANK Relay
ABS, TRANS, ECM IGN, AIRBAG/DISPLAY, COMPASS, HVAC Fuses and STRTR Relay
Fuse Block Underhood Bussing
ABS, TRANS SOL, PCM, SIR, DISPLAY, CRUISE SW Fuses, and CRANK Relay
Fuse Block - Underhood Bussing
Fuse Block - Underhood Bussing
Lumbar Controls
Headlights/Automatic Head Lamps Schematics
G202
Figure 4:

Actuators


Object Number: 1647753  Size: FS
Master Electrical Component List
Air Temperature Description and Operation
Control Module References
Sensors