GM Service Manual Online
For 1990-2009 cars only
Makes
🢒
Pontiac
🢒
2006
🢒
Grand Prix
🢒
Vehicle Control Systems
🢒
Vehicle DTC Information
🢒 Headlights/Daytime Running Lights (DRL) Schematics
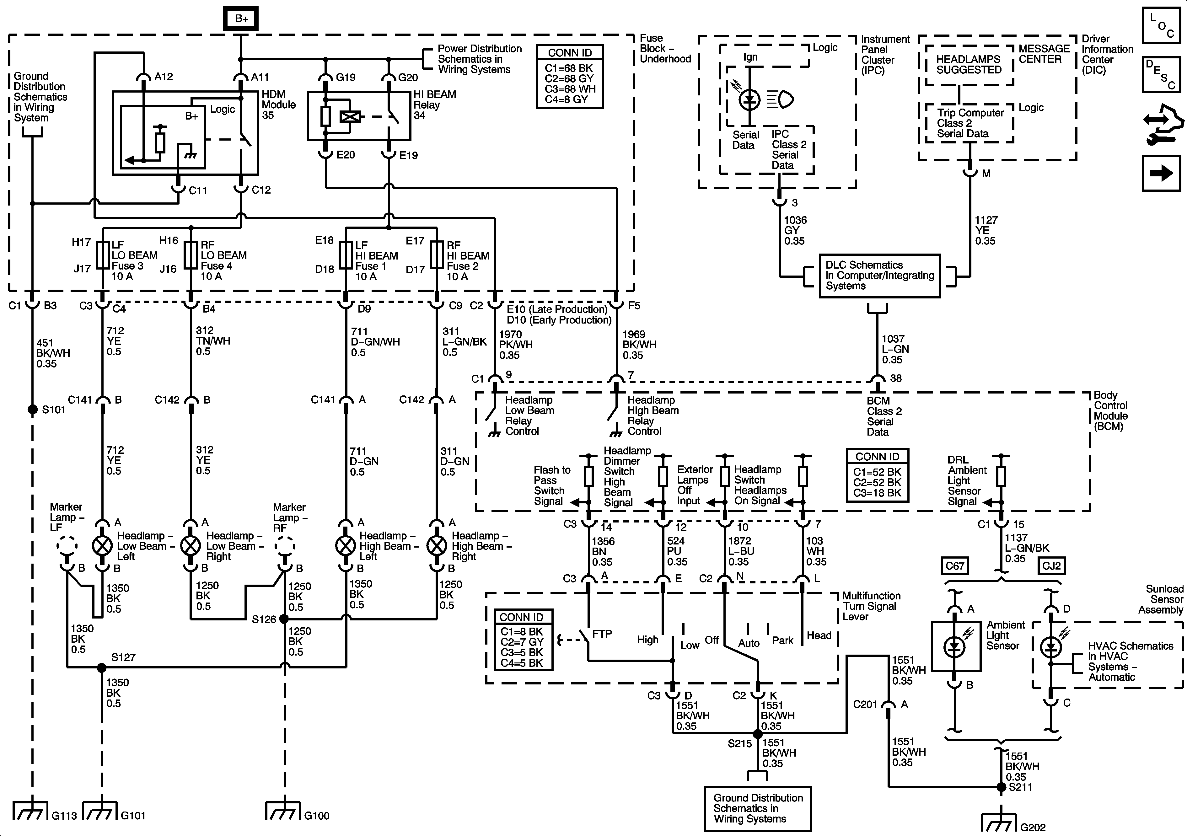
Figure
1:
L26 and L32
Master Electrical Component List
Exterior Lighting Systems Description and Operation
Control Module References
Lumbar Controls
Fuse Block Underhood Bussing
L26/L32
G101, G112 (L26/L32), and G113 (L26/L32)
G100
G202
G202
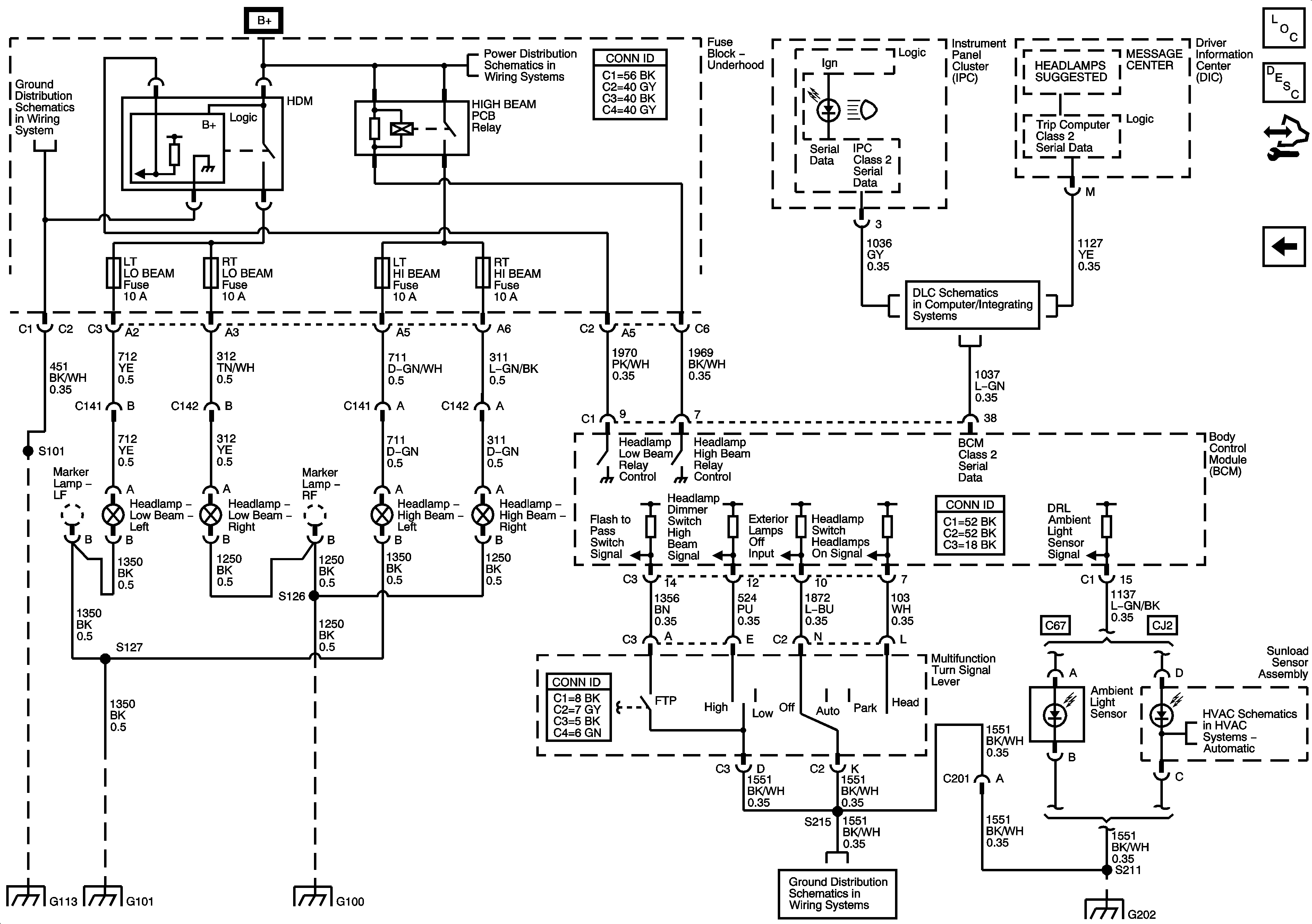
Figure
2:
LS4
Master Electrical Component List
Exterior Lighting Systems Description and Operation
Control Module References
Headlights/Automatic Head Lamps Schematics
Fuse Block - Underhood Bussing
LS4
G101, G112 (L26/L32), and G113 (L26/L32)
G100
G202
G202