| Figure 1: |
G100
|
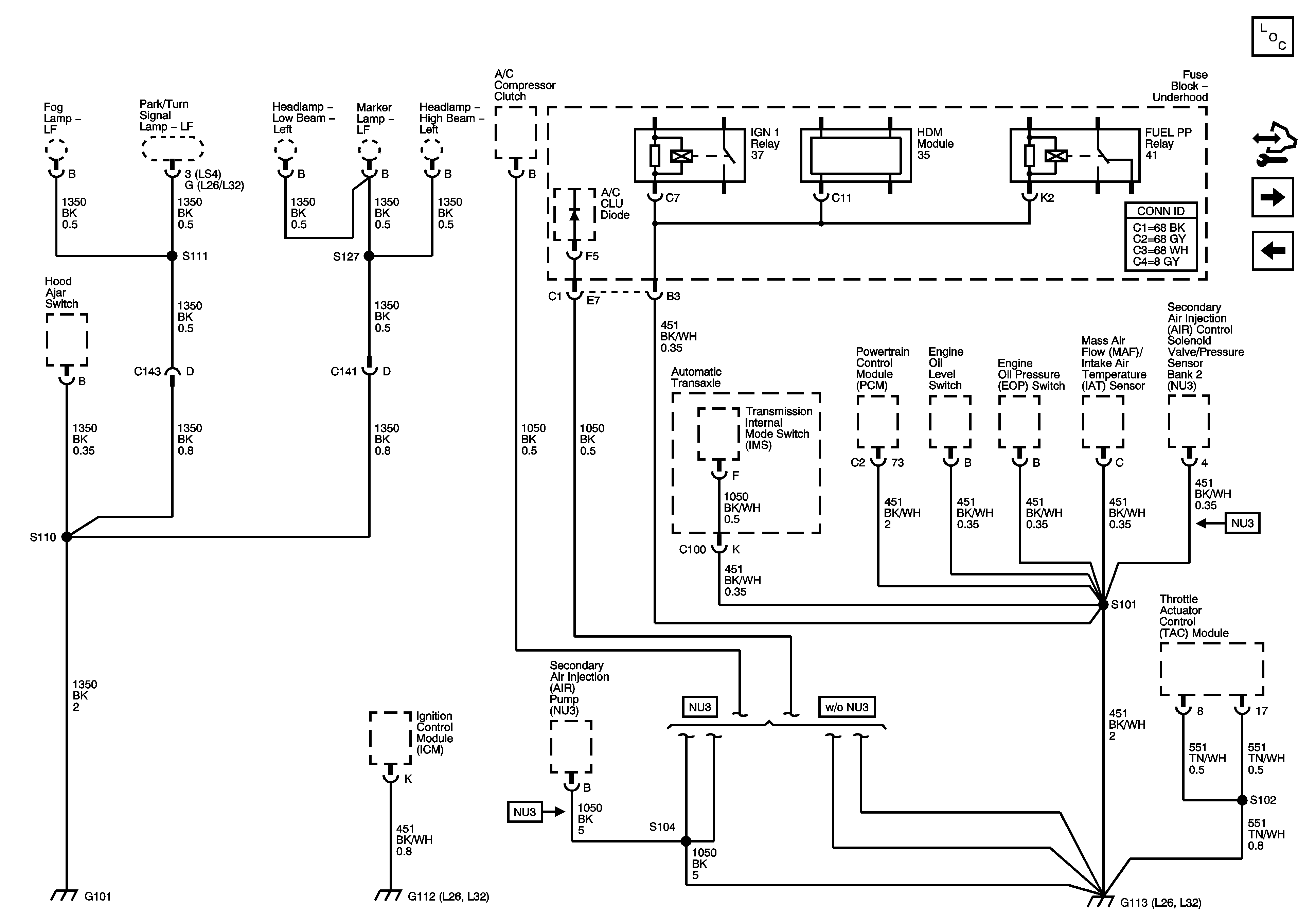
| Figure 2: |
G101, G112 (L26, L32), and G113 (L26, L32)
|
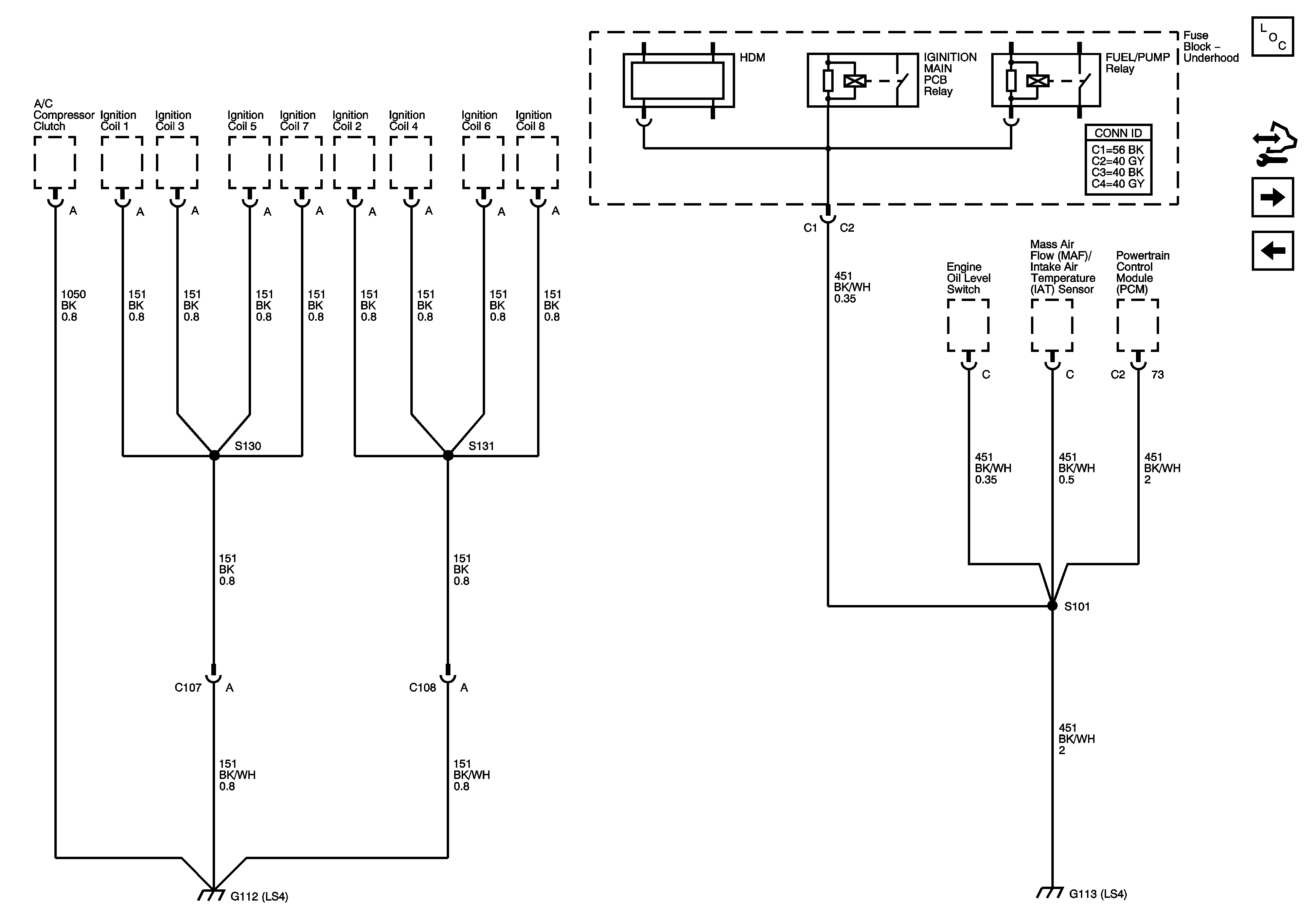
| Figure 3: |
G112 (LS4), and G113 (LS4)
|
| Figure 4: |
G102, G115, and G201
|
| Figure 5: |
G200
|
| Figure 6: |
G202
|
| Figure 7: |
G301
|
| Figure 8: |
G302
|