GM Service Manual Online
For 1990-2009 cars only
Makes
🢒
Pontiac
🢒
2005
🢒
Matiz
🢒
Body
🢒
Lighting Systems
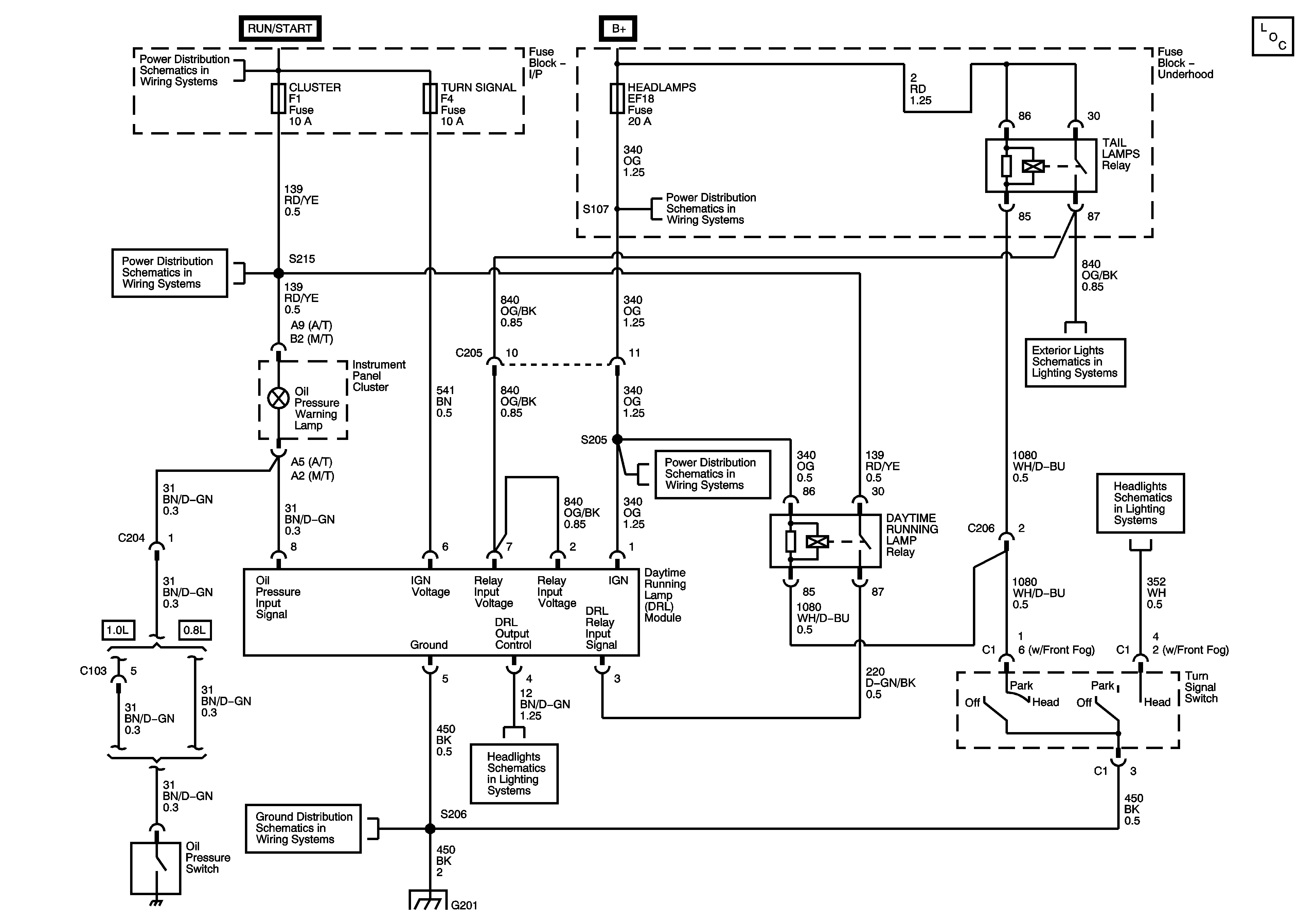
🢒 Headlights/Daytime Running Lights (DRL) Schematics
Daytime Running Lamps (DRL)
Master Electrical Component List
Instrument Panel Fuse Block - ECM and TCM Fuses, Underhood Fuse Block - AUDIO, CIGAR LIGHTER, CLUSTER, AIRBAG, POWER WINDOW and TURN SIGNAL Fuses
Underhood Fuse Block (0.8L) - HEADLAMPS, LH LO BEAM, RH LO BEAM, LH HI BEAM, and RH HI BEAM Fuses
Instrument Panel Fuse Block - ECM and TCM Fuses, Underhood Fuse Block - AUDIO, CIGAR LIGHTER, CLUSTER, AIRBAG, POWER WINDOW and TURN SIGNAL Fuses
Stop Lamps
Underhood Fuse Block (0.8L) - HEADLAMPS, LH LO BEAM, RH LO BEAM, LH HI BEAM, and RH HI BEAM Fuses
Headlamps
Headlamps
G201 (0.8L)